时间:2023-03-28 10:42
人气:
作者:admin
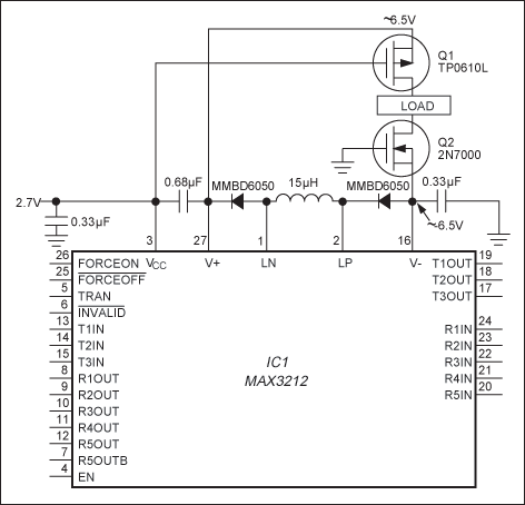
设计笔记显示了串行数据接口IC如何向外部电路提供适量的电流。该电路使用接口IC(MAX3212A)的双极性电压轨供电,不会中断接口工作。
目前可用于串行数据传输的一些接口IC不仅在低V下工作抄送电平(5V 或 3.3V);它们还产生双极性直流电压(±6.5V 至 ±10V),以支持 EIA/TIA-232 规定的最小驱动器输出电平。小心翼翼地,您可以从这些电压轨中窃取有用的电量,而不会干扰IC的运行。
在图1中,IC的开关模式控制器与一个外部电感器、两个二极管和两个电容器一起工作,产生±6.5V电压。FET Q1 和 Q2 通过断开负载直到存在这些开关模式电源电压来确保电路启动。请注意,Q1必须是逻辑电平器件。

图1.对于小于最大允许值的数据速率和驱动器输出负载,该串行接口IC的V+和V-输出可以为外部电路提供适量的电流。
与设计用于产生电源电压的IC不同,接口IC通常不指定可以从其内部生成的电源轨吸收多少电流。可用量几乎完全取决于连接到驱动器输出的负载。例如,IC1保证一个发射器可以在3kbps时驱动1000kΩ和250pF的并联组合,而另外两个发射器在3kΩ负载上保持直流输出。这些条件允许您计算芯片的最大输出电流能力,但您不能期望在提供最大电流的同时消耗额外的电流。
要计算可用的最大输出电流,请叠加交流和直流分量:当NRZ输出波形在保证的最小输出电平(±5V)之间摆动时,输出电流从每个电源轨交替流出。假设输出需要一个完整的数据周期(4kbps时为250μs)才能从-5V压摆至+5V,则交流分量等于C负荷(dv/dt) = 1000pF(10V/4μs) = 2.5mA。对于直流分量,欧姆定律给出一个发射器的I = E/R = 5V/3kΩ = 1.67mA,因此三个发射器共同代表5mA的直流负载。将交流和直流元件相加,保守的最大额定值为2.5mA + 5mA = 7.5mA。
3kΩ负载是EIA-232的要求,但数据速率和负载电容是与应用相关的参数。这些参数的值越低,可供外部使用的电流就越大。例如,遥感系统可能以2400比特/秒(2400bps)的速度运行,负载为3kΩ,并联1000pF(50英尺电缆,20pF/ft)。在这种低数据速率应用中,三个发送器的直流负载为5mA,一个发送器的交流负载(72μA)几乎可以忽略不计。因此,本例中的可用电流计算为7.5mA - (5mA + 72μA) = 2.428mA。
上述计算是保守的:当VCC=2.7V,三个发射机负载3kΩ||1000pF时,以2400bps传输有效EIA-232电平的电路实际上将向外部负载提供6.7mA(当VCC=3V及以上时更大)。如上所述,Q1和Q2使电路能够在这些条件下启动。如果断开变送器负载,允许启动的最大外部负载电流为11.5mA。去掉Q1和Q2后,最大电流仅为5.7mA。
审核编辑:郭婷
从profibusDP转ModbusTCP,一网打尽转换技巧!