时间:2023-03-28 11:20
人气:
作者:admin
本文介绍了RS-485网络的正确接线方法,并提出了双绞线布线和正确定位终端电阻的建议。显示了正确和不正确的电缆端接示例的接收波形。图中显示了通过多个收发器到多分支电路的简单单发射器/多接收器网络的配置。
本应用笔记提供了RS-485网络布线的基本指南。RS-485规范(正式名称为TIA/EIA-485-A)没有具体说明RS-485网络应如何布线。尽管如此,该规范确实提供了一些指导方针。这些准则和健全的工程实践是本说明的基础。然而,这里的建议绝不包括可以设计网络的所有不同方式。
RS-485在多个位置之间传输数字信息。数据速率可以高达,有时甚至大于10Mbps。 RS-485设计用于在很长的长度上传输此信息,1000米完全在其能力范围内。RS-485可以成功使用的距离和数据速率在很大程度上取决于系统的接线。
线
RS-485被设计为一个平衡系统。简而言之,这意味着除了接地之外,还有两根电线用于传输信号。

图1.平衡系统使用两根线(而不是接地)来传输数据。
该系统称为平衡系统,因为理想情况下,一根导线上的信号与第二根导线上的信号完全相反。换句话说,如果一根导线传输高电平,另一根导线将传输低电平,反之亦然。参见图2。

图2.平衡系统的两根导线上的信号理想情况下相反。
虽然RS-485可以使用多种类型的介质成功传输,但它应与通常称为“双绞线”的布线一起使用。
什么是双绞线,为什么要使用它?
顾名思义,双绞线只是一对等长并绞合在一起的电线。使用符合RS-485标准的双绞线发送器可减少高速长距离网络设计人员面临的两个主要问题来源:辐射EMI和接收EMI。
辐射电磁干扰
如图3所示,只要使用快速边沿传输信息,就会出现高频分量。在RS-485能够传输的较高数据速率下,这些快速边沿是必要的。

图3.125kHz方波的波形及其FFT图。
这些快速边沿的高频分量与长导线耦合会产生EMI。与双绞线一起使用的平衡系统通过使系统成为低效的散热器来减少这种影响。它的工作原理非常简单:由于导线上的信号相等但相反,因此来自每根导线上的辐射信号也趋于相等但相反。这具有相互抵消的效果,这意味着没有净辐射EMI。但是,此结果基于以下假设:导线的长度完全相同且位置完全相同。由于不可能在同一位置同时放置两根电线,因此电线应尽可能靠近彼此放置。扭曲导线,使两根导线之间的距离有限,有助于抵消任何剩余的EMI。
接收电磁干扰
接收EMI与辐射EMI基本相同,但相反。RS-485系统中使用的布线也将充当接收不需要的信号的天线。这些不需要的信号可能会扭曲所需的信号,如果足够糟糕,可能会导致数据错误。与双绞线有助于防止辐射EMI的原因相同,它也有助于减少接收EMI的影响。由于两根导线靠近并扭曲在一起,因此在一根导线上接收到的噪声往往与在第二根导线上接收到的噪声相同。这种类型的噪声称为“共模噪声”。由于RS-485接收器设计用于查找彼此相反的信号,因此它们可以轻松抑制两者共有的噪声。
双绞线的特性阻抗
根据电缆的几何形状和绝缘中使用的材料,双绞线将具有与之相关的“特性阻抗”,通常由其制造商指定。RS-485规范建议(但没有明确规定)该特性阻抗为120Ω。推荐此阻抗对于计算RS-485规范中给出的最坏情况负载和共模电压范围是必要的。为了灵活性,规范可能没有规定这种阻抗。如果由于某种原因无法使用120Ω电缆,建议重新计算最坏情况负载(可以使用的发射器和接收器的数量)和最坏情况共模电压范围,以确保设计中的系统能够正常工作。行业标准出版物 TSB89,TIA-EIA-485-A 应用指南¹ 中有一节专门用于这些计算。
每个发射器的双绞线数量
既然了解了所需的电线类型,人们可以问,发射器可以驱动多少双绞线?简短的回答是:正好一个。尽管在某些情况下,发射器可以驱动多条双绞线,但这不是规范的意图。
端接电阻器
由于涉及的高频和距离,必须适当注意传输线效应。然而,对传输线效应和适当的端接技术的全面讨论远远超出了本应用笔记的范围。考虑到这一点,将以最简单的形式简要讨论与RS-485相关的端接。
终端电阻只是放置在电缆最末端的电阻器(图 4)。理想情况下,终端电阻的值与电缆的特性阻抗相同。

图4.端接电阻应与双绞线的特性阻抗值相同,并应放置在电缆的远端。
当端接电阻与接线的特性阻抗值不同时,当信号沿着电缆传播时会发生反射。此过程由公式 (Rt - Zo)/(Zo + Rt) 控制,其中 Zo 是电缆的阻抗,Rt 是终端电阻的值。尽管由于电缆和电阻的容差,一些反射是不可避免的,但足够大的不匹配可能会导致反射大到足以导致数据错误。参见图 5。


图5.使用顶部所示电路,左边的波形由MAX3485驱动端接120Ω的54Ω双绞线电缆获得。右边的波形是在电缆端接120Ω时获得的。
了解反射后,终止电阻和特性阻抗尽可能匹配非常重要。终端电阻的位置也非常重要。端接电阻应始终放置在电缆的远端。
此外,作为一般规则,端接电阻应放置在电缆的两端。尽管正确端接两端对于大多数系统设计来说绝对至关重要,但可以说,在一种特殊情况下,只需要一个端接电阻。当系统中只有一个发射器并且该单个发射器位于电缆的远端时,就会发生这种情况。在这种情况下,无需在与变送器的电缆末端放置终端电阻,因为信号旨在始终远离电缆的这一端。
网络上发射器和接收器的最大数量
最简单的RS-485网络由单个发射器和单个接收器组成。虽然RS-485在许多应用中都很有用,但RS-<>允许在一对双绞线上安装多个接收器和发射器,从而实现更大的灵活性。 允许的最大收发器和接收器数量取决于每个器件在系统中的负载量。在理想情况下,所有接收器和非活动发射器都将具有无限阻抗,并且不会以任何方式使系统过载。然而,在现实世界中,情况并非如此。连接到网络的每个接收器和所有不活动的发射器都会增加增量负载。
为了帮助RS-485网络的设计者确定可以向网络添加多少个设备,创建了一个称为“单位负载”的假设单元。连接到RS-485网络的所有设备都应根据单位负载的倍数或分数进行表征。MAX3485的额定负载为1单位负载,MAX487的额定负载为1/4单位负载。假设一根双绞线正确端接的电缆具有 120Ω 或更高的特性阻抗,则允许的最大单位负载数为 32。使用上面给出的示例,这意味着单个网络上可以放置多达32个MAX3485或128个MAX487。
故障安全偏置电阻器
当输入在-200mV至+200mV之间时,接收器输出为“未定义”。有四种常见的故障情况会导致接收器输出未定义,从而导致数据错误:
系统中的所有发射器都处于关机状态。
接收器未连接到电缆。
电缆有一个开口。
电缆短路。
故障安全偏置用于在发生这些条件之一时将接收器的输出保持在定义的状态。故障安全偏置由同相线路上的上拉电阻和反相线路上的下拉电阻组成。通过适当的偏置,当任何一个故障条件发生时,接收器将输出有效的高电平。这些故障安全偏置电阻应放置在传输线的接收器端。
Maxim的MAX13080和MAX3535系列收发器不需要故障安全偏置电阻,因为器件中集成了真正的故障安全特性。在真正的故障安全模式下,接收器阈值范围为-50mV至-200mV,因此无需故障安全偏置电阻,同时完全符合RS-485标准。这些器件确保接收器输入端的 0V 产生逻辑“高”输出。此外,这种设计保证了开路和短路条件下已知的接收器输出状态。
正确网络的示例
鉴于上述信息,我们准备设计一些RS-485网络。以下是一些示例。
一个发射器,一个接收器
最简单的网络是一个发射器和一个接收器(图 6)。在本例中,终端电阻显示在电缆的发射器端。虽然这里没有必要,但设计两个端接电阻可能是一个好习惯。这允许将发射器移动到远端以外的位置,并允许在必要时将其他发射器添加到网络中。

图6.一个发射器、一个接收器的RS-485网络。
一个发射器,多个接收器
图7显示了一个单发射器多接收器网络。在这里,保持双绞线到接收器的距离尽可能短是很重要的。

图7.单发射器、多接收器RS-485网络。
两个收发器
图8所示为双收发器网络。

图8.双收发器 RS-485 网络。
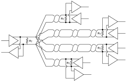
多个收发器
图9所示为多收发器网络。与图7中的单发射器和多接收器示例一样,保持双绞线到接收器的距离尽可能短非常重要。

图9.多收发器 RS-485 网络。
不当网络示例
下图是配置不正确的系统的示例。每个示例都显示了从设计不当的网络获得的波形,并比较了来自设计正确的系统的波形。波形在 A 点和 B 点 (a-b) 处以差分方式测量。
未终止的网络
在此示例中,双绞线的末端未端接。当信号沿着电线传播时,它会在电缆末端遇到开路。这构成了阻抗失配,从而产生反射。在开路的情况下(如下图所示),所有的能量都会反射回源,导致波形变得非常失真。


图 10.未端接的RS-485网络(顶部)及其产生的波形(左)与从正确端接的网络获得的波形(右)的比较。
错误的终止位置
图11显示了一个终端电阻,但它位于电缆远端以外的位置。当信号沿着电缆传播时,它会遇到两个阻抗不匹配。第一个发生在端接电阻处。即使电阻与电缆的特性阻抗匹配,电阻器之后仍然有电缆。这种额外的电缆会导致不匹配,从而导致反射。第二个不匹配是在未端接电缆的末端,导致进一步的反射。


图 11.RS-485网络,其终端电阻放置在错误的位置(上)及其产生的波形(左),与正确端接的网络(右)的比较。
多根电缆
图 12 中的布局存在多个问题。RS-485驱动器设计为仅驱动一根正确端接的双绞线。在这里,发射器各自并联驱动四对双绞线。这意味着无法保证所需的最低逻辑电平。除了重负载外,在连接多根电缆的点还存在阻抗不匹配。阻抗失配再次意味着反射,因此意味着信号失真。

图 12.错误地使用多根双绞线的 RS-485 网络。
长存根
在图13中,电缆端接正确,发射器仅驱动一对双绞线。但是,接收器的连接点(短截线)过长。长短截线会导致明显的阻抗失配,从而导致反射。所有存根应尽可能短。


图 13.RS-485网络具有10英尺短截线(上)及其产生的波形(左),与短短截线(右)获得的波形相比。
审核编辑:郭婷
下一篇:LVDS发送芯片之输入与输出信号
从profibusDP转ModbusTCP,一网打尽转换技巧!