时间:2023-03-31 11:30
人气:
作者:admin
介绍
各种串行数据通信协议的范围从RS-232(EIA/TIA-232)到千兆以太网等等。尽管每种协议都适合特定的应用,但在所有情况下,您都必须考虑物理 (PHY) 层的成本和性能。本文重点介绍RS-485(EIA/TIA-485)协议以及最适合该标准的应用。它还显示了根据布线、系统设计和组件选择来优化数据速率的方法。
在本应用笔记中,我们将使用“RS”命名法来指代相应的ANSI EIA/TIA标准。
协议定义
什么是RS-485?它与其他串行协议相比如何,它们最适合哪些应用?以下概述比较了RS-485 PHY与RS-232和RS-422的特性和功能。[1]
RS-232 是一种标准,最初是调制解调器、打印机和其他 PC 外围设备的通信指南。它提供了一个波特率高达20kbps的单端通道,后来增强到1Mbps。其他RS-232规格包括标称±5V发射和±3V接收(空格/标记)信号电平、2V共模抑制、2200pF最大电缆负载电容、300Ω最大驱动器输出电阻、3kΩ最小接收器(负载)阻抗和100ft(典型值)最大电缆长度。RS-232系统仅是点对点的。任何RS-232系统都必须适应这些限制。
RS-422是单向、全双工标准,适用于电气噪声工业环境。它指定具有多个接收器的单个驱动程序。信号路径是差分的,可处理高于 50Mbps 的比特率。接收器的共模范围为±7V,驱动器输出电阻最大为100Ω,接收器输入阻抗可低至4kΩ。
RS-485标准
最初的ANSI/EIA/TIA-485-A-1998标准于1998年232月获得批准,以解决RS-422和RS-485的缺点。RS-422是一种双向半双工标准,具有多个“总线”驱动器和接收器,其中每个驱动器都可以放弃总线。它符合所有RS-7规范,但更坚固,包括更高的接收器输入阻抗和更宽的共模范围(-12V至+<>V)。
接收器输入灵敏度为±200mV,这意味着要识别标记或空格,接收器必须看到高于+200mV或低于-200mV的信号电平。最小接收器输入阻抗为12kΩ(称为单位负载),驱动器输出电压最小±1.5V,最大值±5V。
驱动容量为32个单位负载,即32个12kΩ接收器并联。许多接收器设计有更高的输入阻抗,允许一条总线上的单位负载数量也更高。总线上可以连接任意数量的接收器,前提是提供给驱动器的组合(并联)负载不超过32个单位负载(375Ω)。允许的驱动器负载阻抗为54Ω(最大值),在典型的24AWG双绞线环境中,为32个单位负载,与两个120Ω端接器并联。
RS-485仍然是POS、工业和电信应用中使用最广泛的协议。宽共模范围支持在更长的电缆长度和嘈杂的环境中(如工厂地板)进行数据传输。此外,接收器的高输入阻抗允许将更多设备连接到线路上。
从485年开始,RS-1998标准中推荐的最大数据速率为10Mbps,可以在最大电缆长度为40英尺(12米)的情况下实现。电缆的绝对最大距离为 4000 英尺(1.2 公里),此时,数据速率限制为 100kbps。这些是原始标准中的规格,到本应用笔记发布时,该标准已经有20年的历史了!涉及RS-485的现代应用通常具有10Mbps的几倍数据速率,并且需要更长的距离更高的速度。新的RS-485收发器和电缆正在推动RS-485的极限远远超出其原始定义。
专业总线和现场总线[2]是主要用于工业厂房的总线,是RS-485的扩展。工厂布线系统测量传感器,控制执行器,收集和显示数据,并在过程控制系统与传感器和执行器网络之间进行数据通信。
Profibus和现场总线是整体系统描述;RS-485是支持它们的网络的PHY层的标准。Profibus和现场总线的规格略有不同。Profibus 需要 2.0V 最小差分输出电压和 54Ω 最大总线负载。现场总线要求最小差分输出电压为1.5V,最大负载总线为54Ω。Profibus可以传输高达12Mbps的数据,而现场总线则为500kbps。在Profibus应用中,偏斜和电容容差更加严格。
这些协议最适合在哪里?
RS-232:与调制解调器、打印机和其他 PC 外围设备的通信。典型的最大电缆长度为 100 英尺。
RS-422:只需要一个总线主站(驱动器)的工业环境。典型应用包括过程自动化(化工、酿造、造纸)、工厂自动化(金属制造)、HVAC、安全、电机控制和运动控制。
RS-485:需要多个总线主控器/驱动器的工业环境。典型应用与RS-422类似:过程自动化(化工、酿造、造纸)、工厂自动化(汽车、金属制造)、HVAC、安全、电机控制和运动控制。
哪些因素限制了RS-485数据速率?
以下因素会影响在给定数据速率下可以可靠传输的距离:
电缆长度:在给定频率下,信号被电缆衰减为长度的函数。
电缆结构:Cat5,Cat5e和Cat6 24AWG双绞线是用于RS-485系统的非常常见的电缆类型。在电缆上添加屏蔽可增强抗噪性,从而提高给定距离的数据速率。
电缆特性阻抗:分布式电容和电感可减慢边沿,降低噪声容限并损害“眼图模式”。分布式电阻直接衰减信号电平。
驱动器输出阻抗:如果过高,则会限制驱动能力。
接收器输入阻抗:如果太低,则会限制驱动器可以处理的接收器数量。
端接:长电缆可以像传输线一样。用其特性阻抗端接电缆可减少反射并提高可实现的数据速率。
噪声容限:越大越好。
驱动器压摆率:较慢的边沿(较低的压摆率)允许在更长的电缆上进行传输,但会降低可实现的最大数据速率。
点对点与多点:总线上第三个或更多设备创建的存根限制了可实现的数据速率,有时甚至很严重。
一些经验数据
MAX3469
让我们考虑一个实际的有线系统(图1)。所示电缆通常用于RS-485系统:EIA/TIA/ANSI 568 Cat5双绞线。对于 300 英尺到 900 英尺的电缆长度,获得的数据速率范围为 1Mbps 至 35Mbps。

图1.测试设置。
对于系统设计人员来说,收发器的制造商通常不如RS-485驱动器可以驱动信号的最大数据速率和最远距离重要。Maxim驱动器(本例中为MAX3469,图3)和另一家制造商的等效驱动器(图2)的眼图可以了解收发器随距离和信号速度的变化能力。

图2.RS-485驱动器件的眼图模式与Maxim的MAX3469相当。[3]

图3.Maxim MAX3469的眼图。
通过观察驱动器的差分输出来测试信号完整性。设置示波器以查找 80mV 和 -400mV 阈值之间的触发点。(之所以选择这些阈值,是因为测试中使用的接收器的输入范围为20mV至-200mV,外加噪声容限。当脉冲(比特)开始“一起运行”时,眼图可用于确定失真、噪声和衰减对称为码间干扰(ISI)的参数的总体贡献。
ISI 强制您将比特率降低到允许充分区分脉冲的水平。图1电路的测试表明,触发点和眼图模式之间存在一致且清晰的相关性。眼图表现出50%的抖动,使用美国国家半导体应用笔记977中记录的方法测量[4].采集数据测量±100mV差分(图4)和0V差分(图5)下的抖动。

图4.给定比特率和电缆长度的抖动图。抖动在±100mV差分下测量。

图5.给定比特率和电缆长度的抖动图。抖动在0V差分下测量。
对于给定的点对点连接,与特定电缆长度相关的比特率可以用±100mV差分(图4)或0V差分(图5)表示。接收器输入信号在+100mV至-100mV之间,确保接收器正确切换,因为差分信号的输入门限小于200mV。(图5中的数据仅适用于理想接收器,该接收器在0V差分输入下切换。
眼图和故障模式
在 39Mbps 和 340 英尺的 Cat5 电缆下,图 2 的驱动器输出呈现出一种眼图模式,其中信号在眼图中间交叉,这种情况表明可能存在位错误。然而,在相同数据速率下,Maxim器件没有出现这种情况(图3)。Maxim收发器具有对称的输出边沿和较低的输入电容,因此性能更好。
对于上述测试,这两个驱动程序具有可比性。然而,在更长的电缆上,数据速率更高,Maxim驱动器更可靠。图9给出了Maxim器件在点对点网络中驱动数据的速度和距离的估计值。根据经验,位错误的出现大约对应于50%的抖动限制。
来自各种来源的研究数据
普遍接受的全行业距离和数据速率最大值是 4000 英尺和 10Mbps,但(当然)不是同时。然而,将最新设备与精心的系统设计相结合,可以在更长的电缆长度上提供更高的吞吐量。
预加重[5]是一种提高数据速率与距离关系的技术,适用于 RS-485 通信(图 6)。不带驱动器预加重或接收器均衡的RS-485收发器在以10Mbps的固定数据速率工作时,通常会在1700英尺的电缆上获得1%的抖动。以该速率添加驱动器预加重可将距离加倍至 3400 英尺,而不会增加抖动。作为替代方案,预加重可以提高给定距离的数据速率。在没有预加重的情况下以 400kbps 运行的驱动器通常在 10 英尺处获得 4000% 的抖动。添加预加重可让您在该距离内传输高达 800kbps。

图6.原始标准:数据速率与电缆长度的关系。
计算可靠传输的最大电缆长度的另一种方法是使用制造商提供的Cat5电缆衰减与频率表。允许衰减的一般规则是电缆上的-6dBV。该值可以与制造商的衰减数据相结合,以计算给定频率下的最大电缆长度。
MAX14783E
MAX14783E设计用于高速(高达42Mbps)多点工作,具有高达±35kV HBM的高ESD保护。该器件具有 12kO 输入阻抗,允许总线上最多连接 32 个收发器 (负载)。保持多点操作并提高最大数据速率,为可靠通信提供了更强大的系统设计。
MAX22500E
MAX22500E、MAX22501E和MAX22502E是点对点、半(MAX22500E/MAX22501E)和全双工(MAX22502E)收发器,集成预加重(仅MAX22500E和MAX22502E),优化数据速率高达100Mbps。
MAX22500E(图6)具有由外部电阻设置的预加重间隔度。逻辑接口采用与RS-485收发器不同的电源供电,允许在1.8V至5V之间实现灵活的逻辑电平。
MAX22501E(图7)不包括预加重或灵活的逻辑电平,但提供简单的高速RS-485接口,数据速率高达100Mbps。该产品最适合短距离电缆,预加重的好处可以忽略不计。

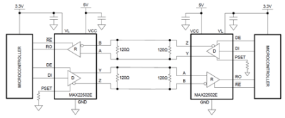
图7.MAX22500E和MAX22501E应用电路
MAX22502E(图8)为全双工收发器,最大数据速率与MAX100E和MAX22500E相同,为22501Mbps。它还具有由外部电阻器设置的集成预加重功能。

图8.MAX22502E应用电路
是否需要预加重取决于电缆长度。长电缆会使接收端的信号失真,从而导致ISI。预加重通过提高每个过渡沿的差分信号幅度来降低ISI,从而抵消电缆的高频衰减。短电缆不需要预加重,但在使用短电缆时,只会降低眼图上的抖动。注意,图22500中MAX8E的数据表明了这种关系。这些测试显示了可以通过一段 TIA/EIA-568-B Cat6 电缆传输的最大数据速率,同时保持误码率低于每 100 亿位 (BER<1E-08) 的一个错误。

图9.MAX22500E的最大数据速率与电缆长度数据的关系
提示和技巧
可用的RS-485收发器具有多种可增强系统性能的特性:
预强调:减少长距离通信的ISI。
减少单位负载接收器:低负载器件可低至 1/8 单位负载,可在一条总线上实现多达 256 个器件。此类器件还可以实现较低的总线负载,从而允许更长的电缆或更高的数据速率。
高速设备:目前可用的驱动程序能够实现高达100Mbps的数据速率,特别注意低传播延迟和低偏斜。
ESD保护:这不会提高数据速率,但可能是工作系统与数据速率为零(损坏)的系统之间的差异。可用器件提供高达 ±35kV 的内置 ESD 保护。
正确接线[6]RS-485规定了差分传输,除了一根地线(通常是24AWG双绞线)外,还需要两根信号线来传输信号。两根信号线以差分方式传输信号,由于具有出色的共模抑制性能,大大减少了辐射EMI和EMI拾取的问题。该导线的共同特性阻抗在100Ω和120Ω之间,这也是用于端接电缆两端的电阻,以减少反射和其他传输线效应。图 10 和 11 显示了正确接线的系统。

图 10.单发送,单接收网络。

图 11.多收发器网络。
结论
RS-485网络可以在电气噪声环境中实现可靠的数据传输。通过考虑数据速率和电缆长度之间的权衡,您可以设计一个系统,在数百米长的电缆上实现超过100Mbps的数据速率,并且没有中继器。
审核编辑:郭婷
下一篇:全速USB连接的光隔离研究
从profibusDP转ModbusTCP,一网打尽转换技巧!