时间:2023-03-31 11:40
人气:
作者:admin
中高速RS485网络 必须终止以避免 数据损坏的反射。这 表示放置了终端电阻 在公共汽车的两端。当然,如果 网络扩展或重新配置, 端接电阻必须 也搬家。3.3V LTC2854 和 LTC2855 收发器消除了 繁琐的随机终止任务 电阻。这些设备具有 集成终端电阻器 连接在接收器输入端 可以通过以下方式启用或禁用 输入的简单逻辑控制 引脚, 进行网络配置 并快速重新配置。这些 设备采用微型封装,并且 极其坚固,可承受静电放电 高达 ±25kV HBM 的冲击 (LTC2854) 在线 I/O 引脚 — 业界的 RS485 的最高防护等级 收发器。
LTC2854 的其他特性 LTC2855 包括一个接收器 平衡阈值,实现卓越 占空比性能,高输入 电阻允许多达 256 要连接到一条总线的设备, 和完整的故障保护输出。司机 提供低功耗操作,在 与接收器和 集成终端电阻,提供 单芯片阻抗匹配 网络解决方案。零件可用 半双工和全双工配置 采用微型封装,包括 10 和 12 引脚 DFN 以及 16 引脚 SSOP (见表1)。
| 部件号 | 双工 | 包 | ESD 在线 I/O (HBM) |
| LTC2854 | 半 | DNF-10 | ±25kV |
| LTC2855 | 满 | SSOP-16, DFN-12 | ±15kV |
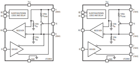
LTC2854 和 LTC2855如图2所示。

图2.LTC2854 和 LTC2855 的框图
可切换端接 差分信号向下传播 双绞线传输线是 阻抗时部分反射 遇到不匹配。这 反射信号引起建设性 和/或对 可能损坏数据的行。为了防止 此条件和优化系统 性能,传输线 应在两端终止 与特性相匹配的电阻器 电缆的阻抗。
LTC2854 和 LTC2855 收发器 集成此终止 电阻器,以便可以选择性地 仅通过控制来包含或排除 端接使能引脚 (TE)。电阻有效连接 接收器输入引脚两端 通过将 TE 设置为高电平并断开连接 当 TE 低电平或设备未通电时。 这种安排几乎是 从系统管理的角度来看是理想的选择,尤其是在条件下 其中网络配置 变化和端接电阻 需要移动到新的一端 巴士。在这种情况下,手动删除 和分立电阻器的放置 不是必需的;而是变化 通过适当的数字控制 在 LTC2854 或 LTC2855。
为了说明重要性 端接放置,考虑 图 3 中所示的配置,其中 网络扩展的效果是 提出。初始配置 由节点 1 和节点 2 组成,由 LTC2854 收发器与 200 英尺的 Cat 5 电缆。波形 在图的左下角显示 节点 2 接收到的信号,驱动 从节点 1。电缆的两端 通过设置 TE 终止 两个收发器上的引脚均为高电平。这 接收到的信号看起来很干净,因为 总线已正确终止。

图3.终端放置对网络扩展的影响
一个 阻抗失配小 电缆特性阻抗 100Ω和终端电阻 120Ω,导致 波形。这种影响很小,并且 图用于说明终止 LTC2854 中的电阻器和 LTC2855 与流行的 低成本 100Ω 电缆。
第二组波形上 图 3 底部显示了 向系统引入第三个节点 通过 100 英尺的附加电缆 但不移动终端 电阻到新的终端位置。这 节点 3 和节点 2 处的波形为 两者都因反射而严重扭曲 由不当终止引起的。 在第三组波形中, 端接放置已更正 通过在节点 1 处将 TE 设置为高电平 和仅 3,从而清理 节点 2 和 3 接收的信号。这 逻辑可选端接电阻 在 LTC2854 中允许此校正 无需物理干预 必填。
端接电阻良好 在整个温度范围内保持,常见 模式电压和频率(如 如图 4 所示)。此外 终端网络仅添加 微不足道的容性负载 接收器引脚。输入电容 在 LTC2855 的 A 和 B 引脚上,大约 9pF 测量到地面 和 3.5pF 差分。

图4.LTC2855 端接电阻与 (a) 温度、(b) 共模电压和 (c) 频率的关系。
平衡阈值接收器 带完全故障保护
LTC2854 和 LTC2855 的特性 低功耗接收器,可绘制 仅 450μA。单端输入 每个接收器输入端的接地电阻大于 96kΩ 当终止被禁用时。这 比要求高出八倍 TIA/EIA-485-A 中规定 标准,因此此接收器代表 八分之一单位负载。这 反过来,意味着 8× 标准 接收器数量,或总共 256 个,可以 无需加载即可连接到生产线 它超出了 标准。
接收器实现完全故障保护 在以下情况下驱动 RO 高位的设计 接收器的输入短路, 保持打开或终止(外部或 内部)但不驱动。
LTC2854 / LTC2855 接收器的一个关键要素是它使用 具有两个电压的窗口比较器 阈值在零附近平衡 出色的占空比性能。如 如图 5 所示,用于差分 从负信号接近 方向,阈值为+65mV。 当从积极接近时 方向,门限为 –65mV。 这些门限中的每一个都有 20mV 滞后(图中未显示)。 这种围绕 0V 的窗口保留了 占空比,用于小输入,重 边缘摆斜。此性能 如图 6 中突出显示,其中 信号通过 4000 英尺的 5e 类电缆速度为 3Mbps。顶级套装 迹线显示进入的信号 接收器在向下移动后 长电缆。中间的痕迹是区别 的前两个信号和 底部迹线是生成的波形 从接收器的RO引脚中出来。是的 清楚,即使差异 信号峰值略高于 ±100mV 和 严重摆动,输出保持 近乎完美的信号,几乎没有 占空比失真。

图5.接收器输入阈值特性

图6.3Mbps 信号从 4000 英尺的 Cat 5e 电缆上驱动。顶部迹线:通过电缆传输后接收的信号;中间迹线:显示顶部信号差异的数学运算;底部迹线:接收器输出。
很少有设备可以达到此级别 的性能,因为平衡 接收器阈值与 短路故障安全要求。其他 部件通常包括负极 接收器中的阈值使当 输入短路在一起(即0V 差分)接收器输出驱动 高,表示故障保护条件。 不幸的是,负偏移可以 导致严重的占空比失真 像这样的小而慢沿速率信号 如图 6 所示。
LTC2854 和 LTC2855 避免了 此问题通过使用一种方法来 检测短路故障保护情况 保持正常的信号完整性。 在正常操作中,两者 图 5 所示的阈值为 用于确定接收器输出 州。但是,如果接收器输入 保持在阈值之间以获得更多 大于约3μs,接收器输出 被驱动为高电平,反映了这种故障保护 条件。
司机
LTC2854 的差分驱动器 LTC2855 以高达 485兆字节。图 422 显示了干净的 边缘和出色的零交叉 以 20Mbps 运行的 LTC7 驱动器 输入 2854Ω 负载。图 20 显示了一个 54ns 脉冲(相当于 8 位 50Mbps) 通过 20 英尺传输 标准非屏蔽 Cat 100 电缆 并由第二个 LTC5 接收 收发器。

图7.LTC2854 驱动器以 20Mbps 的最大数据速率切换至 54Ω。A 和 B 是驱动器输出。

图8.LTC2854 驱动器通过 50ft 的 Cat 100 电缆提供单个 5ns 脉冲,该脉冲由另一根 LTC2854 接收。两款器件均启用片内端接。顶部迹线是发送设备的输入,中间和底部迹线在接收部分观察到。
驱动器输出具有电流限制 提供短路保护 电路到绝对值内的任何电压 最大范围 (V抄送–15V)至+15V,典型峰值电流 不超过180mA。此外 热关断保护禁用 驱动程序、接收器和终结器(如果) 功率耗散过大的原因 加热到温度的设备 160°C以上。 当温度升高时 降至 140°C 以下,正常工作 简历。
极端的静电放电保护
驱动器输出引脚和接收器 LTC2854 上的输入引脚受到保护 达到 ±25kV HBM 的静电放电水平 相对于接地或 V抄送.全双工 LTC2855 可承受 ±15kV 可持续发展教育。这些保护级别存在于 所有设备操作模式,包括 掉电、待机、接收、发送、 终止和所有组合 其中。此外,保护 级别是否有效,无论 V抄送打开,短路 接地或断开。
当线路 I/O 引脚上的 LTC2854 / LTC2855 受到 运行期间的ESD撞击,部分 经历持续时间短的干扰 类似于可持续发展教育事件和 然后完全恢复。该设备确实 不闩锁,也没有必要 切换状态或将电源循环至 恢复。无论零件是否如此,都是如此 处于静态状态或正在发送/接收 数据和整个地面范围 共模电压在 中标注 RS485标准。图中的照片 9 示出了 LTC2854 的吸收 来自ESD喷枪的能量(已配置 用于 IEC 空气排放)输送 对“A”引脚重复进行 30kV 冲击 在传输数据时。示波器 背景中的痕迹显示 数据在 A 和 B 上愉快地切换 罢工前后的销钉,带有 仅在ESD期间出现正毛刺 事件。该设备可以处理许多 这样的打击没有损坏。

图9.LTC2854 发送数据 (参见背景中的示波器走线),同时在“A”引脚上受到多个 30kV ESD 冲击。
结论
LTC2854 和 LTC2855 断开 3.3V世界的新天地 RS485/RS422 收发器。收录 可选端接 电阻器提供完整的解决方案 到RS485组网的能力 远程配置网络 实现最佳数据传输。无与伦比 ESD 性能提供 出色的坚固性,同时具有平衡阈值 接收器具有完整的 故障保护功能使该系列成为该系列 的小尺寸设备是自然的 现代 RS485/RS422 的选择 系统。
审核编辑:郭婷
上一篇:全速USB连接的光隔离研究
从profibusDP转ModbusTCP,一网打尽转换技巧!