时间:2023-01-10 10:39
人气:
作者:admin
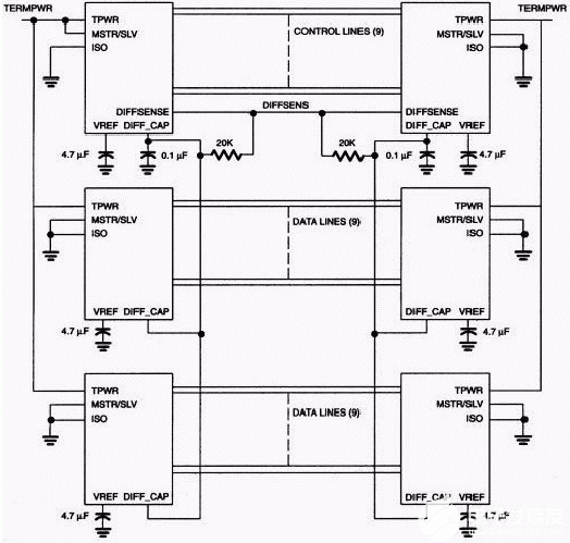
在典型应用中,SCSI设备采用菊花链连接,如图1所示。DIFFCAP 信号监控 DIFFSENS 线路,以确定设备的正确操作模式。DIFFSENSE引脚还可以驱动SCSI DIFFSENS线路(当MSTR/SLV = 1时)来确定SCSI总线操作模式。DS2117M、DS2118M、DS2119M和DS2120均根据器件功能做出相应的响应。由于DS2120为纯低压差分(LVD)器件,在单端(SE)和高压差分(HVD)模式下,它将端接引脚与总线隔离。DS2117M、DS2118M 和 DS2119M 是 SE/LVD 多模器件,仅在 HVD 模式下隔离 SCSI 总线。

图1.SCSI 总线典型配置。
备用配置
在这些器件内部,TPWR 和 MSTR/SLV 线路之间有一个 75kΩ 的内部上拉电阻。图2A显示了图1中未显示的现有内部上拉,该上拉电路未在多模和纯LVD器件的数据手册中显示。由于内部上拉,MSTR/SLV 线路可以连接高电平,如图 1 所示,也可以保持浮动,如图 2A 所示。通常,用户会将 MSTR/SLV 线路连接得很高,但这是可选的,不是必需的。

图2A. SCSI总线备用配置。

图 2B. SCSI 总线备用配置。
从图 1 中,您可以看到只有指定为主设备的设备连接为高电平 (MSTR/SLV = 1)。只有主设备配置为驱动 DIFFSENS 线路。从器件通过DIFFCAP引脚监视DIFFSENS线路。在典型配置中,MSTR/SLV 线路对于所有从设备都连接为低电平。但是,如图2A所示,通过使MSTR/SLV线浮动,影响可以忽略不计,因为没有一个从器件驱动DIFFSENS线,因此不控制模式选择。
总结
由于终端电源电压(TPWR)和MSTR/SLV之间存在内部上拉,DS2117M、DS2118M、DS2119M和DS2120器件可以如图1所示进行配置,也可以选择如图2A所示进行配置,SCSI器件的工作没有任何差异。
审核编辑:郭婷
从profibusDP转ModbusTCP,一网打尽转换技巧!