时间:2023-01-17 10:08
人气:
作者:admin
随着低成本竞争和对差异化产品日益增长的需求,工业市场的生存变得越来越艰难。与此同时,安全标准并没有变得更加宽松,要求越来越多的工业应用采用电流隔离,并受到光耦合器的相关处罚。这些处罚包括尺寸增加、功耗、电路板空间、元件数量和成本增加。
设计工程师如何平衡针对恶意突发和浪涌的竞争性要求、设计复杂性和成本,同时尽快进入市场以保持竞争力?人们可以简单地将一组光耦合器连接到现有的收发器,但这意味着成本、设计复杂性、元件数量和电路板空间都会增加。简单搜索“隔离式RS-485”、“隔离式RS-232”、“隔离式CAN”、“隔离I2C“或”隔离USB“揭示了许多基于数字隔离技术的完全集成的解决方案 - 隔离和收发器集成在单个封装中。有些甚至在同一封装中包含隔离电源,这进一步减小了系统的尺寸和成本。只有数字隔离器才能提供如此全面的这些解决方案,这意味着它们不会受到太多功耗的影响,因此它们应该适合现有的功率预算,而无需进一步重新设计。但是,必须小心,因为并非每个被列为“隔离”的解决方案都符合UL、CSA和VDE对基本和/或增强隔离的严格要求。
提供这些完全集成解决方案的设计师将被采购经理视为英雄。毕竟,采购经理会说,“只要使用我们已经购买的相同的东西。我不在乎它是否会增加成本“?
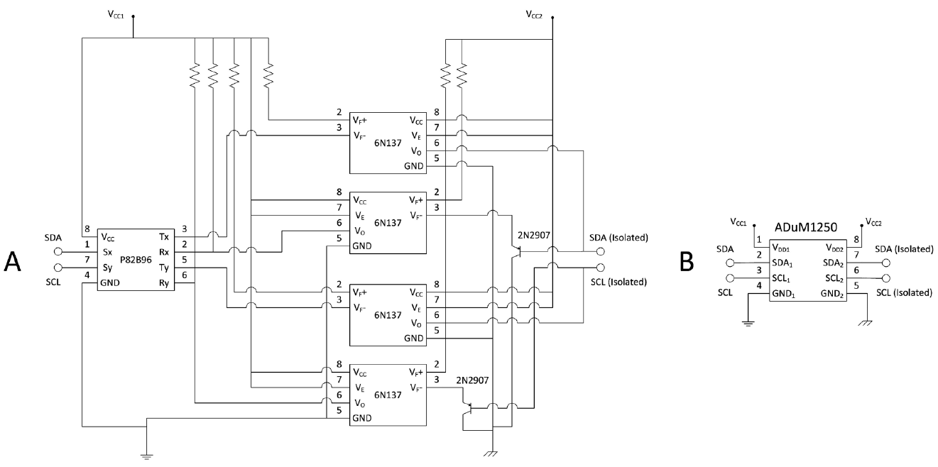
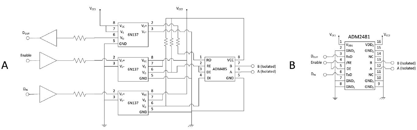
图1显示了隔离的不同方法I2C总线。图 1A 显示了如何使用 I 执行此操作2C缓冲器和四个光耦合器。图1B显示了如何使用单个IC执行此操作。图2显示了隔离RS-485的类似示例,单IC方法显然是采购经理的梦想:一个部件比两个部件便宜。我们甚至不会展示尝试使用分立元件隔离 USB 与单个隔离 USB IC 之间的戏剧性比较 — 页面上没有足够的空间!

图1.我2C缓冲器和4个光耦合器与单IC的比较(注意:为简单起见,省略了上拉电阻)。

图2.RS-485收发器和三个光耦合器与单IC的比较。
审核编辑:郭婷
从profibusDP转ModbusTCP,一网打尽转换技巧!