时间:2023-01-17 10:39
人气:
作者:admin
1-Wire总线在需要电气隔离的医疗设备中传感器和耗材的认证和校准中越来越受欢迎。本文以应用笔记4206“为嵌入式应用选择合适的1-Wire主机”为基础,介绍如何修改现有的1-Wire主机电路以实现电流隔离。除了经典的光隔离器外,近年来还开发了使用磁耦合和电容耦合的数字隔离器。本应用笔记介绍了这些技术和产品线,并识别和比较了适用于1-Wire主电路的隔离器。
介绍
当电力首次用于实际用途时,科学家们很快意识到安全对于成功利用这种形式的能源至关重要。最明显的安全措施是远离危险的电压。如果无法避免这种情况,用户必须将“火线”与其他对象隔离。随着时间的推移,更复杂的安全措施不断发展,其中最重要的是电气隔离:一种隔离屏障,将电气系统的功能部分分开,但允许能量和数据自由流动。在设备发生故障时,电气隔离可保护用户免受电气危害,同时保护设备免受接地回路、环境中的电气噪声和静电放电的影响。这对于医疗设备尤其重要,医疗设备必须符合 IEC 60601 技术标准,以保护患者、操作人员及其周围环境¹。由于其简单性,1-Wire器件在医疗领域越来越受欢迎,可提供传感器和耗材²的校准数据以及认证。®
典型1线主电路
构建1-Wire主机有多种方法。最适合隔离的是连接到微控制器或现场可编程门阵列(FPGA)的单向端口的电路,该端口用作主机处理器。附件可以像带有上拉电阻的晶体管或单片协议转换器一样简单。虽然在嵌入式应用中非常受欢迎且具有成本效益,但当需要隔离时,连接到双向端口的电路不太理想。添加隔离需要将双向总线拆分为正向路径和反向路径。为了防止从站响应零时后向路径锁存正向路径,要么需要在主机端接受毛刺,要么引入第二个低电平,该电平对于主机来说足够低,但太高而无法导致锁存。
本节中讨论的电路设计用于具有数字输入和输出的隔离器,这是新型隔离器产品的典型特征。低成本光隔离器的输入通常是发光二极管(LED)的阴极,晶体管的集电极开路用作输出。为了与低成本光隔离器配合使用,需要对电路进行相应的修改(例如,通过在输入路径中插入限流电阻,并使用施密特触发器/逆变器在输出端执行信号调理)。
单向端口电路
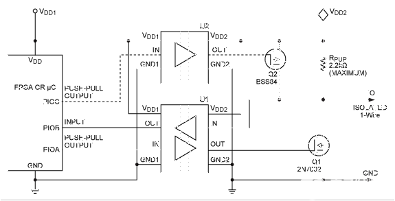
图1中的电路是一个简单的端口引脚连接到微控制器或作为主机处理器的FPGA。添加了隔离器 U1 和 U2。U1 隔离正向路径和后向路径。U2(如果已安装)允许激活Q2,以便向1-Wire从机提供额外的功率(“强上拉”)。除非隔离器增加100ns或更长的延迟,否则该电路适用于标准和过驱1-Wire速度。

图1.采用微控制器或FPGA作为主机处理器的隔离式1-Wire主控电路。
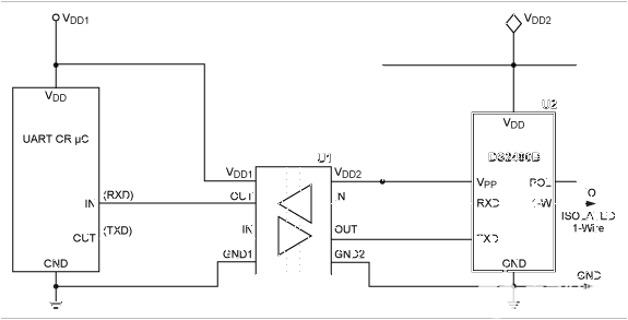
图2中的电路使用集成的RX/TX协议转换器。添加了隔离器U1,用于隔离正向路径和后向路径。所有时间关键型操作均由串行至1-Wire线路驱动器(如DS2480B)控制,最大数据速率限制为115.2kbps (8.68μs/bit)。因此,无论1-Wire速度如何,只要隔离器增加的信号延迟不超过1μs,就不是重要的。DS2480B的部分成本在为U1选择低成本光隔离器并相应地修改电路时可以收回。

图2.带有RX/TX协议转换器的隔离式1-Wire主控电路。
双向端口电路
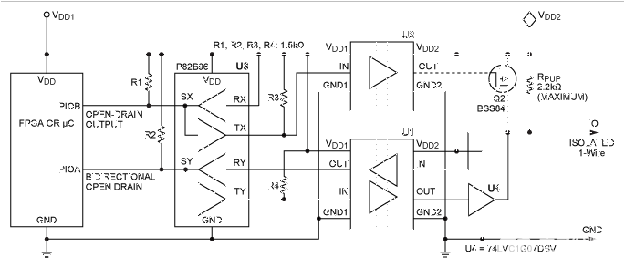
图3中的电路是一个简单的端口引脚连接到微控制器或作为主机处理器的FPGA。与图1相比,通信端口是双向的。增加了隔离器U1和U2、总线缓冲器U3、漏极开路驱动器U4以及电阻R2、R3和R4。U3的下部将PIOA的双向数据路径分为正向路径(U3的TY到U1的IN)和后向路径(U1的OUT到U3的RY)。同相驱动器U4将正向和反向路径连接到双向1-Wire总线。U3 的上部(SX 到 TX)将 PIOB 连接到 U2 的输入(正向路径)。不使用向后路径(RX 到 SX)。U2(如果已安装)允许激活Q2,以便向1-Wire从机提供额外的功率(“强上拉”)。请注意,总线缓冲器U3引入了明显的往返延迟(2 × ~250ns)。虽然在标准1-Wire速度下可以容忍,但在超速行驶时建议谨慎。P82B96专为I²C应用而设计。主机侧的电压电平(SY、PIOA)与I²C器件兼容,但对于1-Wire从机和集成式1-Wire主机来说,低电平过高。在考虑此电路之前,请验证 V 是否欧勒马克斯在 SY 与 V 兼容ILMAX在PIOA。PCA9600是P82B96的升级版;它具有一半的传播延迟和略微降低的V欧勒马克斯水平,但消耗更多电量。通常,图4中的电路是更好的选择。

图3.具有双向主机处理器端口的隔离式1-Wire主电路。
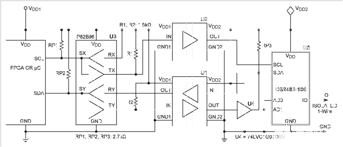
图4所示电路采用集成I²C至1-Wire协议转换器。增加了隔离器U1和U2、总线缓冲器U3、漏极开路驱动器U4以及电阻R1、R2和RP3。U3的下部将双向SDA路径分为正向路径(U3的TY到U1的IN)和后向路径(U1的OUT到U3的RY)。同相驱动器U4将正向和后向路径连接到双向隔离SDA。由于1-Wire主机U5不使用时钟延伸,因此SCL路径(Sx至U3的TX和U2的IN)是单向的。因此,允许将U2的推挽输出直接连接到协议转换器的SCL。所有时间关键型操作均由1-Wire主机控制,该主机支持高达400kHz的I²C时钟速率。因此,总线缓冲器和隔离器增加的信号延迟并不重要。由于总线缓冲器已经增加了2×~250ns,因此隔离器需要相当快,例如,每个方向的最大50ns。由于需求旺盛,I²C模块将总线缓冲器、隔离器和驱动器集成在单个SOIC封装中。

图4.隔离式1-Wire主控电路,内置I²C协议转换器。
隔离技术
经典的隔离装置是变压器,它仍然用于电源。变压器在相当有限的频率范围内工作良好。它们不能处理非常低的频率,因为控制系统需要它们。早期的光隔离器由手电筒灯泡和光相关电阻器(LDR)等简单光源构成,填补了这一空白。随着 1970 年代 LED 的出现,出现了新一代更快的光隔离器,其工作频率从直流电到每秒数千个脉冲。此后的技术进步改进了光隔离器,现在可以处理每秒超过1000万比特的数据速率。变压器的小型化和芯片级的发现导致了新型隔离器的速度,甚至更快。电容耦合在早期是不可行的,现在部署在一种新型隔离器中,该隔离器在小型SOIC封装中包含RF发射器和接收器。
在下面的讨论中,针对每种技术,确定了一家主要供应商。在可能的情况下,本文将介绍一款适用于2.5kV隔离的单通道和双通道器件,该器件适用于各供应商的1-Wire过驱速度。该信息最初于2011年8月根据制造商数据手册和应用笔记汇编而成。除了技术挑战之外,任何影响安全的事情都需要遵守特定国家/地区的法规。 安华高隔离电路监管指南³很好地介绍了这一问题。所有隔离器数据手册都列出了产品符合的证书。
经常(但并非总是)与安全相关的术语是“故障安全”。结合隔离器器件,一般的理解是,如果隔离器的输入没有电源,则“故障安全”与隔离器输出的状态有关。请务必查看产品数据手册以了解详细信息,并使用样品验证电路的行为。来自同一供应商的产品可能表现出不同的行为。在某些情况下,可以选择输入侧没有电源的器件,输出为高电平或低电平,具体取决于应用中的最佳效果。
光隔离(安华高科技)
基于LED和光电晶体管的光隔离器一直主导着市场,直到2000年代初引入竞争技术。表 1 显示了安华高 ACPL-077L 和 ACSL-7210 光隔离器的特征参数(前身为安捷伦,惠普分拆公司)。尽管光隔离器种类繁多,包括其他制造商的光隔离器,但很少有光隔离器具有真正的数字逻辑输入和输出,需要符合本文图1至图4中提供的原理图。
根据其工作方式,LED消耗的电流取决于逻辑状态也就不足为奇了。由于LED的光输出会随着时间的推移而变差,因此应在LED关闭的情况下选择空闲状态,这样可以最大程度地减少电流消耗并延长使用寿命。与其他技术相比,光隔离器需要相当高的工作电流。
| 参数 | 单通道 ACPL-077L | 双通道 ACSL-7210 | |
| 安全 | 最小隔离电压 | 3750V有效值 | 3750V有效值 |
| 最小瞬态电压(抗扰度) | 35kV/μs | 25kV/μs | |
| 证书 | UL1577, CSA #5, IEC/EN/DIN EN 60747-5-5 | UL1577, CSA #5, IEC/EN/DIN EN 60747-5-5 | |
| 免疫 | 对外部直流、交流磁场不敏感 | 对外部直流、交流磁场不敏感 | |
| 性能 | 最大数据速率 | 25兆字节 | 25兆字节 |
| 最大传播延迟 | 40纳秒 | 40纳秒 | |
| 最大脉冲宽度失真 | 6ns | 10ns | |
| 工作电压 (±10%) | 3.3V、5.0V | 3.3V、5.0V | |
| 最大静态电流 |
输入/输出低电平:8mA/2.5mA 输入/输出高电平:2mA/2.5mA |
输入/输出低电平:15mA/15mA 输入/输出高电平:5mA/5mA |
|
| 工作电流 | — | — | |
| 开机行为 | 概念保证正确的输出 | 概念保证正确的输出 | |
| 直流正确性 | 通过概念确保 | 通过概念确保 | |
| 资料来源:ACPL-072L 和 ACSL-7210 数据表(2013 年 9 月版) | |||
芯片级变压器(ADI公司)
2001年,ADI公司推出了i耦合器器件,这是一种基于集成在半导体衬底上的芯片级微变压器的隔离器。输入端的逻辑转换导致窄(~1ns)电流脉冲通过变压器发送到解码器。双稳态解码器由脉冲设置或复位,指示输入逻辑转换。在输入端没有超过~1μs的逻辑转换的情况下,正确的输出状态是通过一组周期性的刷新脉冲来实现的,这些脉冲指示输入状态。®
表2显示了ADuM3100A和ADuM3201B的特性参数。电流消耗远低于光隔离器,并且不依赖于输入的逻辑状态。一些iCoupler器件包括DC-DC转换器(iso电源技术),为另一侧提供隔离电源。特别方便的是I²C模块ADuM1250和ADuM1251,它们将图4中的U1、U2、U3和U4合并到一个封装中。®
| 参数 | 单通道ADuM3100A | 双通道ADuM3201B | |
| 安全 | 隔离电压 | 2500V有效值 | 2500V有效值 |
| 最小瞬态电压(抗扰度) | 25kV/μs | 25kV/μs | |
| 证书 | UL1577, CSA #5, VDE V 0884-10 | UL1577, CSA #5, VDE V 0884-10 | |
| 免疫 | 对外部直流磁场不敏感。有关交流磁场,请参见数据手册。 | 对外部直流磁场不敏感。有关交流磁场,请参见数据手册。 | |
| 性能 | 最大数据速率 | 25兆字节 | 10兆字节 |
| 最大传播延迟 | 3.3V 时为 28ns,5.0V 时更小 | 3.3V 时为 60ns,5.0V 时更小 | |
| 最大脉冲宽度失真 | 3.3V 时为 3ns,5.0V 时更小 | 4纳秒 | |
| 工作电压 (±10%) | 3.3V、5.0V | 3.3V、5.0V | |
| 最大静态电流 | 5.0V 时为 1.8mA/0.25mA,3.3V 时更少 | 5.0V 时为 1.4mA/1.4mA,3.3V 时更少 | |
| 工作电流 | 4.5mA/1.1mA(25Mbps 和 5.0V),3.3V 时更少 | 1.5mA/1.8mA(2Mbps 和 5.0V),3.3V 时更少 | |
| 开机行为 | 保证在 1μs 内正确输出 | 保证在 1μs 内正确输出 | |
| 直流正确性 | 通过设计确保 | 通过设计确保 | |
| 资料来源:ADuM3100A数据手册(2007年6月版)和ADuM3201B数据手册(2011年11月版)。 | |||
巨磁阻技术(NVE株式会社)
2002年,NVE公司推出了IsoLoop数字隔离器。输入端看起来与i耦合器相同,但接收器端不同。输入端的逻辑转换通过平面线圈转换为窄(~2.5ns)电流脉冲,在GMR惠斯通电桥周围产生磁场。根据磁场的方向,电桥使输出比较器根据输入信号的变化进行切换。一个内部刷新时钟可确保输入和输出在超过上电门限的电源电压的 9μs 内同步。安华高HCPL-90xx/09xx系列使用相同的技术。®
表 3 显示了 IL510 和 IL514 的特性参数。电流消耗与芯片级变压器产品相当。IL51x系列的隔离器不应与旧的IL71x系列产品混淆,后者没有内部刷新功能。
电容隔离(硅实验室)
硅实验室的ISOpro数字隔离器与光隔离器非常相似。它们使用打开或关闭的RF载波代替光,具体取决于输入信号。当输入状态为高电平时,发射器产生一个RF载波,该载波穿过电容隔离栅传播到接收器。如果检测到足够的带内载波能量,接收器在其输出端置位逻辑高电平。当输入状态为低电平时,发射器被禁用,并且不存在载波。因此,接收器未检测到带内载波能量,并将输出驱动为低电平。
表4显示了Si8410AB和Si8422AB的特性参数。电流消耗非常低,但与光隔离器一样,取决于输入信号的状态。默认输出状态(当输入端没有电源时)是固定的(高电平或低电平)或排序选项。特别方便的是I²C模块Si8400AB和Si8401AB,它们将图4中的U1、U2、U3和U4合并到一个封装中。
| 参数 | 单通道 IL510 | 双通道 IL514* | |
| 安全 | 隔离电压 | 2500V有效值 | 2500V有效值 |
| 最小瞬态电压(抗扰度) | 20kV/μs | 20kV/μs | |
| 证书 | UL1577, IEC 61010 | UL1577, IEC 61010 | |
| 免疫 | 取决于工作电压、频率和场方向;请参见数据手册。 | 取决于工作电压、频率和场方向;请参见数据手册。 | |
| 性能 | 最大数据速率 | 2兆字节 | 2兆字节 |
| 最大传播延迟 | 25纳秒 | 25纳秒 | |
| 最大脉冲宽度失真 | 10纳秒 | 10纳秒 | |
| 工作电压 (±10%) | 3.3V、5.0V | 3.3V、5.0V | |
| 最大静态电流 | 5.0V 时为 0.04mA/3mA,3.3V 时更少 | 5.0V 时为 3mA/6mA,3.3V 时更少 | |
| 工作电流 | 因数据速率而异,详细信息未指定。 | 因数据速率而异,详细信息未指定。 | |
| 开机行为 | 保证在 9μs 内正确输出 | 保证在 9μs 内正确输出 | |
| 直流正确性 | 通过设计确保 | 通过设计确保 | |
|
*IL514 包括 3 个通道,两个正向和一个后向。 资料来源:IL510 和 IL514 数据表(2011 年 6 月版)。 |
|||
| 参数 | 单通道 Si8410AB | 双通道 Si8422AB | |
| 安全 | 隔离电压 | 2500V有效值 | 2500V有效值 |
| 瞬态电压(抗扰度) | 25kV/μs (典型值) | 20kV/μs (最小值) | |
| 证书 | UL1577, CSA #5, IEC 60747-5-2 | UL1577, CSA #5, IEC 60747-5-2 | |
| 免疫 | 高电磁抗扰度 | 高电磁抗扰度 | |
| 性能 | 最大数据速率 | 1兆字节 | 1兆字节 |
| 最大传播延迟 | 35纳秒 | 35纳秒 | |
| 最大脉冲宽度失真 | 25纳秒 | 25纳秒 | |
| 工作电压 (±10%) | 3.3V、5.0V | 3.3V、5.0V | |
| 最大静态电流 | 2.7毫安/1.2毫安 | 5.6毫安/5.6毫安 | |
| 工作电流 | 2.0mA/1.4mA (最大值) (1Mbps) | 4.2mA/4.2mA (最大值) (1Mbps) | |
| 开机行为 | 保证在 40μs 内正确输出 | 保证在 40μs 内正确输出 | |
| 直流正确性 | 通过设计确保 | 通过设计确保 | |
| 资料来源:Si8410AB数据手册(2011年12月版)和Si8422AB数据手册(2011年8月版)。 | |||
电容隔离(德州仪器)
与Silicon Laboratories相比,德州仪器的数字隔离器使用2路径拓扑结构通过RF将输入信号传输到输出侧,从而以不同的方式处理慢速和快速信号。快速信号路径不编码,在单端至差分转换后跨势垒传输数据转换。慢信号路径首先以脉宽调制(PWM)格式对数据进行编码,然后进行差分传输,确保稳态条件下的精确通信。在隔离栅的另一侧,差分比较器接收逻辑转换信息,然后相应地设置或复位触发器和输出电路。定期更新脉冲穿过栅线发送,以确保输出的直流电平正确。如果超过4μs未接收到此直流刷新脉冲,则假定输入未上电或未被主动驱动,并且故障安全电路将输出驱动至默认状态。
表 5 显示了 ISO721 和 ISO7221C 的特性参数。工作电流相当高,与光隔离器相当,但与输入状态无关。默认输出状态(当输入没有电源时)为高电平。特别方便的是I²C模块ISO1540和ISO1541,它们将图4中的U1、U2、U3和U4合并到一个封装中。
| 参数 | 单通道ISO721认证 | 双通道 ISO7221C | |
| 安全 | 隔离电压 | 2500V有效值 | 2500V有效值 |
| 最小瞬态电压(抗扰度) | 25kV/μs (典型值) | 25kV/μs (最小值) | |
| 证书 | UL1577, CSA #5, IEC 60747-5-2 | UL1577, CSA #5, IEC 60747-5-2 | |
| 免疫 | 高电磁抗扰度 | 高电磁抗扰度 | |
| 性能 | 最大数据速率 | 100兆字节 | 25兆字节 |
| 最大传播延迟 | 3.3V 时为 30ns,5V 时更小 | 3.3V 时为 52ns,5V 时更小 | |
| 最大脉冲宽度失真 | 3.3V 时为 3ns,5V 时更少 | 3.3V 时为 3ns,5V 时更少 | |
| 工作电压 (±10%) | 3.3V、5.0V | 3.3V、5.0V | |
| 最大静态电流 | 5V 时为 1mA/12mA,3.3V 时更少 | 5V 时为 17mA/17mA,3.3V 时更少 | |
| 工作电流 | 25Mbps 和 5V 时为 4mA/14mA (最大值),3.3V 时更少 | 25Mbps 和 5V 时为 22mA/22mA (最大值),3.3V 时更少 | |
| 开机行为 | 未指定 | 未指定 | |
| 直流正确性 | 通过设计确保 | 通过设计确保 | |
| 资料来源:ISO721数据表(2011年12月版)和ISO7221C数据表(2011年9月版)。 | |||
结论
本文将介绍采用多家供应商数字隔离器的具有电气隔离功能的1-Wire主电路的拓扑结构。最适合隔离的是使用单独的单向端口进行1-Wire通信的主机处理器。1-Wire通信信号可以直接在软件控制下创建,也可以通过RX/TX转1-Wire转换器芯片创建。双向端口需要将信号分成正向和反向路径,然后通过单独的隔离器进行路由。得益于单封装I²C隔离模块和I²C-1-Wire协议转换器芯片,带I²C端口的主机处理器是一种可行的替代方案。
审核编辑:郭婷
从profibusDP转ModbusTCP,一网打尽转换技巧!