时间:2022-08-30 11:19
人气:
作者:admin
传统上,在分布式架构中,总线转换器提供隔离的中间总线电压,为系统板上的各种负载点 (POL) 稳压器供电。这种架构在许多应用中都很常见,包括 ATE、服务器、电信系统和工业控制。虽然使用隔离总线转换器有很多优点,但也有一些缺点。除了增加转换器的成本外,用于隔离的大功率变压器还会降低转换器的效率和功率密度。更重要的是,通常将多个低功率转换器并联以实现所需的高功率,从而导致成本更高、效率和功率密度更低,以及系统可靠性降低。
然而,有许多应用不需要或不需要这种电流隔离。汽车就是其中之一,特别是在汽车制造商采用 48 V 电池来保持足够能量的情况下。这 48 V 进一步转换为 12 V DC,为汽车中的多个电气系统供电。根据Vicor 的白皮书[1] “使用新型非隔离总线转换器重新构建 48 V 电源系统”,此应用中不需要隔离。
非隔离总线转换器可以工作的另一个应用是电信。Vicor 系统工程总监 Maurizio Salato 说,随着传统的 -48 V 系统现在被 +48 V 总线电压取代,在这个应用中,电池和电子功能之间不需要隔离。纸。
简而言之,在许多这些应用中,系统源电压都被很好地隔离了。因此,不需要另一层隔离。用非隔离式双向 DC/DC 总线转换器代替中间总线转换器可以同时通过双向启动和控制以低成本提高效率和密度。
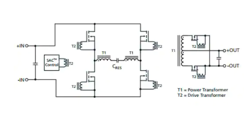
非隔离总线转换器
为了解决这个问题,Vicor 开发了非隔离、固定转换比的双向总线转换器模块 (NBM),该模块采用新颖的变压器设计和称为正弦振幅转换器 (SAC) 的专有拓扑结构。与具有电流隔离的传统变压器不同,Vicor 的自耦变压器减少了磁芯损耗并提供了更高的匝数比。传统上,总线转换器使用匝数比为 4:1 的隔离变压器。在 Vicor 的非隔离式设计中,通过正确配置绕组连接,将其重新配置为 5:1 自耦变压器,如图 1 所示。

图 1:相比之下,非隔离式自耦变压器提供更高的转换率。
该设计使用专有的基于变压器的串联谐振拓扑 SAC 在 NBM 模块中实现(图 2)。SAC 以固定频率工作,该频率等于初级侧储能电路的谐振频率。初级侧开关 FET 被锁定到初级的自然谐振频率,并在过零处进行开关,从而消除了开关中的功耗(提高了效率)并大大减少了高次谐波的产生(需要更少的滤波)。初级谐振回路中的电流是纯正弦而不是准正弦(如在前几代转换器中看到的)或方波(在更传统的硬开关转换器中看到)。这有助于大大降低谐波含量并提供更清晰的输出噪声频谱。最后,根据 Vicor‘

图 2:正弦振幅转换器 (SAC) 是 Vicor 专有的基于变压器的串联谐振拓扑。
图 3 显示了包含 SAC 的 NBM 的典型高级框图。“由于非隔离变压器设计与隔离变压器相比,部分初级侧电流直接流向次级,因此 NBM 将具有更高的输出电流/功率能力,然后是类似的隔离设计,”Ping 解释道。Ping 补充说,这种输出电流/功率的增加转化为非隔离变压器设计 NBM 的更低的美元/安培 ($/Watt) 成本。
NBM 的另一个好处是双向启动和控制。这意味着 NBM 可以启动并开始正向(降压方向)或反向(升压方向)的处理能力。例如,对于 K=1/5 NBM,可以在其输入侧施加 48 V 的输入电源,而 NBM 将在其输出端产生 9.6 V。此配置中的功率流将从输入流向输出。此外,还可以将 9.6 V 的电源施加到其输出端,NBM 将在其输入端产生 48 V 的电压。在这种情况下,NBM 将反向处理从输出到输入的功率。Vicor 产品营销总监 Jeremy Steddom 表示,无论电源流向如何,启用/禁用和温度监控等控制功能都将发挥作用。

图 3:Vicor 非隔离式双向总线转换器模块 (NBM) 的高级框图。
NBM 性能
根据 Steddom 的解释,双向总线转换器的一些优点是:
防止在大负载突降情况下可能发生的输出电压过冲
再生和/或电池备份应用
低压转低压输电应用[1]
在 NBM 模块中实施 SAC 以及自耦变压器技术,Vicor 已准备好NBM6123T60E12A7T0R,在 36 至 60 V 的初级电压下工作时可提供 2000 W 的功率。NBM6123 尺寸为 61 x 25.14 x 7.26 mm封装提供超过 98% 的峰值效率(图 4)和高达 3532 W/in 的前所未有的功率密度。3 。 对于需要 K = 1/3 的应用,制造商发布了初级电压范围为 36 至 46 V 的NBM6123T46C15A6T0R 。

图 4:相比之下,即使外壳温度很高,非隔离式 NBM 转换器也能提供更高的效率。此外,功率密度无与伦比。单击此处查看全尺寸图像。
根据 Ping 的说法,还有其他供应商提供可用于 NBM 应用的非隔离式转换器(通常基于降压拓扑)。然而,此类产品通常受到监管,其效率和输出功率能力大大低于 Vicor 的 NBM 产品。
上一篇:请问一下RPB是干啥用的
从profibusDP转ModbusTCP,一网打尽转换技巧!