时间:2022-08-03 17:50
人气:
作者:admin
作者:Richard Anslow
简介
ADI公司的iCoupler®数字隔离器和RS-485收发器产品系列解决了工业应用中的两大需求:更高的数据速率和更低功耗的工作模式。
对于高性能电机控制编码器应用而言,通常需要更高的数据速率、更小的RS-485收发器封装和IEC 61000-4-2 ESD保护。ADM3065E/ADM3066E 50 Mbps收发器采用节省空间的10引脚 LFCSP封装,可提供±12 kV(接触)和±12 kV(空气)的IEC 61000-4-2 ESD保护功能,为 EnDat编码器提供了一套可靠的解决方案(请参考AN-1397应用笔记了解更多 信息)。此外,在ADM3065E/ADM3066E 中添加高速稳定的信号和功率隔离可以通过 isoPower® ADuM6401或 isoPower ADuM6000 及 iCoupler ADuM241D来实现,如本应用笔记中所述。
在电池供电系统、井下应用(例如,采矿)以及在4 mA至20 mA环路中工作的过程控制系统中,往往对低功耗工作模式具有较高需求。ADI公司生产的微功耗数字隔离器ADuM1441在关断模式下的静态功耗低于23 μA。ADM3483 3.3 V、250 kbps RS-485收发器的静态功耗极低,关断模式下通常仅2 nA。
图1所示为适合井下应用稳定可靠的低功耗隔离式RS-485解决方案。ADM3483和ADuM1441共用可提供一条通往远程地下测量节点的可靠低功耗链路。系统接口卡包括ARM® Cortex® 微控制器单元(MCU)、ADuCM3027和集成模拟前端(AFE)AD7124-4,用于远程温度和压力测量。系统接口卡的固件更新通过远距离RS-485电缆提供,更新后能够在最长1 km的远距离内实现低数据速率传输(例如,9.6 kbps)。

图1.适合井下应用稳定可靠的低功耗隔离式RS-485解决方案
隔离式高速RS-485
利用iCoupler和isoPower技术,可以向ADM3065E中增添兼具加强绝缘和5 kV rms瞬态耐受电压的电流隔离。ADuM6401提供了所需的四通道5 kV rms信号隔离、最高25 Mbps的工作速率以及集成式DC/DC转换器。ADuM6401配合ADM3065E(如图2所示)需将VISO引脚配置为3.3 V,具体方法是将VSEL引脚连接到GNDISO引脚,并将5V电源连接到VDD1引脚。在3.3V电压下工作,即使数据速率达25 Mbps,也可以确保ADM3065E仍保持在ADuM6401的负载能力范围内。
利用ADuM241D四通道数字隔离器和ADuM6000隔离式DC/DC转换器,可以实现50 Mbps数据速率以及ADM3065E隔离,如图3所示。ADuM241D的数据速率最高可达150 Mbps,能够提供完全支持ADM3065E以50 Mbps数据速率工作所需的精确时序。
不过,以50 Mbps数据速率工作的前提是使ADM3065E工作在3.3 V电压下。
如果需要在5V电压下工作,可以将ADuM6000上的VSEL引脚连接到VISO,但支持的最大数据速率会降低(例如,<10 Mbps)。更多信息,请参考ADuM241D和ADuM6000数据手册。
ADuM6401和ADuM6000 isoPower器件中的DC/DC转换器可为ADM3065E(和ADuM241D)提供稳压隔离电源。这两款isoPower器件利用高频开关元件,通过变压器传输功率。用户必须遵循辐射标准进行印刷电路板(PCB)布局。如需PCB布局建议,请参考AN-0971应用笔记。

图2.信号和电源隔离的25 Mbps RS-485解决方案(简化图,未显示全部连接)

图3.信号和电源隔离的50 Mbps RS-485解决方案(简化图,未显示全部连接)
隔离式低功耗RS-485
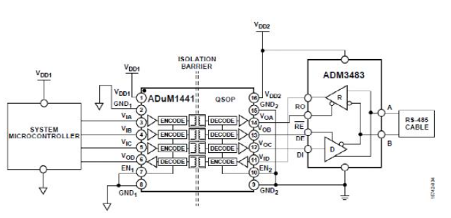
图4显示了ADuM1441微功耗、四通道、数字隔离器和ADM3483低功耗、半双工RS-485收发器的组合。
当ADM3483处于关断模式(驱动器使能DE引脚为低电平且接收器使能RE)引脚为高电平)时,静态电源电流通常仅为2 nA(最大规范值为1 μA)。如图4所示,ADuM1441的引脚7和引脚10分别连接至GND1和GND2。这意味着当ADuM1441隔离器处于无总线通信活动的关断模式时,其静态电流低于23 µA。总体来说,该解决方案的静态功耗低至24 µA以下。
如果ADuM1441的引脚7和引脚10分别直接连接到VDD1和VDD2,则ADuM1441的静态功耗仅1.2 µA。这可以通过PCB上的跳线连接来实现,用户可以选择将引脚7连接到VDD1或GND1,还可以选择将引脚10连接到VDD2或GND2。将ADuM1441中的1.2 μA静态功耗特性添加到ADM3483静态电源中,可实现一个在关断或待机模式下仅消耗2 μA电流的完全隔离式RS-485节点。为了确保隔离器正常工作,ADuM1441的引脚7和引脚10必须分别连接到GND1和GND2。

图4.低功耗、隔离式RS-485节点
从profibusDP转ModbusTCP,一网打尽转换技巧!