时间:2022-08-12 11:38
人气:
作者:admin
USB 是微控制器 (MCU) 和基于微处理器的系统中最普遍的接口之一。然而,USB 背后的技术思想始终更多地集中在易用性和兼容性上——换句话说,即插即用体验——而不是性能。新的 USB 3.0 标准最终提供了真正的高性能总线,最高速率为 5 Gbit/s,同时保持向后兼容性和所需的即插即用功能。随着支持 USB 3.0 的 IC 和组件不断涌入市场,设计团队应考虑为他们的项目增加对新风格的支持——无论他们是在通用主机或外围设备上工作,还是在专业嵌入式应用中依赖 USB。
USB 3.0 的案例在 PC 世界中是显而易见的。由于英特尔已在其最新的 Ivy Bridge 处理器和芯片组平台(称为第三代英特尔酷睿系列)中加入了 USB 3.0 端口,因此大多数新 PC 都将集成 USB 3.0 端口。如果您在 PC 主机领域工作,有许多添加 USB 支持的选项,我们将在稍后讨论。即使您选择的处理器不支持 USB 3.0,以及您的设计是针对 IT 用途还是嵌入式用途,您也应该考虑这种方法。随着更多 USB 3.0 外设进入市场,这种性能可能会派上用场。
如果您正在使用 USB 3.0 外围设备,那么您应该再次考虑 USB 3.0 支持。如果您正在使用 USB 性能成为瓶颈的面向存储或连接的设备,该建议尤其相关。
在嵌入式领域,USB 3.0 也将派上用场。许多嵌入式应用程序需要存储设备,例如传统磁盘驱动器,或者正在迅速普及的固态磁盘驱动器。USB 3.0 将在系统级别显着增强此类设备的性能。此外,USB 3.0 将支持更高保真度的传感设备,例如更高分辨率的摄像头,适用于从工厂车间的视觉检查到 UAV(无人驾驶飞行器)中的目标跟踪等应用。
USB 3.0 基础知识
在我们讨论可用于 USB 3.0 设计的支持组件之前,让我们快速讨论一下新功能。USB 1.1 是该接口的第一个出货版本,支持 1.5 Mbit/s 低速和 12 Mbit/s 全速模式。USB 2.0 在十多年前问世,并增加了 480 Mbit/s 高速模式。现在,USB 3.0 增加了 5 Gbit/s 超高速模式。
然而,USB 3.0 包含的接口技术转变比进化版本号上升可能暗示的要大得多。从本质上讲,USB 3.0 实际上是二合一的总线。USB 3.0 主机、集线器和外围设备将包括构成 USB 2.0 的传统信号。USB 3.0 实施添加了两对新的线对,用于传输全双工 5 Gbit/s 数据。USB 3.0 连接器可能看起来很熟悉,但它们隐藏了额外的信号引脚,当您将 USB 3.0 主机和设备配对时,这些引脚就会发挥作用。
USB 3.0 还克服了早期版本的基本性能限制。USB 1.1 和 2.0 依靠主机不断轮询所有连接的设备,以查看是否有任何外围设备有需要传输的数据。USB 3.0 添加了异步通知功能,允许外围设备在需要总线时向主机发送信号。
协议的变化在实现的性能和功耗方面都很重要。由于接口的轮询性质,USB 2.0 设备通常只提供大约 30% 的最大带宽。USB 实施者论坛表示,USB 3.0 应提供至少 3.2 Gbits/s 的速率,以系统级为特征。
新协议还意味着 USB 3.0 设备不必一直保持供电来响应主机轮询。在与 USB 3.0 主机和外围设备的链接中,外围设备可以进入并长时间保持低功耗状态。
当然,在 PC 世界中,我们很可能拥有 USB 3.0 和 USB 2.0 设备的混合环境。在某些情况下,这样的混合可能会妨碍 USB 3.0 优势的完全实现。但是,在嵌入式系统中,设计团队可能会确保独占使用 USB 3.0。这将允许设计既最大化性能又最小化功耗——嵌入式系统设计几乎总是要求。
USB 3.0 主机控制器
现在我们将继续讨论您可能会在 USB 3.0 系统设计中使用的可用 IC,从主机控制器开始。德州仪器 (TI)提供一对主机控制器 IC,即两端口TUSB7320RKMR和四端口USB7340RKMR(图 1)。这两款 IC 都依赖于与主机处理器的单通道 (x1) PCI Express (PCIe) Gen2 连接,并且在 USB 端无缝支持 USB 2.0 或 USB 3.0 下游设备。

图 1:TI USB7340RKMR 主机控制器 IC 将主机处理器与 PCIe Gen2 总线链接到 USB 3.0 或 USB 2.0 外设。
这些 IC 集成了 USB 主机控制器 (xHCI) 设计中通常需要的功能。该控制器包含一个默认配置,可与 USB 大容量存储类 (MSC)、人机接口设备 (HID) 和通信设备类 (CDC) 外围设备一起使用。如果您需要支持自定义外设,可以选择添加串行闪存。IC 在内部生成所需的扩频调制,以实现更快的 USB 3.0 数据传输。
您可以使用任何包含 PCIe Gen2 扩展总线的主机处理器轻松部署 TI 控制器 IC。许多这样的应用程序将在基于 x86 处理器和 PC 架构的系统中,无论手头的应用程序是嵌入式的还是以 IT 为中心的。然而,TI 表示,它希望控制器 IC 能够在机顶盒、游戏机和智能电视等应用中找到用途。USB 3.0 设备的更大带宽使总线能够在此类应用中处理高清视频流。
外设控制器 IC
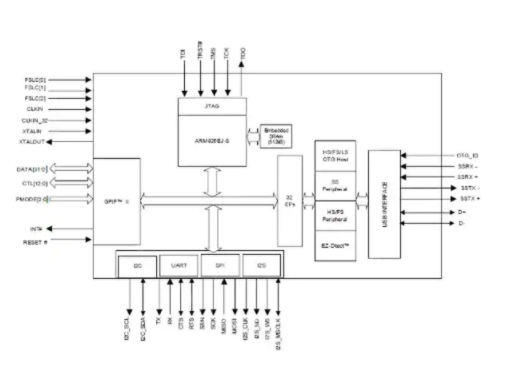
转到链路的外设方面,赛普拉斯半导体是率先推出 USB 3.0 芯片的公司之一。CYUSB3014 -BZXIUSB 3.0 外围控制器 IC 集成了一个支持高达 200 MHz 时钟速度的 ARM926EJ 内核。您还会看到赛普拉斯将 IC 称为 EZ-USB FX3。
图 2 包括赛普拉斯 IC 的框图。有多种方法可以将外部组件连接到外围控制器 IC。正如您在框图底部看到的那样,IC 包括许多串行接口。UART 以 4 Mbits/s 的速度运行。I²C 接口的最大工作频率为 1 MHz。串行外设控制器 (SPI) 接口的最大运行频率为 33 MHz。I²S 以音频为中心的接口仅用于传输,并支持高达 48 kHz 的采样率。

图 2:赛普拉斯在其 CYUSB3014-BZXI USB 3.0 外围控制器 IC 上集成了一个 ARM9 内核和许多典型的 MCU 串行接口。
赛普拉斯还集成了它所谓的通用可编程接口 (GPIF II),它支持 8 至 32 位并行连接,时钟速率高达 100 MHz。名称中的 II 指示符反映该接口是赛普拉斯在 USB 2.0 外围控制器 IC 上使用的 GPIF 实现的下一代版本。事实上,以前使用 GPF 并为接口开发外部电路的设计团队应该能够重用该工作。赛普拉斯还提供 GPIF II 设计器工具,允许您配置片上状态机,以支持与外部设备(如紧凑型闪存设备)的标准和专有接口。
集成的 ARM 内核将能够处理许多 USB 3.0 外围应用,而无需额外的 MCU 或微处理器。该 IC 集成了 512 KB 的 SRAM 存储器以及数据和代码缓存。您可以通过 USB、I²C、SPI 或 GPIF II 启动处理器。这种灵活性意味着引导代码可以存储在各种设备中,从低成本串行闪存到磁盘驱动器,再到连接到辅助处理器的存储器。当您的应用需要辅助处理器时,您可以轻松地将 MCU 连接到主模式或从模式的 GPIF II,并且您可以以相同的方式支持外部存储器。
赛普拉斯表示,外围控制器非常适合下一代 USB 3.0 外围设备,例如视频和静态相机、打印机和扫描仪——所有这些都需要传输富媒体流。该公司还确定了许多专业嵌入式应用,例如医学成像、机器视觉和监控,其中 USB 3.0 将实现更高水平的图像保真度。
特定于应用的 SOC
USB 3.0 的性能潜力肯定会很快带来广泛的特定于应用的 SOC 设备的选择。虽然这项技术肯定很年轻,但首批此类 SOC 正在上市,例如 TI 的TUSB9261PVPUSB 3.0 转 SATA-II 桥接 IC。您可以使用该 IC 快速设计产品,例如连接 USB 3.0 的外部磁盘驱动器。更复杂的应用包括集成磁性或固态存储的便携式媒体播放器。
图 3 描绘了 IC 架构。TI 基于 ARM® Cortex-M3 内核的 IC。本质上,该设备是一个特定应用的 MCU。它集成了内存和大量 I/O 功能,包括 USB 3.0 和 SATA II。设备首先尝试通过 USB 3.0 连接到主机。如果在训练序列超时后该连接失败,则 IC 将以主机支持的最大速度启用 USB 2.0 连接。

图 3:TI TUSB9261PVP 基于 ARM Cortex-M3 提供 USB 3.0 和 SATA II 之间的桥梁,可以处理集成大容量存储的便携式媒体播放器等应用。
实际上,设计团队可以在任何适合这些功能的应用中使用 TTUSB9261PVP。虽然 TI 为外部磁盘驱动器等应用提供内置支持,但设计团队确实有能力对 Cortex-M3 进行编程。您可以通过 SPI 连接的内存将自定义代码加载到内核中。
USB 3.0 集线器 IC 是应用特定功能的另一个示例。与早期版本的 USB 一样,集线器是总线分层星形拓扑的构建块。TI 为此类应用提供了TUSB8040PFP USB 3.0 4 端口集线器 IC。该 IC 本质上集成了一个 USB 2.0 集线器和一个 USB 3.0 集线器。它支持上游到主机和下游到外围设备的任一接口版本。
图 4 显示了集线器 IC 的多功能性。您可以看到该设计如何无缝支持下游的 USB 1.1 设备。此外,系统可以包含 USB 2.0 和 USB 3.0 集线器以及设备的混合。

图 4:诸如 TI TUSB8040PFP 之类的 USB 3.0 集线器 IC 必须同时包含 USB 2.0 和 USB 3.0 集线器功能,以实现与基于任何类型的普遍 USB 标准的设备的上游和下游连接。
我们也开始看到其他支持 USB 3.0 设计的 IC 出现,最终简化了交付子系统和系统级产品的任务。例如,Pericom提供PIEQX7741/42 USB 3.0 线路驱动器 IC。这些 IC 也称为 ReDrivers,包括可编程均衡器,可确保产品能够在 3 m 最大电缆长度上进行 USB 3.0 连接。Pericom IC 支持两个 USB 3.0 端口所需的两个信号对。
同样,TI 在SN65LVPE502RGER USB 3.0 线路驱动器 IC 中提供 ReDriver 功能。该 IC 处理单个 USB 3.0 端口并提供可编程均衡、去加重和输出摆幅控制。
连接器、电缆和集线器
在介绍了 IC 空间之后,我们应该在结束之前讨论实际 USB 3.0 设计所需的其他组件。您可能会认为连接器和电缆等元素的技术含量相对较低,几乎不值得细细看,但在 USB 3.0 之后,连接器和电缆的情况发生了很大变化。请记住,正如我们前面所讨论的,USB 3.0 实际上是两个接口合二为一。如果不专门使用为新标准设计的连接器,您将无法获得 USB 3.0 的好处。
TE Connectivity 为我们提供了一个很好的例子,因为该公司提供您在系统中可能需要的大部分连接器。USB 链接的主机端使用我们最熟悉的纤薄 USB 连接器,例如 USB 鼠标上的连接器。该连接器称为 A 型连接器。对于此类链路的主机端,TE Connectivity提供1932258-1 USB 3.0 A 型插座,该插座通常焊接在 PCB 上(图 5)。1932355-1 USB 3.0 堆叠式2 端口 A 型插座提供两个用于双端口实施的插座。
对于主机连接的电缆端,TE Connectivity 提供1932266-1 USB 3.0 插头。USB 外围设备(例如外部磁盘驱动器)使用不同类型的连接器,称为 B 型连接器。TE Connectivity 为此类产品提供1932259-1 USB 3.0 B 型插座。
许多其他公司提供各种配置的 USB 3.0 连接器。该列表包括来自Amphenol、Assmann WSW Components、CNC Tech、EDAC、Hirose Electric、JAE Electronics和Würth Electronics的可用产品。
几个来源提供 USB 3.0 电缆,包括伍尔特。CNC Tech 提供USB 3.0 A 型到 A 型电缆和USB 3.0 A 型到 B 型电缆。
支持 USB 3.0 的集线器可能很快就会广泛使用。如果您需要在您的开发项目中使用,Assmann WSW Components 提供DA-70230-1 USB 3.0 4 端口集线器。
结论
好消息是,尽管 USB 3.0 的开发过程很漫长,但您没有理由不为您的下一个设计考虑该技术。事实上,该技术对于嵌入式专业系统可能比对于 PC 世界更有价值。USB 3.0 可以有效地将保真度更高的外围设备连接到系统,例如可能针对空中监视或医疗应用的高清摄像机。如果您可以在一个系统中使用所有 USB 3.0 设备,您将实现比使用 USB 2.0 更低的系统功耗。目前,USB 3.0 的成本可能会高一些,但对于需要这种性能的应用程序来说,您可以得到更快的传输速率。
从profibusDP转ModbusTCP,一网打尽转换技巧!