时间:2022-05-20 14:43
人气:
作者:admin
VL830是VLA的一颗在符合USB4规范的芯片,支持USB4的全40Gbps带宽,并提供USB3.2和DisplayPort功能同输入输出功能。

VL830当与Thunderbolt™4或USB4系统一起使用时可发挥全部性能,并与系统向下兼容支持DisplayPort Alternate Mode over USB Type-C。 VL830具有高度集成的设计,内置USB 3.2 SuperSpeed USB 10Gbps Hub, USB 2.0 Hub with Multiple Transaction Translator支持,DisplayPort 1.4输出,最大支持4 lane HBR3 (32.4 Gbit/s)。 向下对USB超高速(10Gbps),超高速(5Gbps),高速(480Mbps),全速(12Mbps),低速(1.5Mbps) 设备支持。

当与支持的PD一起使用时,VL830还具有可选的可配置USB设备控制器,如VL10x系列,和一个可选配置的USB HID端点,以支持按钮功能。VL830采用10x10x1.03 mm芯片规模封装, 两个下游USB端口还集成了10Gbps的muxes,以节省和改善电路板面积信号完整性的数据只有USB Type-C应用程序。

VL830需要使用一个外部USB PD控制器USB Type-C上游和下游接口。 如果与VL10X系列USB PD控制器配套,VL830可以共用一个SPI闪存和提供改进的集成,而不消耗额外的USB端口。VL830具有灵活的固件架构,在线更新外,还提供自定义功能框架。 各种各样的参数包括USB配置,PD配置,Tx均衡设置,GPIO行为通过固件。

VL830还具有可选配置的USB充电控制器,用于充电各种设备,如智能手机和平板电脑可以配置在每个端口的基础上。

简述常用的规范协议兼容
一:USB规范兼容的
-符合通用串行总线4规范
-支持Gen 2和Gen 3操作(20Gbps和40Gbps)
—支持USB和DisplayPort Tunneling
-符合通用串行总线3.2规范
-满足所有USB 3.2 ECN和合规测试更新到目前为止
-符合通用串行总线2.0规范
—集成USB 2.0 Hub支持MTT
二:显示接口规范兼容的
—支持DisplayPort 1.4a版本
- 1x专用DP输出
—支持DisplayPort alternate mode (Sink)
—1.62Gbps/2.7Gbps/5.4Gbps/8.1Gbps信号速率
- 2ln / 4ln固件可配置
三:USB功能
-集成USB 3.2 SuperSpeed 10Gbps Hub
-支持5x DFP (4x USB SS, 1x USB HS)
集成USB广告牌类1.2.2设备
—作为USB2虚拟设备实现
—支持USB PD控制器(如vl10x系列PD控制器)
—支持USB升级固件

四: USB电池充电支持
—支持USB电池充电规格v1.2 (SDP、CDP、DCP)
-支持供应商特定的收费模式。 苹果2.4A、三星等。
—支持YD/T 1591-2009
—系统处于“挂起”、“关闭”或“断开连接”状态时,支持单机充电
-任何组合的dfp可以配置支持USB电池充电

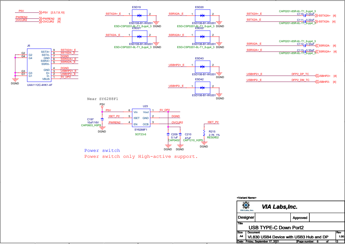
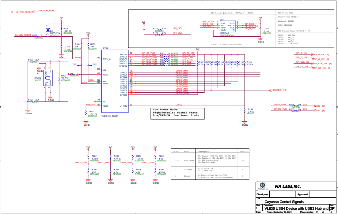
关于PCB设计细节,可留言沟通。更多其他信息,请后续更新。
审核编辑:汤梓红
从profibusDP转ModbusTCP,一网打尽转换技巧!