时间:2021-12-10 09:19
人气:
作者:admin
概述
泰盛广场位于临沂传统商业中心位置,坐落于临沂市兰山区通达路与解放路交汇处,天然立于临沂城市消费的核心区位,是集购物中心、酒店公寓、娱乐休闲、商务办公为一体的大型城市综合体。项目总占地面积为 4.8万㎡,总建筑面积27万㎡。项目商业总建筑面积约16万㎡。项目规划业态丰富,品类齐全,全力打造临沂地标中心。 项目定位为“畅享新的生活方式”,致力于为市民提供全新的商业体验,项目规划业态丰富,品类齐全,其中主力商家包括精品生活超市、星级影院、大型真冰溜冰场、儿童主题购物/游乐、国际快时尚、大型特色餐饮、时尚生活集市、文创街区、篮球运动馆、攀岩体验等等。
本项目为临沂泰盛广场的商业用户设计一套智能用电计量管理系统,该系统针对商户用电的性质,实现商户用电的智能化管理,为保证商户用电的独立性和安全性,应采用一户一表的方案,配置安科瑞终端预付费电能计量表计DTSY1352-NK、DDSY1352- NK来独立计量每个商业用户的用电量。通讯管理机通过RS-485总线采集所有终端电能计量仪表的数据。通讯管理机将数据通过由光纤组成的专用网络将数据传输至中心管理计算机。系统管理软件对数据进行存储、处理,形成物业管理方需要的图形、文字等形式的文件,以此实现整个广场商户用电的智能化管理。
1 参考标准
ISO/IEC11801 《国际综合布线标准》
GB/50198 《监控系统工程技术规范》
GB50052-2009 《供配电系统设计规范》
GB50054-2011 《低压配电设计规范》
IEC 61587 《电子设备机械结构系列》
DL/T448-2000 《电能计量装置技术管理规程》
DL/T 698.1-2009 《第1部分:总则》
DL/T 698.2-2010 《第2部分:主站技术规范》
DL/T 698.31-2010 《第3.1部分:电能信息采集终端技术规范-通用要求》
DL/T/814-2002 《配电自动化系统功能规范》
DL/T5137-2001 《电测量及电能计量装置设计技术规程》
GB2887 《计算站场地技术条件》
GB/T18460.3 《IC卡预付费售电系统 第3部分:预付费电度表》
2 系统方案
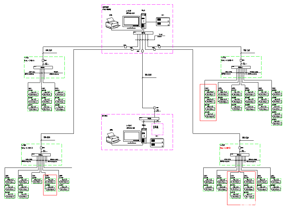
安科瑞Acrel-3200远程预付费电能管理系统根据临沂泰盛广场实际情况进行组网设计,对楼层租户加装远程预付费电度表,采用就地组网,在后台服务器位置放置一台采集器,远程预付费电度表通过手拉手方式接入采集器。整体网络结构如下图所示:站控管理层、网络通讯层和现场设备层。

现场设备层主要为:远程预付费电度表。这些装置分别对应相应的一次设备安装在电气柜内,这些装置均采用RS485通讯接口,通过现场MODBUS总线组网通讯,实现数据现场采集。
网络通讯层主要为:通讯管理机,其主要功能为把分散在现场采集装置集中采集,同时传至站控层,完成现场层和站控层之间的数据交互。
站控管理层:设有高性能工业服务器、显示器、UPS电源、打印机等设备。监控系统安装在服务器上,集中采集显示现场设备运行状况,以人机交互的形式显示给用户。
智能仪表现场连接示意
现场智能装置(远程预付费电度表)以手拉手方式通过屏蔽双绞线(RVVSP2*1.0)进行通讯连接,每根总线连接智能仪表数量在32只以内,不同种类的智能装置连接在不同的总线上,然后将数据上传至采集器,进而将数据上传至监控主机。具体连接示意图如下所示:

3 系统功能
整个系统软件设计分为三个大块,分别是集中抄表服务系统,远程预付费电能管理系统,以及用户查询系统。
集中抄表服务程序常年运行,不间断定时对所有表进行远程抄表;远程预付费系统包含所有开户、售电、遥控及报表功能;用户查询机系统用于租户查询个人信息、充值和用电情况;另外还可配置手机端查询网站,可用于租户在手机网站终端上实时查询个人信息、充值、远程控制及每日用电情况,如果条件满足,还支持用户使用支付宝银联等方式远程自助购电。
主要特点如下:
u 快速配置,即装即用:将电表和通讯管理机配置导入系统就可以使用;
u 远程集中抄表:免去人工抄表,电表状态实时性最高可精确到3分钟以内;
u 支持单独计价、阶梯电价:可对每块电表单独设置电价和阶梯电价;
u 远程售电:财务集中管理,电量实时下发,并比对充值次数防止作弊;
u 数据安全:网络数据传输采用金融级的3DES加密算法,防止数据作弊窃电;
u 手机短信提醒:当金额不足或金额欠费,共三级预警,都可及时短信通知商户;
u 远程控制:可对任意一块电表执行远程拉闸或保电等一系列远程控制操作,方便管理;
u 能耗分析及查询:用户和管理员都可查询预付费表或各类接入的计量仪表每天的用能状况;
u 个人手机查询网站:支持手机端用户自主购电,自主查询。
传统的IC卡预付费售电管理系统实现了先交费后用电的管理模式,但由于抄收电表数据依赖于购电卡,用户用电数据滞后于发生时间,不仅需要人工抄表,也无法有效进行用电管理、监控和实时控制。
利用远程预付费电能管理系统,无需IC卡,可以实现计算机远程集中抄表、实时监控、远程充值和远程控制,再通过预警信息和短信通知,以及手机网站,物管部门即可完成整个抄表、收费、控制和核查工作,实现高度信息化和自动化,大大提高用电营销管理效率和水平,节约人力物力的同时,也提高了经济效益,同时还具有防信息泄露防窃电的安全功能。
①集中抄表服务系统
集中抄表服务程序包含三大模块,除了常年运行的定时对所有仪表进行集中远程抄表以外,还集成了报警短信发送服务,能将电费金额预警和欠费预警自动生成手机短信自发送给对应的租户,该功能需要与硬件短信猫配合使用。
系统默认半小时对所有表进行一次远程集中抄表,时间间隔支持个性化配置。
|
集抄服务 |
1
|
集抄服务 |
定时将所有表状态进行集中远程抄读,使用Socket三重DES加密技术,稳定可靠安全 |
|
|
2 |
报警短信发送服务 |
低于报警金额和欠费的用户表,自动生成短信告知用户 |
|
|
3 |
数据转存服务 |
历史数据转存,提高数据库工作效率 |

②远程预付费电能管理系统
本系统分为五大模块,分别是操作员登陆模块、系统配置模块、用户(租户)管理模块、售电管理模块、报表中心模块,系统大致运行和操作流程如下:

本系统所有的报表及记录查询,都支持excel格式导出的功能。
1.登陆管理:管理操作员账户及权限分配,查看系统日志等功能;
2.系统设置:对建筑、通讯管理机、仪表及默认参数进行配置;
3.用户管理:对租户执行开户、销户、远程分合闸、抄表导出及记录查询等操作;
4.售电管理:对已开户的表进行远程售电、退电、冲正及记录查询等操作;
5.报表中心:提供售电财务报表、用能报表、报警报表等查询。
|
登 陆 管 理 |
1. |
重新登陆 |
重新登陆售电系统 |
|
2. |
操作员管理 |
可以对操作员进行管理 |
|
|
3. |
权限管理 |
给操作员分配不同的权限 |
|
|
4. |
操作日志查看 |
查看操作员操作日志 |
|
|
5. |
修改操作员密码 |
修改操作员密码 |
|
|
系 统 设 置 |
6. |
建筑群设置 |
此功能用于维护拥有一个或多个用电单元的集合,如以大楼为集合的单位 |
|
7. |
通讯管理机设置 |
用于维护所有通讯管理机的信息 |
|
|
8. |
仪表设置户号设置 |
用于维护所有仪表的信息,支持批量导入 |
|
|
9. |
户号设置 |
维护租户号的信息 |
|
|
10. |
默认参数设置 |
一些常用参数的默认设置,主要包括“默认功率阈值”、“集抄时间间隔”、“默认报警金额”、“默认电价”、“囤积金额上限”、“报警短信号码” |
|
|
客 户 管 理 |
11. |
开户 |
对用户信息的维护,对表进行开户操作,支持老表金额转入,支持一户多表,支持用户开户后加表 |
|
12. |
开户查询 |
查询当前所有已开户的记录 |
|
|
13. |
销户 |
用户销户,销户后,用户下挂靠的所有表都会执行销户动作,系统自动产生销户记录 |
|
|
14. |
销户查询 |
查询历史销户记录 |
|
|
15. |
批量操作 |
1) 查询所有仪表状态,包括剩余金额,分合闸状态、报警信息等; 2) 电价下发操作; 3) 设置下发操作; 4) 保电、费控开启、直接拉闸操作; 5) 对所有表实时状态导出为XLS。 |
|
|
16. |
抄表历史记录查询 |
提供单表抄表历史记录查询 |
|
|
售 电 管 理 |
17. |
售电 |
对已开户的用户表售电,支持单据打印,自动生成售电记录 |
|
18. |
售电查询 |
售电记录查询 |
|
|
19. |
退电 |
对已开户的用户表退电 |
|
|
20. |
退电查询 |
退电记录查询 |
|
|
21. |
冲正 |
售电退电时误操作后执行修复冲正操作 |
|
|
报 表 中 心 |
22. |
实时报警记录报表 |
统计查询实时报警记录 |
|
23. |
日销售报表 |
查询按日结算的财务报表 |
|
|
24. |
月销售报表 |
查询按月结算的财务报表 |
|
|
25. |
年销售报表 |
查询按年结算的财务报表 |
|
|
26. |
失联表查询报表 |
失去联系的表查询 |
|
|
27. |
失联通讯管理机报表 |
失去联系的通讯管理机查询 |
|
|
28. |
能耗分析报表 |
通过选择日期段、查询的地理位置(按楼、层或户号)进行用电能耗的按天查询 |
|
|
29. |
计量仪表能耗查询 |
可对接入的各类我司的其他计量仪表如(ACR/PZ/DTSF等)根据时间段、计量回路等条件产生的能耗差值,以及远程抄表值查询 |
|
|
30. |
报警记录查询 |
查询历史报警记录 |
系统针对租户开户不仅支持一户一表,也支持一户挂多表的需要;同时支持和解决了项目改造后新老表切换时,老表金额转入的问题;支持峰谷电价,支持一表一电价;可对单表设置功率过载的阈值,也支持设置单表金额报警的两级阈值。

批量远程操作场景中,系统提供了多项功能,针对开户、报警1、报警2、欠费、未开户、失联状态都有不同的颜色显示;并且支持远程对仪表进行遥控,遥控的命令类型如下:
1.电价下发;2.设置下发(下发报警金额阈值和过载功率阈值);3.保电(强制仪表合闸);4.恢复预付费(欠费自动跳闸的模式);5.拉闸(强制断电);6.抄表导出(导出当前所有表状态为EXCEL)


售电
系统还提供了多个报表以供查询,分别是日/月/年财务销售统计报表、失联表/通讯管理机查询报表、能耗查询报表、实时报警/历史报警查询报表,支持导出。以下是财务报表和预付费表日用能查询报表:


4 结束语
随着社会生产的进步,在商业用户用电量不断增长、对供电质量要求不断提高的同时,也存在大量拖欠电费的情况,极大的加重了供电企业的经营风险。为了使供电企业提高电费收缴率,规避恶意欠费造成的经济损失,我公司特提供成套的预付费解决方案,系统不但可以预收电费,实现“先交钱、后用电”,又可针对用户用电性质不同可在电力供应紧张或响应政府关于“节能减排”等号召时有选择性的进行限电。现场通过远程预付费的系统,实现了先交费后用电,可以避免物业公司的电费垫资问题,从而缓解了商业体运营的资金压力,另外将业主和配电区域隔离,防止了私接偷电的问题。
从profibusDP转ModbusTCP,一网打尽转换技巧!