时间:2021-09-21 16:45
人气:
作者:admin
作者: 马吉德·艾哈迈德
随着人工智能 (AI) 应用的出现,边缘正在使用多个输入和多个输出通道来满足对高带宽边缘处理的需求。具有低压差分信号 (LVDS) 接口的新型 FPGA 夹层卡 (FMC) 旨在促进带宽传输。
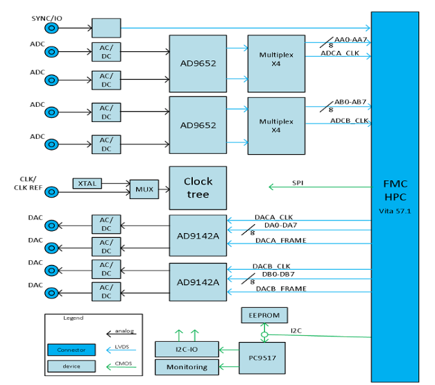
Logic-X 推出的LXD31K4是一款 4 进 4 出卡,提供四个 A/D 通道,每个通道的数据转换率高达每秒 310 兆样本 (Msps),以及四个 D/A 通道,每个都有高达 310 Msps 的原始转换率。所有八个通道都具有 16 位精度并提供强大的信噪比 (SNR) 性能。此外,通过用户设置的高达 4x 内插,该卡可以产生更新速率高达 1.24 GHz 的信号。

图 1该卡带有参考设计,可帮助工程师加快开发程序。来源:Logic-X
该卡可以按原样集成到嵌入式系统中;它还可以在片上系统 (SoC) 设计的开发和原型制作过程中使用。将 LVDS 用于数据接口意味着用户可以将卡与 FPGA 集成,而无需购买和嵌入符合 JESD204B 标准的转换器和接收器接口内核。此外,该卡的 LVDS 引脚配置方式使其适用于 Xilinx 开发板上的高引脚数连接器以及 Logic-X 的 FPGA FMC 载板的大多数“部分实现”。
除了边缘处理之外,Logic-X 还将 LXD31K4 卡用于高速数据采集和回放、软件定义无线电 (SDR) 以及其他需要在模拟和数字域之间进行宽带宽转换的应用。

图 2 LXD31K4 现已出样,预计 2021 年第四季度可量产。资料来源:Logic-X
Logic-X 还提供了这款卡的二进二出版本;LXD31K2具有 16 位分辨率并使用 LVDS 接口。LXD31K4 和 LXD31K2 均随附参考设计,其中包含详细文档、Vivado IP 集成器项目以及可通过以太网或 PCIe 由软件应用程序控制的 IP 核。
从profibusDP转ModbusTCP,一网打尽转换技巧!