时间:2021-10-27 15:37
人气:
作者:admin
纳芯微(NOVOSNS)推出了全新集成隔离电源的数字隔离器---NIRSP31,可广泛适用于两轮车BMS、储能BMS、空气断路器、非标电表类应用中的隔离总线接口设计。

小尺寸 高可靠性 低成本
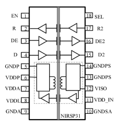
NIRSP31芯片集成了隔离电源和三通道数字隔离器。隔离电源采用业内领先的片上变压器技术,拥有自主IP,相比于传统的外部独立隔离电源方案,大大减小了布板面积,提高了集成度,简化设计,并且采用了先进的LGA封装工艺,尺寸小至4mm×5mm,降低了芯片制造成本。并且集成闭环控制电路,无需外加LDO即可实现优异的负载调整率,具有EN管脚,支持关断低功耗,非常适用于对静态功耗要求很高的电池相关应用。
更低成本 更低功耗方案对比

对比接口隔离方案中常用的隔离电源模块+光耦+CAN/485收发器方案,可以看出,右侧采用全新集成隔离电源的三通道数字隔离芯片NIRSP31+接口芯片大大减少了PCB面积以及外围器件数量,降低了整体方案成本的同时也带来了更优的性能体验。

NIRSP31集成的隔离式DC/DC转换器使用片上变压器可提供高达300mW 的输出功率。反馈PWM 信号由基于Novosense电容隔离技术的数字隔离器发送到初级侧。支持2kVrms绝缘耐压,而高集成度解决方案有助于简化系统设计和提高可靠性。
NIRSP31主要性能
· 2kVrms的绝缘耐压
· 支持1.8V~5.5V的MCU I/O电平
· 供电电压:
· 输出:3.3V或5V,60mA
· 过流(110mA)和过温(165°C)保护
· 高CMTI:50kV/us
· 传输延时:《50ns
· 数据速率:20Mbps
· 高系统级EMC性能:
· 工作温度:-40℃~105℃
· 封装:LGA18 4mm×5mm
工业BMS应用
在工业BMS的应用中,NIRSP31可用于电池包MCU与外部ECU间的485和CAN通信隔离,无需再外加隔离电源和输出侧LDO(良好的负载调整率),确保通信的连续性,保证系统的正常运行。

除NIRSP31外,双向I2C隔离器NSI8100,双低边驱动NSD1025,通用CAN收发器NCA1042/NCA1051芯片均适用于工业BMS应用,均已量产,如有需求可电话0512-62601802咨询。
保障供应 免费送样
纳芯微NIRSP31 采用先进的LGA18封装,高性能,低成本,小尺寸,相对于传统分立方案拥有更高的性价比,并可提供可靠的全国产供应保障。
从profibusDP转ModbusTCP,一网打尽转换技巧!