时间:2021-12-03 17:40
人气:
作者:admin
CS5216是HDMI™ 电平移位器/中继器专为2型双模Display Port(DP++)电缆适配器应用而设计。它设计用于Display Port到DVI或Display Port到HDMI的2路适配器。它支持高达3.0Gbps的TMD™ 数据速率和集成了一个抗抖动TMDS接收机和一个抗抖动TMDS发射机。
CS5216消除了过渡调制差分信号输入的数据和时钟抖动以及定时偏差,从而提供了一个兼容的、抖动非常低的HDMI输出。CS5216包括I2C over AUX转换和2路DisplayPort双模适配器实现所需的寄存器。CS5216向后兼容现有的双模DP源设备以及为2路适配器启用的较新双模源。该设备还可以用于主板,图形板或对接应用程序,以利用类型2路配器视频驱动程序的优势。
CS5216主要特点
符合VESA双模DisplayPort标准,版本1,用于2LAN电缆适配器应用
包括所需的2路电缆适配器标识和控制寄存器以及I2C over AUX转换
符合HDMI 1.4b规格,最高3.0Gbps(300MHz TMDS时钟)
支持4K x 2K和1080p立体声3D HDMI格式
时钟和数据抖动清除–带外HDMI时钟抖动的12dB抖动衰减性能
无晶体™ 技术-无需外部晶体或参考时钟
交流和直流输入耦合
可编程接收机均衡
可编程过渡调制差分信号输出预加重和EMI抑制
自动对间和对内解偏
自动断电管理
用于故障安全操作和电源管理的自动输出静噪电路
灵活的引脚和I2C控制模式选项
3.3V和1.5V电源
5x5mm 40针TQFN封装
0°至70°C工作温度范围
ESD:HBM 8 kV
CS5216应用方式
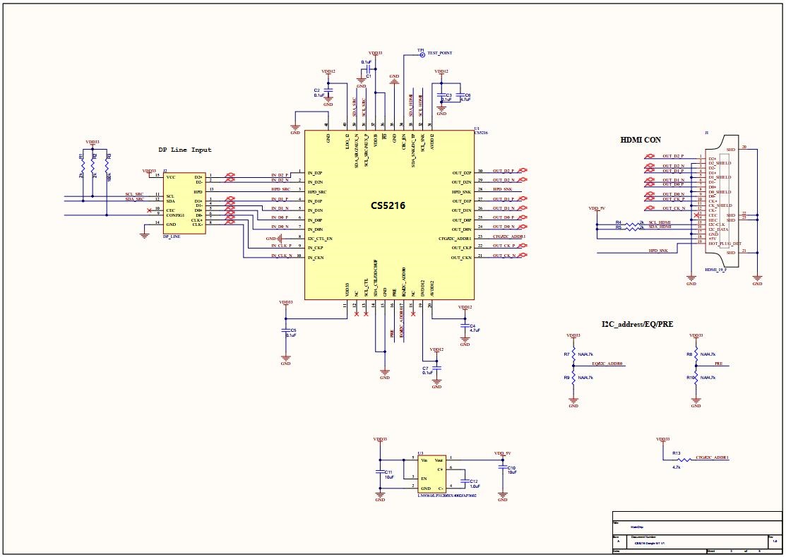
CS5216设计DP转HDMI 1080P转接线或者DP转HDMI 1080P转接器方案设计电路原理图如下:

从profibusDP转ModbusTCP,一网打尽转换技巧!