时间:2021-02-24 15:05
人气:
作者:admin
机顶盒(Set Top Box, 简称 STB),是一个连接电视机与外部信号源的设备。它可以将压缩的数字信号转成电视内容, 并在电视机上显示出来。从最初只是接收数字电视信号的简单功能机顶盒到如今功能繁多的各种机顶盒高清播放器,随着机 顶盒技术的发展,如今的机顶盒在数据支持上能完成诸多高清,交互,多模,多格式的解码。而在接口方面,为获得更多的 数据来源,设备普遍也能够提供许多种类的选择,一般都能够支持 USB、HDMI、以太网接口、硬盘接口等。
不同类型接口的支持,使得如今的高清播放器的娱乐功能日益强大,但是也带来了诸多对不同接口保护的要求。我们知道各 种数据类型的接口在热插拔的过程中都容易受到过压过流静电等许多故障状态的影响,机顶盒和高清播放器的厂家必须在产 品的设计过程中考虑到不同的意外因素,而在接口的输入端增加相对应的保护,这样才能减少产品的返修率,并给客户提供 良好的使用体验。我们接下来将会针对于这些在机顶盒上常见的接口来看一下使用什么保护器件能够很好的保护设备。
首先是 USB 的接口,无论是 USB2.0 还是目前逐渐普及的 USB3.0,USB 接口是我们最常见并且使用最广泛的数据接口。在 便捷的使用过程中,我们也会经常遇到一些故障状态,其中比较常见的就是由于 USB 从设备短路故障而导致的 USB 主设备 的损伤,使用 PolySwitch PPTC(正温度系数热敏电阻)器件是一个高性价比的防护方案,在短路故障状态下,PPTC 器件 能够快速的动作从低阻态转为高阻态,从而限制电流保护 USB 的设备。另一种 USB 常见的故障是由静电噪音带来的,在热 插拔的过程中,静电的影响非常的明显,为减少静电给电路带来的影响,我们可以使用 SESD (硅基 ESD 保护器件),SESD 器 件电容低、钳位电压低、ESD 抵抗能量高、封装尺寸小,是 USB 接口静电防护的理想选择。下图 1 是在 USB 端口上使用 PPTC 器件与 SESD 器件保护的典型应用。

HDMI 也是如今非常流行的一种多媒体信号接口,类似于 USB 的接口,HDMI 接口在使用过程中也容易受 到短路过流,静电等各种故障状态,同样我们可以使用 PPTC 器件与 SESD 器件来保护接口免受故障的侵扰。 如图 2,在 HDMI 端口的电源线上使用 PPTC 进行过流保护,在其他的信号线上使用多通道的 SESD 防护静 电。

许多机顶盒设备会有直流电源输入端口,需要使用 AC/DC 适配器供电,而我们的生活中有太多的设备需要 类似的适配器供电,不同的适配器可能有不同的供电电压,功率,甚至于电源的正负极性,适配器的错误使用会 给设备带来严重的损坏,另外在适配器插拔过程中形成的尖峰噪音也会给负载电路带来伤害。对于类似电源口的 保护,音特电路保护部的 PPTC 和 TVS 系列器件,作为一种表面贴装的独立器件,能够同时完成过压,过流, 电源误接,电源逆接等多方位的保护。小体积的设计使其十分适用于空间狭小的薄型紧凑型环境,在故障状态时, 瞬态抑制二极管能快速有效的钳位电压并分流故障电流,而 PPTC 组件则可以继而快速的关断过大的电流,从 而帮助保护瞬态抑制二极管和下游电子组件。下图3描述了 直流输入端口保护的典型应用。

对于机顶盒设备上的 RJ45 端口,同样考虑到因为频繁插拔时由于静电而导致的设备损害,在端口也可以增 加上 SESD 器件来保护静电干扰。图4分别展示了在 10/100baseT 及 1G Ethernet 上使用 SESD 器件进行保护 的应用。

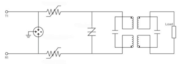
对于机顶盒上的 xDSL 端口,可以考虑使用气体放电管 (GDT) 器件与 PPTC 器件组合的电路来保护设 备。GDT 器件可以在电路的一级保护中使用,在雷击保护中可以起到暂态的过电流和限制过电压的作用,而 PPTC 器件可以在电力线碰触保护中,对过流故障起到很好的保护作用。图5电路是使用 PPTC 与 GDT 器件进 行雷击及电力线碰触保护的典型应用。

综上所诉,当今的机顶盒已经能够提供各种各样的多媒体娱乐功能,而在同时我们也关注到,设备需要支 持多种数据接口来帮助获得各种多媒体的数据资源,怎样更好的提供这些接口的保护是设备是否能给客户提供良 好使用体验的关键。
编辑:hfy
从profibusDP转ModbusTCP,一网打尽转换技巧!