时间:2021-01-06 10:09
人气:
作者:admin
近日,慧能泰发布一系列内置低Rdson负载开关的Type-C协议芯片和USB协议芯片系列产品HUSB300、HUS304和HUSB305。
HUSB305 是一款内置负载开关的USB Type-C 5V3A DFP控制器,适用于替代传统的桶形连接器(Barrel Connector)或USB micro-B 连接器供电的电子设备,如手机、平板电脑、路由器、数字音箱、电动剃须刀、机顶盒和其他可充电设备。HUSB305的特性如下:
● 集成超低Rdson NMOS负载开关
● 可配置的电流限流
● 4V-6.5V宽工作电压,最高耐压8V
● 84uA超低工作电流
● 设备移除指示,短路故障指示
● USB Type-C 1.5A/3A DFP控制功能
● 输入欠压、过压保护
● 短路保护、过流保护
● 热关断
● ±8KV HBM ESD
● TSOT23-8封装
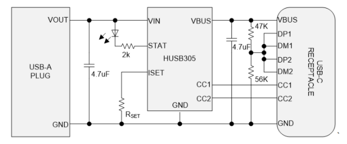
图1.和图2.分别是HUSB305典型应用电路和HUSB305 demo board照片。
图1. HUSB305典型应用电路

图2. HUSB305 demo board照片
图3. HUSB305的应用场合
HUSB305非常适合用于带桶形连接器的适配器的USB-C连接器替换。HUSB305只需放置在USB-C的Paddle Card(桨片卡)上,不改变原来连接桶形连接器的电源内部结构及外壳、电源本体不用重新开模、保持原来的输出带两芯线(VBUS和GND)就可以实现,如图5.所示。HUSB305的高耐压和良好保护特性可以在插拔、大负载跳变、负载短路等各种恶劣环境保持良好性能。当然,HUSB305也可以放置在电源板本体上,通过三芯线(VBUS、GND和CC)连接到USB-C连接器上。
图4. 桶形连接器端口升级成USB-C端口
图5. HUSB305用在USB-C Paddle Card(桨片卡)上,芯片的高耐压可以在插拔、大负载跳变、短路等各种恶劣环境保持良好性能
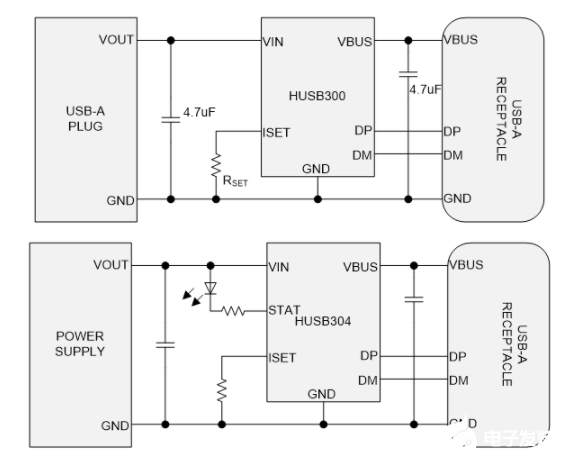
HUSB300和HUSB304是集成负载开关的USB协议识别芯片。HUSB300和HUSB304的差异在于,HUSB304支持设备移除指示和短路故障指示,适用于多口PD快充的功率动态分配应用场合,而HUSB300不支持。HUSB300和HUSB304的特性如下:
● 集成超低Rdson NMOS负载开关
● 可配置的电流限流
● 4V-6.5V宽工作电压,最高耐压8V
● 65uA超低工作电流
● 设备移除指示,短路故障指示(HUSB304)
● USB端口智能协议识别功能:
■ BC1.2 DCP模式
■ 苹果5V2.4A
■ 三星5V2.1A
■ 中国电信工业标准YD/T 1591-2009
● 输入欠压,过压保护
● 短路保护,过流保护
● 热关断
● ±8KV HBM ESD
● TSOT23-6封装(HUSB300)或TSOT23-8封装(HUSB304)
图6. HUSB300、HUSB304典型应用电路

图7. HUSB304 demo board照片
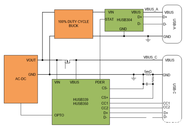
HUSB304可以和HUSB350搭配,实现1A1C双口PD快充的超简电路。
图8. HUSB304和HUSB350搭配的1A1C双口PD参考框图

图9. HUSB304和HUSB350搭配的1A1C双口PD参考设计实物图
表1. HUSB300、HUSB304和HUSB305的参数对比

从profibusDP转ModbusTCP,一网打尽转换技巧!