时间:2021-01-15 10:38
人气:
作者:admin
通信协议:所谓通信协议是指通信双方的一种约定。约定包括对数据格式、同步方式、传送速度、传送步骤、检纠错方式以及控制字符定义等问题做出统一规定,通信双方必须共同遵守。因此,也叫做通信控制规程,或称传输控制规程,它属于ISO‘S OSI七层参考模型中的数据链路层。目前,采用的通信协议有两类:异步协议和同步协议。
同步协议:又有面向字符和面向比特以及面向字节计数三种。其中,面向字节计数的同步协议主要用于DEC公司的网络体系结构中。
异步协议:一个字符一个字符地传输,每个字符一位一位地传输,传输一个字符时,以起始位开始,然后传输字符本身的各位,接着传输校验位,最后以停止位结束该字符的传输。一次传输的起始位、字符各位、校验位、停止位构成一组完整的信息,称为帧(Frame-)。帧与帧之间可有任意个空闲位。起始位之后是数据的最低位。
串口通信(Serial Communication), 是指外设和计算机间,通过数据信号线 、地线、控制线等,按位进行传输数据的一种通讯方式。这种通信方式使用的数据线少,在远距离通信中可以节约通信成本,但其传输速度比并行传输低。
当前比较流行的串行通信协议主要有EIA-232、EIA-232、EIA-485、USB、IEEE 1394几种。
以下着重介绍I2C总线:
一、I2C总线概述:
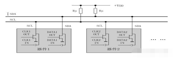
I2C总线是PHLIPS公司推出的一种串行总线,是具备多主机系统所需的包括总线裁决和高低速器件同步功能的高性能串行总线。I2C总线只有两根双向信号线。一根是数据线SDA,另一根是时钟线SCL。如下图:

I2C总线通过上拉电阻接正电源。当总线空闲时,两根线均为高电平。连到总线上的任一器件输出的低电平,都将使总线的信号变低,即各器件的SDA及SCL都是线“与”关系。如下图:

每个接到I2C总线上的器件都有唯一的地址。主机与其它器件间的数据传送可以是由主机发送数据到其它器件,这时主机即为发送器。由总线上接收数据的器件则为接收器。在多主机系统中,可能同时有几个主机企图启动总线传送数据。为了避免混乱, I2C总线要通过总线仲裁,以决定由哪一台主机控制总线。
二、I2C总线数据传送:
1、数据位的有效性规定
I2C总线进行数据传送时,时钟信号为高电平期间,数据线上的数据必须保持稳定,只有在时钟线上的信号为低电平期间,数据线上的高电平或低电平状态才允许变化。如下图:

2、起始信号和终止信号
SCL线为高电平期间,SDA线由高电平向低电平的变化表示起始信号;SCL线为高电平期间,SDA线由低电平向高电平的变化表示终止信号。如下图:

起始和终止信号都是由主机发出的,在起始信号产生后,总线就处于被占用的状态;在终止信号产生后,总线就处于空闲状态。连接到I2C总线上的器件,若具有I2C总线的硬件接口,则很容易检测到起始和终止信号。接收器件收到一个完整的数据字节后,有可能需要完成一些其它工作,如处理内部中断服务等,可能无法立刻接收下一个字节,这时接收器件可以将SCL线拉成低电平,从而使主机处于等待状态。直到接收器件准备好接收下一个字节时,再释放SCL线使之为高电平,从而使数据传送可以继续进行。
3、数据传送格式
(1)字节传送与应答
每一个字节必须保证是8位长度。数据传送时,先传送最高位(MSB),每一个被传送的字节后面都必须跟随一位应答位(即一帧共有9位)。如下图:

由于某种原因从机不对主机寻址信号应答时(如从机正在进行实时性的处理工作而无法接收总线上的数据),它必须将数据线置于高电平,而由主机产生一个终止信号以结束总线的数据传送;
如果从机对主机进行了应答,但在数据传送一段时间后无法继续接收更多的数据时,从机可以通过对无法接收的第一个数据字节的“非应答”通知主机,主机则应发出终止信号以结束数据的继续传送;
当主机接收数据时,它收到最后一个数据字节后,必须向从机发出一个结束传送的信号。这个信号是由对从机的“非应答”来实现的。然后,从机释放SDA线,以允许主机产生终止信号。
(2)数据帧率格式
I2C总线上传送的数据信号是广义的,既包括地址信号,又包括真正的数据信号。在起始信号后必须传送一个从机的地址(7位),第8位是数据的传送方向位(R/T),用“0”表示主机发送数据(T),“1”表示主机接收数据(R)。每次数据传送总是由主机产生的终止信号结束。但是,若主机希望继续占用总线进行新的数据传送,则可以不产生终止信号,马上再次发出起始信号对另一从机进行寻址。
在总线的一次数据传送过程中,可以有以下几种组合方式:
①主机向从机发送数据,数据的传送方向在整个传送过程中不变:

【注】有阴影部分表示数据由主机向从机传送,无阴影部分则表示数据由从机向主机传送。
A表示应答, A非表示非应答(高电平)。S表示起始信号,P表示终止信号。
②主机在第一个字节后,立即从从机读数据:

③在传送过程中,当需要改变传送方向时,起始信号和从机地址都被重复产生一次,但两次读/写方向位正好反相。

4、总线的寻址
I2C总线有明确规定:采用7bit寻址字节(寻址字节是起始信号后的第一个字节)。

【注】D7~D1位组成从机的地址。D0位是数据传送方向位,为“0”时表示主机向从机写数据,为“1”时表示主机由从机读数据。
主机发送地址时,总线上的每个从机都将这7位地址码和自己的地址比较,如果相同,则认为自己被主机寻址,根据R/T位将自己确认为发送器或者接收器。
从机的地址由固定部分和可编程部分组成。在一个系统中,可能希望接入多个相同的从机,从机地址中可以编程的部分决定了可接入总线该类器件的最大数目。如一个从机的7位寻址位有4位是固定位,3位是可编程位,这时仅能寻址8个同样的器件,即可以有8个同样的器件接入到该I2C总线系统中。
附:单片机I2C串行总线数据传送模拟

子程序:
1)总线的初始化
Void init()
{
SDA = 1;
delay( );
SCL = 1;
delay( );
}
将总线都拉高以释放总线
2)启动信号
void start()
{
SDA = 1;
delay( );
SCL = 1;
delay( );
SDA = 0;
delay( );
}
SCL在高电平期间,SDA一个下降沿启动信号
3)应答信号
void respons()
{
Uchar i=0;
SCL = 1;
delay( );
While((SDA == 1)&&(i 《 255))
{
i++;
SCL = 0;
delay( );
}
}
SCL在高电平期间,SDA被从设备拉为低电平表示应答,上面的代码中有一个(SDA == 1)和(i 《《255)与关系,表示若在一段时间内没有收到从器件的应答则主器件默认从器件已经收到数据而不再等待应答信号,如果不加这个延时退出,一旦从器件没有发送应答信号,程序将永远停在这里,而真正的程序中不允许这样的情况发生。
4)停止信号
void stop()
{
SDA = 0;
delay( );
SCL = 1;
delay( );
SDA = 1;
delay( );
}
SCL在高平期间,SDA一个上升沿停止信号。
5)写一个字节
void writebyte(uchar data)
{
Uchar i,temp;
temp = data;
for(i=0;i《8,i++)
{
temp=temp《《1;
SCL=0;
Delay();
SDA=CY;
Delay();
SCL=1;
Delay();
}
SCL=0;
Delay();
SDA=1;
Delay();
}
串行发送一个字节时,需要把这个字节中的8位一位一位的发出,temp=temp《《1表示左移,将最高位移入PSD寄存器CY位中然后将CY赋给SDA,进而咋SCL的控制下发送出去。
6)读一个字节
Uchar readbyte()
{
Uchar i,k;
SCL=0;
Delay();
SDA=1
For(i=0;i《8;i++)
{
SCL=1;
Delay();
K = (k《《1)|SDA;
SCL=0;
Delay();
}
Delay();
Retrun k;
}
串行接受一个字符时需要将8位一位一位的接收,然后再组合成一个字节,上面代码中我们定义了一个临时变量k,将k左移一位后与SDA进行或运算,依次把8个独立的位放入一个字节中来完成接收。
责任编辑人:CC
下一篇:液晶电视常见接口的作用详解
从profibusDP转ModbusTCP,一网打尽转换技巧!