时间:2021-03-03 16:32
人气:
作者:admin
RS-485是美国电子工业协会(EIA)在1983年批准了一个新的平衡传输标准(balanced transmission standard),EIA一开始将RS(Recommended Standard)作为标准的前缀,不过后来为了便于识别标准的来源,已将RS改为EIA/TIA。目前标准名称为TIA-485,但工程师及应用指南仍继续使用RS-485来称呼此标准。
RS-485仅是一个电气标准,描述了接口的物理层,像协议、时序、串行或并行数据以及链路全部由设计者或更高层协议定义。 RS-485定义的是使用平衡(也称作差分)多点传输线的驱动器(driver)和接收器(receiver)的电气特性。
关键特性
差分传输增加噪声抗扰度,减少噪声辐射
长距离链路,最长可达4000英尺(约1219米)
数据速率高达10Mbps(40英寸内,约12.2米)
同一总线可以连接多个驱动器和接收器
宽共模范围允许驱动器和接收器之间存在地电位差异,允许最大共模电压-7-12V
信号电平
RS-485能够进行远距离传输主要得益于使用差分信号进行传输,当有噪声干扰时仍可以使用线路上两者差值进行判断,使传输数据不受噪声干扰。
RS-485差分线路包括以下2个信号:
A:非反向(non-inverting)信号
B:反向(inverting)信号
也可能会有第3个信号,为了平衡线路正常动作要求所有平衡线路上有一个共同参考点,称为SC或者G。该信号可以限制接收端收到的共模信号,收发器会以此信号作为基准值来测量AB线路上的电压。RS-485标准中提到:
若是MARK(逻辑1),线路B信号电压比线路A高
若是SPACE(逻辑0),线路A信号电压比线路B高
注:不同的IC使用的信号标示方式不同,不过EIA的标准中只使用A和B的名称。数据为1时,信号B会比信号A要高。不过因为标准其中也提到信号A是“非反向信号”,信号B是“反向信号”。因此信号A、B的定义就更容易混淆了,许多组件制造商(错误的)依循了这个A/B的命名原则,所以具体定义需要实际参考设计厂家芯片手册。
为了不引起分歧,一种常用的命名方式是:
TX+ / RX+ 或D+来代替B(信号1时为高电平)
TX- / RX- 或D-来代替A(信号0时为低电平)
下图列出在RS-485利用“异步开始-停止”方式发送一个字符(0xD3,最低比特先发送)时,U+端子及 U−端子上的电压变化。
阈值电压
如果发射器输入端收到逻辑高电平(DI=1),则线路A电压高于线路B(VOA》VOB);如果发射器输入端接收到逻辑低电平(DI=0),则线路B电压高于线路A(VOB》VOA)。如果接收器的输入端线路A电压高于线路B(VIA-VIB》200mV),则接收器输出为逻辑高电平(RO=1);如果接收器的输入端线路B电压高于线路A(VIB-VIA》200mV),则接收器输出逻辑低电平(RO=0)。

符合RS-485标准的驱动器能够提供不小于1.5V的差分输出(在54Ω负载下),符合RS-485标准的接收器能检测小到200mV的差分信号输入。 即便是在线缆和连接器严重降级的情况下,这两个值仍能为高可靠性的数据传输提供充足的余量。

工作模式
总线接口可以设计为如下两种方式:
半双工(Half-Duplex)RS-485
全双工(Full-Duplex)RS-485
关于多个半双工总线配置如下图所示,一次只能在一个方向传输数据。

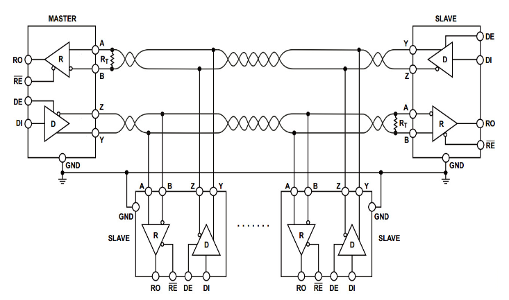
关于全双工总线配置如下图所示,允许主从节点之间双向同时通信。

总线终端和分支长度
为避免信号反射,当线缆长度很长时数据传输线必须有终点,并且分支长度尽可能的短。正确的终端需要终端电阻RT匹配,其值为传输线的特性阻抗Z0。RS-485标准建议线缆的Z0=120Ω。电缆干线通常终端匹配120Ω的电阻,线缆的末尾处各一个。见下图示意:
分支的电气长度(收发器和电缆干线的导线距离)应小于驱动器上升沿时间的十分之一:
LStub ≤ tr * v * c/10
LStub= 最大分支长度(单位英尺)
tr= 驱动器(10/90)上升沿时间(单位ns)
v = 信号在电缆上传输的速率相对于光速的比率
c = 光速(9.8*10^8ft/s)
太长的分支长度会导致信号发射反射影响阻抗,下图是长分支长度与短分支长度波形对比:

数据速率和电缆长度
使用高数据速率时,只能使用较短线缆。使用低数据速率时,可以使用较长的线缆。对应低速率应用,电缆的直流电阻通过在电缆压降增加了噪声裕量,限制了电缆长度。使用高速率应用时,电缆的交流效应限制了信号质量,限制电缆长度。下图提供了较为保守的电缆长度和数据速率变化曲线。
以上是RS485的基本性能参数介绍。
责任编辑人:CC
从profibusDP转ModbusTCP,一网打尽转换技巧!