时间:2021-07-06 17:30
人气:
作者:admin
作者:ADI公司 - Tao Tao,高级应用工程师 | Trevor Crane,高级设计工程师
简介
USB充电端口已成为现代车辆信息娱乐系统的重要组成部分。乘客越来越习惯于通过车辆的电气系统来为智能手机(或其他便携式设备)充电,并反过来利用这些设备来丰富车辆信息和娱乐功能。为了同时支持电源和数据能力,并且适应不断快速变化的便携式设备市场,USB充电端口必须满足与电源、数据传输和鲁棒性相关的各种系统要求,即使面对现实中的种种危险情况。
便携式设备电池充电——包括支持广泛的设备充电协议的能力,例如USB BC 1.2充电下行端口(CDP)、专用充电端口(DCP)、标准下行端口(SDP)和各种常见专有协议——仅仅是对USB充电端口的众多要求中的一部分。其他要求包括维护高速USB数据传输的信号完整性,以及保护USB主机免受汽车环境中常见危险状况的影响。此外,小尺寸解决方案和低电磁辐射是满足日益复杂的汽车电子需求的重要要求。本文演示了一种满足汽车环境中现代USB充电端口要求的解决方案,包括设计示例。
汽车USB电源系统概述
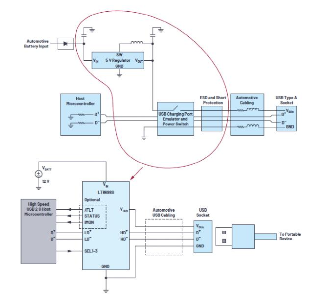
图1显示了典型汽车USB充电器系统的框图,其中开关变换器从电池产生5 V电压为VBUS供电。此处显示的USB充电端口仿真器和功率开关IC具有三个主要功能。首先,USB充电端口仿真器确定所连接设备的最佳充电电流,从而通过充电端口模式(如USB BC 1.2 CDP、DCP和供应商专有充电器仿真协议等)实现快速充电。其次,USB功率开关用作限流器和开关,可检测和限制总线电流。最后,端口控制器支持所连接设备与USB主机之间进行USB 2.0高速数据传输。

图1.汽车USB充电器框图
由于USB端口处于恶劣的汽车环境中,因此必须对敏感的USB电路加以保护,使其免受各种现实危害的影响,例如插座的静电放电(ESD)事件和线缆故障事件,这些事件可能会使受影响的线路遭受远超过其正常工作值的电压。
图2显示了一个汽车USB电源系统的简化框图,该系统将许多电源、端口和保护功能结合到一个IC中。在本例中,LT8698S将开关变换器和功率开关的功能集成到4mm×6mm的封装中,同时提供能抵御ESD事件和线缆故障的强大数据线保护。
图示的集成充电器解决方案包含了在USB端口和便携式设备之间独立执行USB BC 1.2 CDP协商序列的所有必需硬件,使得CDP兼容设备能够从VBUS汲取高达1.5 A的电流,同时能与主机进行高速通信。
线缆压降补偿
当USB插座与控制器的物理距离较远时,例如USB插座位于车辆后部,而USB主机位于仪表板中,那么线缆压降补偿可使VBUS轨保持精确的5 V稳压状态。LT8698S具有可编程线缆压降补偿功能,可在USB插座上执行出色的调节,而无需额外的开尔文检测线路。
图3显示了线缆压降补偿的工作原理。OUT/ISP和BUS/ISN引脚之间连接一个检测电阻RSEN,该电阻串联在稳压器输出和负载之间。LT8698S在其RCBL引脚上通过RCBL接地电阻产生46 × (VOUT/ISP – VBUS/ISN)/RCBL的电流源。此电流与通过连接在稳压器输出和USB5V引脚之间的RCDC电阻流入USB5V引脚的电流相同。这会在RCDC电阻两端产生一个高于5 V USB5V反馈引脚的电压偏移,其与RCDC/RCBL电阻比成比例。结果,LT8698S根据负载电流将BUS/ISN引脚调节到一个高于负载目标5V的点(最大限值为6.05V),以维持插座VBUS引脚的精确调节。
线缆压降补偿消除了从稳压器连接额外的一对开尔文检测线路到远端负载的需要,但要求系统设计人员知道线缆电阻RCABLE,LT8698S不会检测此值。设置线缆压降补偿的元件可以利用下式选择:RCBL = 46 × RSEN × RCDC/RCABLE。线缆电阻会随温度而变化,要在很宽的温度范围内获得更好的整体输出电压精度,可以添加一个负温度系数(NTC)电阻作为RCBL的一部分,使线缆压降补偿随温度而变化。

图2.围绕单IC USB控制器解决方案构建的汽车USB电源系统的简化框图

图4.LT8698S/LT8698S-1的强大保护功能
针对汽车环境提供强大保护
汽车环境存在多种危害,为此必须保护USB主机。这些危害包括线缆故障导致数据线承受电池电压或接地,以及USB插座处的大ESD冲击。图4显示了如何保护USB主机免受这些危害影响。
LT8698S的HD+和HD–引脚可承受高达20 VDC,并阻止高达8 kV的接触放电和15 kV的空气放电IEC 61000-4-2 ESD事件,同时也能保护主机免受这些恶劣状况的影响。此外,USB5V、OUT/ISP和BUS/ISN引脚可承受输出电压故障,包括高达42 V的直流电压。发生输出故障时,闩锁和自动重试功能可精确限制平均输出电流。
虽然许多USB端口控制器IC需要数据线上有外部钳位二极管或电容来提供ESD保护(这会增加成本和材料,同时可能降低信号完整性),但LT8698S不需要。
数据线开关不仅能够承受前面所说的直流故障和ESD事件,而且有助于实现出色的信号完整性。具体说来,HD+和HD–引脚的–3 dB带宽为480 MHz(典型值),这已经过生产测试。图5显示了根据USB 2.0规范在测试平面2的演示板上测得的高速传输眼图。该图显示其符合USB模板1、测试平面2限值,并且有充足的裕量。

图5.在演示板上测得的高速USB 2.0眼图。所示为模板1要求。
兼容并支持广泛的充电器特性
本例中使用的控制器IC与多种USB连接器类型和充电器特性兼容,如表1所示。我们来看一下单个控制器在USB Type-C 5 V、3 A解决方案(15 W)中如何工作。
图6显示了具有线缆压降补偿的USB 5 V、3 A VBUS稳压器的原理图。此电路选择8 mΩ的RSEN电阻值来支持高达3 A的输出电流,SYNC/MODE引脚接地以使能跳脉冲工作模式,降低轻载电流时的开关频率和静态电流。
LT8698S还支持USB BC 1.2 DCP模式,该模式可提供高达1.5 A的充电电流,支持大电流充电能力。当用作DCP端口时,D+和D–线路短接,没有数据传输。
许多便携式设备制造商开发了专有充电器协议。同样的,这些厂商专有的充电器协议以及对应的最大充电电流(如2.0 A、2.4 A、2.1 A和1.0 A)也受支持。主机微控制器可以通过控制三个SEL引脚来实现这些充电器协议。
图7显示了2.4 A/1.5 A USB充电器的原理图。在此应用中,微控制器利用LT8698S STATUS引脚和IMON电流监控器提供的信息,通过控制SEL1-3输入引脚来选择所需的充电器协议。这样,微控制器就能优化便携式设备的充电特性,从而以尽可能大的电流安全充电。
表1.LT8698S/LT8698S-1与多种USB连接器类型、充电器协议和数据接口的兼容性

图6.5 V、3 A、USB type-C应用

图7.带电流监控器的2.4 A/1.5 A自动协议检测充电器
EMI解决方案
汽车电子系统电源的一项关键要求是低EMI,通常需要满足CISPR 25 5类排放标准。LT8698S采用Silent Switcher® 2技术进行设计,使得USB电源能够满足这些严格的汽车EMI标准,而不会牺牲解决方案的尺寸、效率和鲁棒性。
Silent Switcher 2架构在LQFN封装内部集成了旁路电容,以将EMI降至最低。旁路电容的集成简化了电路板设计,减少了整体解决方案的尺寸,同时尽可能地降低了PCB布局对EMI性能的影响。LT8698S-1不含这些内部旁路电容,其他方面与LT8698S完全相同。通过向SYNC/MODE引脚施加高于3.0 V的直流电压,这两款器件便都能提供可选的展频调制。图8显示了LT8698S在典型应用条件下的辐射EMI性能。
LT8698S和LT8698S-1能以300 kHz至3 MHz的可程式化和可同步开关频率工作。较高开关频率允许使用较小的电感和电容值,以减小整体解决方案的尺寸。图9显示,即使在2 MHz的较高开关频率下,这种12 V至5 V USB解决方案也能实现93%的效率。

图8.辐射EMI性能(CISPR 25电磁辐射干扰,使用峰值检波器,5类峰值限制)

图9.5 V USB解决方案的效率和功率损耗曲线。
结论
USB充电端口是现代车辆信息娱乐系统的重要组成部分,面对汽车环境中的各种现实危险事件,必须在电源、数据传输支持和鲁棒性方面应对各种系统挑战。本文介绍的采用LT8698S USB充电器IC的示例解决了这些挑战。它们支持各种便携式设备充电器协议,并能为USB type-C充电应用提供高达15 W的输出功率。此外,它们还能保护USB主机免受潜在的危险情况影响,例如线缆故障和严重ESD事件。LT8698S在提供这种保护的同时,还能保持USB主机与便携式设备之间高速USB数据传输所需的信号完整性。最后,Silent Switcher 2架构可在不牺牲效率和解决方案尺寸的情况下提供出色的EMI性能。
作者简介
Tao Tao是ADI公司的一名电源产品高级应用工程师,工作地点位于美国加利福尼亚州圣克拉拉。他目前负责提供降压型开关稳压器IC方面的应用支持。在此之前,Tao在Intersil Corporation公司从事集成电源模块的开发工作。Tao的专业领域包括高效高密度电源转换器和稳压器、电源转换器的建模和控制、EMI抑制技术、电子封装技术、PCB板设计,以及解决任何其他技术问题。Tao拥有弗吉尼亚理工学院暨州立大学(位于弗吉尼亚州布莱克斯堡)电气工程硕士学位。联系方式:tao.tao@analog.com。
Trevor Crane是ADI公司的一名高级设计工程师。他目前在ADI电源事业部的Grass Valley分部工作,负责设计多通道降压稳压器。他于2004年毕业于斯坦福大学,获得电气工程学士学位。Trevor曾在凌力尔特担任产品工程师和分立电源产品设计工程师。他已发布三款汽车USB降压稳压器。
从profibusDP转ModbusTCP,一网打尽转换技巧!