时间:2020-10-16 05:49
人气:
作者:admin
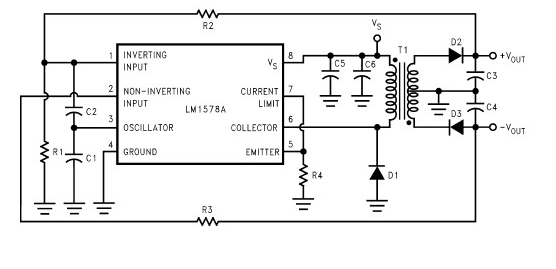
从这个原理RS232电源供应电路是一个简单的RS - 232线路驱动器,电源供应器,工作于4.2V低输入电压,并提供一个± 12V的输出效率优于70%,在± 40 mA的RS232电源电路提供了± 1.25%的负载调节(从10%到100%满负荷)和± 0.08%的行规。其他主要特性包括逐周期电流限制和输出电压纹波小于40 MVP - P,这RS232电源电路的基础上由国家半导体的LM1578A开关稳压器设计,可用于转换已存在的供应到一个单独的± 12V电源供电接口线路驱动器。

可以这个电源电路需要很少的外部电子元件,可以很容易设计。变压器的选择应挑选一个输出晶体管“,”时间0.4 / F,和初级电感量足够高,以防止输出晶体管的开关从斜坡高于750 mA的晶体管的评级 。
在使用的电源变压器匝数NP比例脉冲工程PE - 64287:NS:NS = 1:1.6:1.6和初级电感量为50μ。组件的值是:R1 = 10kΩ的,R2 = 240kΩ的,R3 = 240kΩ的,R4 =0.1Ω,C1 = 1000 pF的,C2 = 18 pF的,C3 = 220μF,C4 = 220μF,C5 = 100μF, C6 = 0.1μF和所有的二极管1N5819型。
上一篇:常见总线有哪些类型
下一篇:数码产品的接口有哪些
从profibusDP转ModbusTCP,一网打尽转换技巧!