时间:2020-06-16 14:53
人气:
作者:admin
一、RS-232C接口
RS-232C是EIA(美国电子工业协会)1969年修订RS-232C标准。RS-232C定义了数据终端设备(DTE)与数据通信设备(DCE)之间的物理接口标准。
1、机械特性
RS-232C接口规定使用25针连接器,连接器的尺寸及每个插针的排列位置都有明确的定义。(阳头)
2、功能特性

4、过程特性
过程特性规定了信号之间的时序关系,以便正确地接收和发送数据。

远程通信连接

近程通信连接
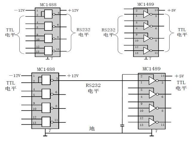
5、RS-232C电平与TTL电平转换驱动电路

6、采用RS-232C接口存在的问题
1、传输距离短,传输速率低
RS-232C总线标准受电容允许值的约束,使用时传输距离一般不要超过15米(线路条件好时也不超过几十米)。最高传送速率为20Kbps。
2、有电平偏移
RS-232C总线标准要求收发双方共地。通信距离较大时,收发双方的地电位差别较大,在信号地上将有比较大的地电流并产生压降。
3、抗干扰能力差
RS-232C在电平转换时采用单端输入输出,在传输过程中当干扰和噪声混在正常的信号中。为了提高信噪比,RS-232C总线标准不得不采用比较大的电压摆幅。
从profibusDP转ModbusTCP,一网打尽转换技巧!