时间:2020-03-20 10:48
人气:
作者:admin
一、概述
随着计算机在工业控制的广泛应用,控制局域网络也深入应用到各行各业之中。现行的诸多控制系统,若采用单机控制方式已越来越难以满足设备控制的要求,因为往往我们所控制的设备只是整个系统的一个基本单元,它既需要外部输入一些必要的信息,同时也需要向外部输出自身的运行参数和状态。所有这些,都要求我们采用控制网络技术,将众多设备有机的连成一体,以保证整个系统安全可靠地运行。
实际生产的巨大需求促进了局部总线的发展,同时也带来了“百花齐放,百家争鸣”的盛况。从国外到国内的现场通讯网络较为流行的有:RS-232;RS-422/485;HART;ProfieldBus;Dupline;CAN;Lonworks;FF以及未来极有发展潜力的CEbus。目前我国的实际情况是RS-232/RS-422/RS-485应用最为普及,CAN网的发展速度最快而其它优秀的网络(如FF,Lonworks)在国内普及尚需时日。现在国内外大部分的网络终端控制设备带有RS-232/RS-422/RS-485 或者CAN 接口,为了便于利用这些控制设备进行系统集成,设计一个现场总线适配器将十分必要。
二、功能描述
本通讯适配器包括三个通讯网络接口分别是RS-232、RS-422/485和CAN接口能够完成以下功能:
1、RS-232到RS-422/485之间的通讯适配
带有RS-232接口的主机(如PC操作站、过程站等)或从机(如现场控制单元、智能网络节点等)可以通过现场总线适配器的RS-422/485接口连入由其构成的局部控制网络实现RS-422/485网络数据和命令的传输。
2、RS-232到CAN网之间的通讯适配
带有RS-232接口的主机(如PC操作站、过程站等)或从机(如现场控制单元智能网络节点等)可以通过现场总线适配器的CAN接口连入CAN网,实现基于CAN网的网络数据和命令的传输。
3、RS-422/485到CAN网之间的通讯适配
该通讯适配器能够将一个系统中的RS-422/485网络和CAN网实现相互连接。这样当源地址在RS-422/485网络,而目标地址在CAN网时,或者当源地址在CAN网络,而目标地址在RS-422/485网时,通讯适配器可以完成两个网络之间的数据和命令的传输。由此解决了系统集成过程中不同网络终端设备的互连问题,使系统设计具有更宽的选择范围达到更先进的水平。
4、相同或不同网络之间的距离、节点数和分支扩展
由于RS-422/485和CAN网均为总线型网络,它们的通讯距离、网络节点数目和网络分支扩展都有一定程度的限制,采用现场总线适配器后,可以任意扩展和连接,这在组建较为复杂的总线型网络时十分有用。
5、通过连接外置MODEM,实现网络数据和命令的更远距离传输
当更远距离的监控或管理中心,需要遥测或遥控本地网络(RS-422/485或CAN网)的设备时,该网络通讯适配器可以采用连接外置MODEM方式,通过电话线或专线,完成本地RS-422/485网络或CAN网与远方监控或管理中心的数据和命令的传输。
三、硬件设计
我们将网络适配器按其功能划分为五个部分,包括网络适配器的最小系统、RS-232接口、RS-422/485接口、CAN接口和电源等部分。以下是每个部分的具体实现方法及其特点。
1、现场总线适配器的最小系统
现场总线适配器的最小系统包括以下几个部分(CPU、uP监控复位、RAM和非易失性串行EEPROM):
ATMEL公司的89C51,它是适配器的信息中央处理单元,在软件的支持下执行网络命令、数据的接收、处理并发送出相应的网络命令和数据,发挥总线适配器在现场局部网络中的作用。
Maxim公司的MAX824,具有高、低复位电平输出,集强大功能(上电复位、欠电压复位、“看门狗”等和微小封装(SOT23-5)于一身,是uP监控复位电路的理想选择。
RAM62256(256kbit),用于通讯过程中各网络的接收和发送缓冲区、网络节点的接收和发送缓冲区及CPU数据处理缓冲。
EEPROM 93C46(512kbit),用以存放网络配置,包括网络种类、各网络节点数目及地址信息等。
其电路原理图如图1所示。

图1 总线适配器小系统原理图
2、RS-232接口部分
由于本现场总线适配器包括RS-232和RS-422/485两个独立的接口,势比需要二个异步串行口(UART),而CPU89C51只带有一个(UART),显然本系统中需要外扩一个UART。鉴于体积、功耗和性能价格比上的考虑,传统的UART控制器如8250等已难以满足要求,令人鼓舞的是Maxim公司推出不久的SPI接口的UART控制器正好满足要求,其主要性能为:SPI/Microwire兼容的uP接口,8字节接收FIFO,9位地址识别中断、IrDA SIR时序兼容、RTS输出和CTS输入最高波特率230k、工作电压+2.7V至+5.5V、工作电流仅0.5mA、DIP14或QSOP16封装。MAX3100优良的性能,更适合在本系统中使用。
RS-232通讯接口部分包括UART控制器和RS-232/TTL电平转换IC。UART采用了MAX3100,而接口芯片采用了单+5V供电的MAX202(传统上采用±12 或±15V供电的MC1488和MC1489两片方案)完成电平的相互转换。采用上述方案,使我们大大地简化了电路和电源设计、减小体积、降低功耗和成本。此部分的电路原理如图2所示。

图2 RS-232接口电路部分原理图
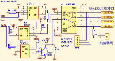
3、RS-422/485接口部分
图3所示的RS-422/485接口部分原理图是典型的RS-422/485通讯接口电路,即适用于全双工的RS-422(所有的RS-422/485 选择开关断开),也适用于半双工的RS-485(所有的选择开关闭合)。89C51提供UART控制器,其中P1.5控制发送使能端Tx-EN。 接口芯片采用的是MAX1482(传统上采用75174和75175或MC3486和MC3487两片方案)实现TTL/RS-422电平的相互转换,除了缩小体积、降低功耗外,还具有最多256个网络节点的收发能力。

图3 RS-422/485接口部分原理图
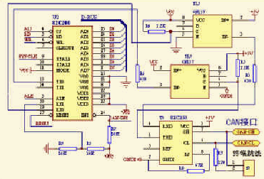
4、CAN总线接口部分
CAN总线之所以在国内乃至全球范围内一直保持高速发展,这完全取决于其卓越的性能。最早CAN总线主要应用在汽车领域,随着集成工艺的发展和成本的降低,被越来越多的控制领域内的软硬件工程师所接受,广泛地应用于各行各业的控制局域网中。应该说,FF、Lonworks 或CEbus 与国内的技术状况和承受能力有一段距离,CAN总线可能更适合我国国情。其主要性能指标为:多主站仲裁结构(分地址优先级,非破坏方式仲裁);支持主从或广播方式;不加任何扩展最多110个节点;最高通讯速率1Msps;最远通讯距离5kM;通常CAN控制器内部设有接收和发送缓冲区,通讯以帧为单位,最多8个字节的数据,硬件自动进行16位CRC校验,而且具有极强的总线和通讯错误的管理能力。
在我们设计的CAN接口电路中采用了PHILIPS公司生产的CAN总线控制器和CAN接口芯片,分别为82C200(引脚兼容的升级版本为SJC1000)和82C250, 图4为典型的CAN总线接口部分原理图。由于CAN总线的控制器和接口IC的内容太多,在此不作详细描述。

图4 CAN接口部分原理图
5、电源部分
电源方案采用体积小、重量轻的AC-DC模块,输入电压范围165-265VAC,输出两组电源,分别为VCC,GND(+5V/250mA)和+5V,GND2(+5V/150mA)较简单地完成电源方案设计。
四、软件设计
软件设计采用模块化结构,依据各个功能部分进行模块划分,大致划分为:总线适配器内部参数初始化;主循环程序;RS-232、RS-422/485和CAN接口初始化;各总线网络、各网络节点接收和发送缓冲区初始化;RS-232、RS-422/485和CAN接口对应的中断服务程序;通讯信息数据包的命令解释和处理程序;RS-232、RS-422/485和CAN接口对应于通讯信息包的装载和卸载程序;RS-232、RS-422/485和CAN接口对应的出错处理程序。
为便于网络命令和数据处理,本总线适配器采用统一的数据包格式,它们是:源逻辑地址(2字节)、目标逻辑地址(2字节)、命令(1字节)、数据长度(1字节)、数据、数据累加校验和(2字节)。其中源地址和目标地址定义基本相同,各位定义如下:B15——代表主从方式或广播方式;B14——代表主机或从机;B13,B12——代表第几个RS-232网络区间(1至3,0代表不是该网络地址,以下定义相同);B11,B10——代表第几个RS-422/485 网络区间;B9,
B8——代表第几个CAN 网络区间;B7-B0——对应网络区间下的物理地址(同一个网络区间下最多允许256个网络节点)。限于篇幅,在此不作更详细的讨论。
五、应用实例
在赤峰远大肉牛加工厂的冷库计算机分布式控制系统中(LJC-1000)采用了该现场总线适配器,图5为赤峰远大肉牛厂冷库DCS系统的网络结构图。在研制DCS系统过程中,充分利用现场网络终端控制设备在不同控制对象中的性能和成本优势,较好地解决了将不同终端网络控制设备连成一个控制系统的难题,使冷库的整个DCS 控制系统自动化控制和管理达到了国内先进水平。

图5 赤峰远大肉牛厂冷库DCS系统的网络结构图
六、结论
实践证明,本现场总线适配器能够较好地解决了不同现场总线之间的相互连接的问题。而且随着RS-422/485和CAN 总线进一步发展,基于这些网络接口的现场终端设备将更趋多样化,现在以至将来,在系统集成中必不可少地要使用现场总线适配器。因此此类现场总线适配器包括将来兼容FF、Lonworks和CEbus的总线适配器将具有广泛的应用前景。
责任编辑:gt
从profibusDP转ModbusTCP,一网打尽转换技巧!