时间:2020-04-10 08:31
人气:
作者:admin
USB(Universal Serial Bus,通用串行总线)是计算机上的一种新型接口技术,它使得计算机和外部设备的连接十分方便。HID 是Human InterfaceDvices 的缩写,即人机接口设备,是USB 协议中最早提出并支持的一种设备类。典型的HID有键盘和鼠标等,其主要用于和计算机进行交互通信。鼠标属于HID设备,USB串行总线规范专门定义了HID 类规范。Windows操作系统能够方便地和HID设备建立连接。
2 USB总线接口芯片CH372
2.1 功能介绍
CH372 是一个USB 总线的通用设备接口芯片,是CH371的升级产品,是CH375芯片的功能简化版。
CH372 具有8 位数据总线和读、写、片选控制线以及中断输出,可以方便的挂接到单片机/DSP/MCU/MPU 等控制器的系统总线上;在计算机控制中,CH372 的配套软件提供了简洁易用的操作接口,与本地端的单片机通讯就如同读写文件。
CH372 内置了USB 通讯中的底层协议,具有省事的内置固件模式和灵活的外置固件模式。在内置固件模式下,CH372 自动处理默认端点0 的所有实物,本地端的单片机只要负责数据交换,所以单片机程序非常简洁。在外置固件模式下,由外部单片机根据需要自行处理各种USB 请求,从而可以实现符合各种USB 类规范的设备。
2.2 通信原理

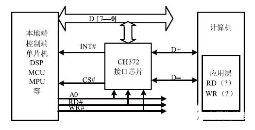
图1 通信原理框图
图1 为CH372 通信原理框图,D7~D0 为8 位双向数据总线、RD#为读选通输入引脚、WR#为写选通输入引脚、CS#为片选输入引脚、INT#为中断输出引脚、A0 为地址输入引脚。
CH372 芯片的RD#和WR#可以分别连接到单片机的读选通输出引脚和写选通输出引脚。CS#由地址译码电路驱动,用于当单片机具有多个外围器件时进行设备选择。INT#输出的中断请求是低电平有效,可以连接到单片机的中断输入引脚或者普通I/O 引脚,单片机可以使用中断方式或者查询方式获知中断请求。
当WR#为高电平并且CS#和RD#及A0 都为低电平时,CH372 中的数据通过D7~D0 输出;当RD#为高电平并且CS#和WR#及A0 都为低电平时,D7~D0 上的数据被写入CH372 芯片中;当RD#为高电平并且CS#和WR#都为低电平而A1 为高电平时,D7~D0 上的数据被作为命令码写入CH372 芯片中。
3 硬件电路

图2 HID 设备硬件电路图
1 引言
USB(Universal Serial Bus,通用串行总线)是计算机上的一种新型接口技术,它使得计算机和外部设备的连接十分方便。HID 是Human InterfaceDvices 的缩写,即人机接口设备,是USB 协议中最早提出并支持的一种设备类。典型的HID 有键盘和鼠标等,其主要用于和计算机进行交互通信。鼠标属于HID 设备,USB 串行总线规范专门定义了HID 类规范。Windows 操作系统能够方便地和HID 设备建立连接。
2 USB总线接口芯片CH372
2.1 功能介绍
CH372 是一个USB 总线的通用设备接口芯片,是CH371的升级产品,是CH375芯片的功能简化版。
CH372 具有8 位数据总线和读、写、片选控制线以及中断输出,可以方便的挂接到单片机/DSP/MCU/MPU 等控制器的系统总线上;在计算机控制中,CH372 的配套软件提供了简洁易用的操作接口,与本地端的单片机通讯就如同读写文件。
CH372 内置了USB 通讯中的底层协议,具有省事的内置固件模式和灵活的外置固件模式。在内置固件模式下,CH372 自动处理默认端点0 的所有实物,本地端的单片机只要负责数据交换,所以单片机程序非常简洁。在外置固件模式下,由外部单片机根据需要自行处理各种USB 请求,从而可以实现符合各种USB 类规范的设备。
2.2 通信原理

图1 通信原理框图
图1 为CH372 通信原理框图,D7~D0 为8 位双向数据总线、RD#为读选通输入引脚、WR#为写选通输入引脚、CS#为片选输入引脚、INT#为中断输出引脚、A0 为地址输入引脚。
CH372 芯片的RD#和WR#可以分别连接到单片机的读选通输出引脚和写选通输出引脚。CS#由地址译码电路驱动,用于当单片机具有多个外围器件时进行设备选择。INT#输出的中断请求是低电平有效,可以连接到单片机的中断输入引脚或者普通I/O 引脚,单片机可以使用中断方式或者查询方式获知中断请求。
当WR#为高电平并且CS#和RD#及A0 都为低电平时,CH372 中的数据通过D7~D0 输出;当RD#为高电平并且CS#和WR#及A0 都为低电平时,D7~D0 上的数据被写入CH372 芯片中;当RD#为高电平并且CS#和WR#都为低电平而A1 为高电平时,D7~D0 上的数据被作为命令码写入CH372 芯片中。
3 硬件电路

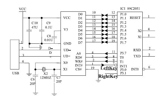
图2 HID 设备硬件电路图
图2 中是没有外部扩展总线的单片机系统,单片机用普通的I/O 引脚模拟出8 位并口时序操作CH372 芯片。在这个电路中,CH372 的CS#固定为低电平,一直处于片选状态。IC1 的P1 端口作为8位双向数据总线,在单片机程序中,可以控制各个I/O引脚模拟并口时序与CH372 进行数据交换。
单片机的P3.0 引脚模拟为鼠标的左键;P3.1 引脚模拟为鼠标的右键。
4 软件设计
4.1 HID 类设备描述符枚举
USB Mouse 属于HID 设备,和所有的HID 设备一样遵从USB 启动流程:设备插入→总线复位→设备枚举→数据接收/传送。怎样让PC 认识USB Mouse流程中的设备枚举就是告知PC 设备描述类型[5].当插入USB 设备后,主机会向设备请求各种描述符来识别设备。为了把一个设备识别为HID 类别,设备在定义描述符的时候必须遵守HID 规范,因此除了USB 标准定义的一些描述符外,HID 设备还必须定义HID 描述符。主机通过识别描述符从而认识设备,认识设备数据通信格式,从而才能正常进行数据传送接收。
下面图3 是在调试过程中的截图,可以清楚地看出枚举有没有成功,有没有被PC 机设别出来。他们分别是成功识别,识别出设备有问题,无法识别USB设备。

图3 调试过程3 种状态截图。
4.2 单片机本地端主程序
4.2.1 主程序流程图

图4 主程序流程图
4.2.2 部分子程序代码
本地端主程序可以参照图4 流程编写代码。在程序中,外置模式的设置是在CH372 初始化的子程序中完成的;中断子程序编写需要参考CH372 中文手册(二)。从图2 的硬件电路连接上可以看出,单片机的P1 口与CH372 的数据端连接,并非以总线方式挂接在单片机上,因此需要单片机的I/O 拟出相应的时序操作CH372 芯片。下面给出单片机通过数据端口写命令,写数据,读数据的三段代码。



枚举成功后,PC 机识别为USB Mouse.此时单片机根据图2 中所示的遥控指示信号LeftKey(P3.0 脚)和RightKey(P3.1 脚)电平高低,通过CH372端点1(中断端点)发送USB 鼠标相应的键值给PC 机,端点1(中断端点)的缓冲区数据块长度为4 个字节,LeftKey 或者RightKey 键值需要放在第一个字节上。如果鼠标左键按下,则返回0x01,0x00,0x00,0x00;若鼠标右键按下,则返回0x02,0x00,0x00,0x00。
下面给出端点1 上传数据示例:


5 结语
本系统是CH372 设置为灵活的外围固件模式下的应用和开发。系统硬件设计简单,软件流程清晰。
若将硬件和软件做很小的改动,就可以设计出其他很多HID 类设备。
从profibusDP转ModbusTCP,一网打尽转换技巧!