时间:2020-04-12 10:20
人气:
作者:admin
宝马(BMW)轿车配装的数字式高级汽车音响根据配置和要求不同而不一样,大多属于CCR系列类,主要有CCR-800系列、CCR-610系列、CCR-690系列、CCR-890系列等。这些系列的产品基本电路大致相同,基本功能大同小异,有的仅是功能有所增加或不同,使用的元器件不一样,本文主要介绍基本电路中的I2C总线控制多路音源电路。(以CCR-800DH型音响为例)。
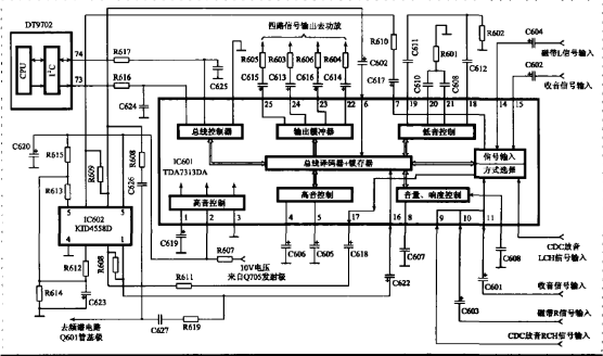
宝马(BMW)轿车数字式高级音响I2C总线控制多路音源处理电路如图1所示,主要由IC601(TDA7313DA)、lC602(KID4558D)两块集成电路为主构成。

1、TDA7313DA简介
TDA7313DA是飞利浦公司生产的专用于数字音响的I2C总线控制式集成电路,可用于音量、高音和低音、音量平衡、扬声器前、后控制、以及多路信号输入选择、四路输出声道的数字式控制等。这些功能是由三线通信接口(双向数据线、时钟输入线和识别线)与微处理器DT9702连接后,采用I2C总线控制方式来实现的。
TDA7313DA的选择输出端7、17脚提供了外接信号的处理电路,以便于加接图示均衡器(GEQ)、降噪电 路(DNR)、Hi-Fi前置放大电路等。若不需要时,则可用电容直接与输入端的6、16脚相连即可。
TDA7313DA集成电路各引脚功能及数据如表1所列。

2、KID4558D简介
KID4558D是一块双运算放大器,在电路中构成了高保真前置放大电路,其各引脚功能及数据如表2所列。

3、I2C总线控制过程
单片微处理器DT9702的I2C总线控制功能除了与显示驱动电路相连外、其被控器还有TDA7313DA。后者可对音量、音调、音量平衡、前后扬声器等进行控制。DT9702是通过I2C总线的CLK(时钟线)和DETA1(数据线1)两根线来传送信号的。其中,CLK为电路提供时基信号,不参与控制信号的传输;数据线(DATA1)是各个控制信号的必经之路。
所有控制信号已预先经过模/数(A/D)转换形成数字信号,存放在存储器内。工作时,I2C总控制系统CPU把所要控制的信号从存储器中调出,输送给IC601。当IC601接收到该编码信号,经解码变成模拟信号(D/A变换)后,控制所要调整的功能电路,实现某项功能。
DT9702的73脚为时钟线,与IC601的28脚相连;74脚为数据线,与27脚相连。在对IC601各功能进行控制时,可先用遥控器或面板“SELECT”(音频选择)键选出所要调整的功能,每按一次该键,功能转换即变化一次。其变化顺序为:VOL(音量)→TRE(高音)→BASS(低音)→BAL(左右平衡)→FAD(前后控制)→VOL……。
当选择到需要调整的功能后(如对音量调整,则选择“VOL”),进一步再按压该功能的调节键(如“VOL UP”或“VOL DOWN”),就可对该项功能进行调整了。
4、信号输入与选择
由AM收音头TUl02 7脚输出的AM音频信号经VD201与VD202隔离后经C602与C601加到IC601的11与15脚上(相关电路如图2所示);由IC103输出的FM音频信号经VD103、VD104隔离后由C602、C601耦合也加到IC601的15、11脚;IC301 3、6脚输出的放音信号,经C603、C604加到IC601 10、14脚;多碟CDC前置放大器IC501 1、7脚输出的音频信号,经C506、C505加到IC601的13、9脚。

上述这几路信号进入IC601后(见图1)加到信号输入与方式选择电路,选择后的两路左、右声道信号从7、17脚输出。
5、高保真前置放大
高保真前置放大由IC602(KID4558D)为主构成。从IC6017、17脚输出的音频信号,经C617与R610、C618与R611耦合加至IC602的6、2脚内进行高保真放大后,从1、7脚输出到C622、C602电容耦合到IC601的16、6脚。
6、音频控制
IC601 16、6脚输入的信号,经接口缓冲器处理后到低音或高音控制,音量及等响度控制,音量平衡等功能进行控制后,又经缓冲后从22~25脚输出。
DT9702通过I2C总线对上述功能进行控制,在对等响度进行控制时,是在音量控制衰减时,提升高频(4dB)、低音(5dB)来实现的。高音音调控制仅用两只高音提升电容C606、C605;低音音调控制仅用两组低音补偿“T”形网络(由C608、R601、C610和C611、R602、C612组成)就可实现。
IC601 8、12脚外接的C607、C608为等响度提升电容;1脚外接的C619为IC内参考基准电压滤波电容。
经音频控制后从IC601 22-25脚输出的四路信号,由C613-C616电容耦合送至音频功率放大电路和线路输出插口(经R833-R836电阻)。
7、故障检修提示
IC601是各种音源的汇集点,该电路出问题时,会导致无声故障。确认问题是否出在这一级的方法也很简单,只要用一只O.47 u F的电容分别跨接在IC601的各音源输入(9-15脚)与输出端(22-25脚中任一引脚均可),如果有声,则就说明IC601组成的电路有问题。
责任编辑:gt
从profibusDP转ModbusTCP,一网打尽转换技巧!