时间:2020-03-05 14:39
人气:
作者:admin
随着现代无线通信系统的发展,移动通信、雷达、卫星通信等 通信系统对收发切换开关的开关速度、功率容量、集成性等方面有了更高的要求, 因此研究总线技术,开发满足军方特殊要求的总线模块,具有十分重要的意义,我们将利用虚拟仪器思想,将硬件电路以软件的方式实现,以下设计的 射频开关可以由计算机直接控制,可以很方便地与总线测试系统集成,最大限度的发挥计算机和微电子技术在当今测试领域中的应用,具有广阔的发展前景。
1 VXI总线接口电路的设计与实现
VXIbus 是VMEbus在仪器领域的扩展,是计算机操纵的模块化自动仪器系统。它依靠有效的标准化,采用模块化的方式,实现了系列化、通用化以及VXIbus仪器 的互换性和互操作性,其开放的体系结构和PlugPlay方式完全符合信息产品的要求。它具有高速数据传输、结构紧凑、配置灵活、电磁兼容性好等优点,,因此系统组建和使用非常方便,应用也越来越广泛,已逐渐成为高性能测试系统集成的首选总线。
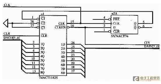
VXI 总线是一种完全开放的、适用于各仪器生产厂家的模块化仪器背板总线规范。VXI总线器件主要分为:寄存器基器件、消息基器件和存储器基器件。目前寄存器基 器件在应用中所占比例最大(约70%)。VXIbus寄存器基接口电路主要包括:总线缓冲驱动、寻址和译码电路、数据传输应答状态机、配置及操作寄存器组 四个部分。四个部分中除总线缓冲驱动采用74ALS245芯片来实现外,其余部分都用FPGA来实现。采用一片FLEX10K 芯片EPF10K10QC208-3和一片EPROM芯片EPC1441P8,利用相应软件MAX+PLUSⅡ来进行设计与实现。

1.1 总线缓冲驱动
该 部分完成对VXI背板总线中的数据线、地址线和控制线的缓冲接收或驱动,以满足VXI规范信号的要求。对于A16/D16器件,只要实现背板数据总线 D00~D15的缓冲驱动。根据VXI总线规范的要求,此部分采用两片74LS245实现,用DBEN*(由数据传输应答状态机产生)来选通。
1.2 寻址和译码电路
寻址线包括地址线A01~A31、数据选通线DS0*和DS1*、长字线LWORD*。控制线包括地址选通线AS*和读/写信号线WRITE*。
本电路的设计采用MAX+PLUSⅡ的原理图设计方式。利用元件库里的现有元件进行设计,采用了两片74688和一片74138。
该 功能模块对地址线A15~A01及地址修改线AM5~AM0进行译码。当器件被寻址时,接收地址线及地址修改线上的地址信息,并将其与本模块上硬件地址开 关设置的逻辑地址LA7~LA0相比较,如果AM5~AM0上逻辑值为29H或2DH(由于是A16/D16器件),地址线A15、A14均为1,并且 A13~A06上的逻辑值与模块的逻辑地址相等时,该器件被寻址选通(CADDR*为真)。接着其结果被送往下一级译码控制,通过对地址A01~A05进 行译码选中模块在16位地址空间的寄存器。
1.3 数据传输应答状态机
数据传输总线是一组高速异步并行数据传输总线,是VMEbus系统信息交换的主要组成部分。数据传输总线的信号线可分为寻址线、数据线、控制线三组。
该部分的设计采用MAX+PLUSⅡ的文本输入设计方式。由于DTACK*的时序比较复杂,所以采用AHDL语言来进行设计,通过状态机实现。
该 功能模块对VXI背板总线中的控制信号进行组态,为标准数据传输周期提供时序及控制信号(产生数据传输使能信号DBEN*,总线完成数据传输所需的应答信 号DTACK*等)。在进行数据传输时,系统控制者首先对模块进行寻址,并将相应的地址选通线AS*,数据选通线DS0*、DS1*以及控制数据传输方向 的WRITE*信号线等设置为有效电平。当模块检测到地址匹配及各控制线有效后,驱动DTACK*为低电平,以此向总线控制者确认已经将数据放置在数据总 线上(读周期)或已经成功地接收到数据(写周期)。
1.4 配置寄存器
每个VXI总线器件都有一组“配置寄存器”,系统主控制器通过读取这些寄存器的内容来获取VXI总线器件的一些基本配置信息,如器件类型、型号、生产厂家、地址空间(A16、A24、A32)以及所要求的存储空间等。
VXI总线器件的基本配置寄存器有:识别寄存器、器件类型寄存器、状态寄存器、控制寄存器。
该部分电路的设计采用MAX+PLUSⅡ的原理图设计方式,利用74541芯片,其创建的功能模块。
ID、 DT、ST寄存器都是只读寄存器,控制寄存器为只写寄存器。本设计中,VXI总线主要用于控制这批开关的通断,所以,只要向通道寄存器中写入数据就可以控 制继电器开关的吸和或断开状态,查询继电器状态也是从通道寄存器中读取数据即可。根据模块设计需要,在其相应各数据位写入适当的内容,从而能够对功能模块的射频开关进行有效控制。
2 模块功能电路板的设计
每个VXI总线器件都有一组“配置寄存器”,系统主控制器通过读取这些寄存器的内容来获取VXI总线器件的一些基本配置信息,如器件类型、型号、生产厂家、地址空间(A16、A24、A32)以及所要求的存储空间等。
射 频电路的频率范围约为10kHz到300GHz。随着频率的增加,射频电路表现出不同于低频电路和直流电路的一些特性。因此,在设计射频电路的板时 就需要特别注意射频信号给板所带来的影响。本射频开关电路是由VXI总线控制的,在设计中为减少干扰,在总线接口电路部分与射频开关功能电路间采用 排线连接,以下主要介绍射频开关功能电路部分PCB板的设计。
2.1元器件的布局
电磁 兼容性(EMC)是指电子系统在规定的电磁环境中按照设计要求能正常工作的能力。对于射频电路PCB设计而言,电磁兼容性要求每个电路模块尽量不产生电磁 辐射,并且具有一定的抗电磁干扰能力。而元器件的布局直接影响到电路本身的干扰及抗干扰能力。也直接影响到所设计电路的性能。布局总的原则:元器件应尽可能同一方向排列,通过选择PCB进入熔锡系统的方向来减少甚至避免焊接不良的现象;元器件间最少要有0.5mm的间距才能满足元器件的熔锡要求,若PCB板的空间允许,元器件的间距应尽可能宽。元器件的合理布局也是合理布线的一个前提,因此应该综合考虑。在本设计中,继电器是用于转换射频信号的通道,故应将继电器尽量贴近信号输入端与输出端,以此来尽量减短射频信号线的走线长度,为下一步的合理布线做出考虑。此外,本射频开关电路是由VXI总线控制,射频信号对VXI总线控制信号的影响也是布局时必须考虑的问题。
2.2 布线
在基本完成元器件的布局后,就要开始布线,布线的基本原则为:在组装密度许可情况下,尽量选用低密度布线设计,并且信号走线尽量粗细一致,有利于阻抗匹配。
对于射频电路,信号线的走向、宽度、线间距的不合理设计,可能造成信号传输线之间的交叉干扰;另外,系统电源自身还存在噪声干扰,所以在设计射频电路PCB时一定要综合考虑,合理布线。
布 线时,所有走线应远离PCB板的边框(2mm左右),以免PCB板制作时造成断线或有断线的隐患。电源线要尽可能宽,以减少环路电阻,同时,使电源线、地 线的走向和数据传递的方向一致,以提高抗干扰能力。所布信号线应尽可能短,并尽量减少过孔数目;各元器件间的连线越短越好,以减少分布参数和相互间的电磁 干扰;对于不相容的信号线应尽量相互远离,而且尽量避免平行走线,而在正反两面的信号线应相互垂直:布线时在需要拐角的地方应以135度角为宜,避免拐直 角。
以上设计中,PCB板采用四层板,为减小射频信号对VXI总线控制信号的影响,故将两种信号走线分别放在中间两层,且射频信号线用接地过孔带屏蔽。
2.3 电源线和地线
在 射频电路PCB设计中的布线需要特别强调的是电源线与地线的正确布线。电源和地线方式的合理选择是仪器可靠工作的重要保证。射频电路的PCB板上相当多的 干扰源是通过电源和地线产生的,其中地线引起的噪声干扰最大。根据PCB板电流的大小,电源线、地线线条设计的要尽量粗而短,减少环路电阻。同时使电源 线、地线的走向和数据传递的方向一致,这样有助于增强抗噪声能力。在条件允许的情况下尽量采用多层板,四层板比双面板噪声低20dB,六层板又比四层板噪 声低10dB。
在本文设计的四层PCB板中,顶层和底层两层均设计为地线层。这样无论中间层哪一层为电源层,电源层和地线层这两个层彼此靠近的物理关系,形成了一个很大的去耦电容,减少了地线所带来的干扰。
地线层采用大面积铺铜。大面积铺铜主要有以下几个作用:
(1)EMC.对于大面积的地或电源铺铜,会起到屏蔽作用。
(2)PCB工艺要求。一般为了保证电镀效果,或者层压不变形,对于布线较少的PCB板层铺铜。
(3)信号完整性要求,给高频数字信号一个完整的回流路径,并减少直流网络的布线。
(4)散热,特殊器件安装要求铺铜等等。
3 结论
VXI 总线系统是一种在世界范围内完全开放的、适用于多厂商的模块化仪器总线系统,是目前世界上最新的仪器总线系统。以上主要介绍了基于VXI总线的射频开关模 块的研制。介绍了总线接口的设计以及射频开关模块功能电路部分PCB板的设计。射频开关由VXI总线控制,增加了开关操作的灵活性,使用方便。
责任编辑;zl
从profibusDP转ModbusTCP,一网打尽转换技巧!