时间:2020-03-16 10:23
人气:
作者:admin
引言
LIN 本地互联网络是一种将开关、显示器、传感器及执行器等简单控制设备连接起来的串行通信网络,主要用于实现汽车中的分布式电子系统控制。因其主要目标是为汽车网络(如CAN总线)提供辅助功能,因此通常作为子网络,用于一些不需要诸如CAN总线的带宽和多功能的场合,比如智能传感器和制动装置之间的通信。使用LIN总线可大大节省成本,该低成本的串行通信模式和相应的开发环境已经由LIN协会制定成标准,为汽车制造商以及供应商在研发、应用电子产品方面降低成本。但是,LIN的应用并不局限于汽车领域,在诸如工业控制领域也理所应当占有广阔的应用地位和前景。
LIN 总线的技术特点包括:⑴单主机,多从机结构(没有总线仲裁);⑵基于普通UART/ SCI 接口的低成本硬件、低成本软件或作为纯状态机;⑶带时间同步的多点广播接收,从节点无需石英或陶瓷振荡器;⑷确定性的信号传输;⑸低成本的单线实现;⑹速率可达20 kbit/s;⑺总线长度≤40m;⑻保证信号传输的延迟时间;⑼可选的数据场长度0~8bytes;⑽灵活性的配置;⑾数据校验和的安全性和错误检测;⑿网络中故障节点的检测;⒀使用最小成本的半导体元件(小尺寸,单芯片系统);⒁不需改变LIN从节点的硬件和软件即可在网络上增加节点;⒂ 通常一个LIN 网络节点数小于16 个。
LIN2.0总线技术
LIN2.0版本反映了LIN协会的定义趋势,通过比较LIN1.3和LIN2.0规范,可看到最重大的两个变化是对于配置和诊断的标准化支持,以及指定节点能力文件,这都是为了要简化现有节点的使用。LIN工作原理是基于单主/多从概念。在一个LIN簇中,由一个主节点以及数个从节点构成。主节点由主机任务和从机任务组成。而所有其他的节点只包含从机任务。图1所示为典型的LIN簇,即一个主节点,两个从节点。主机任务决定何时以及传送哪一帧,而从机任务则传送帧数据。

图1单主多从原理图
LIN2.0报文帧由帧头和帧响应组成,其中帧头由主机任务传送,帧响应由从机任务传送。每个报文帧都包含2、4、8字节的数据。报文帧的结构由一个同步间隔域(Break)以及随后的4至11个字节域(byte field)构成,如图2所示。

图2 LIN报文帧结构及字节域结构
表1 LIN总线和CAN总线性能比较

同步间隔域
同步间隔域可看作是一中断,用来表示一个新报文帧的开始,由主节点中的主机任务在LIN总线上产生至少13位显性状态,其中包含起始位和同步界定符。
·同步域:其格式为0x55,表现为8个位定时中有5个下降沿。
·保护识别符:用于描述报文数据的含义,一个保护识别符域由两个子域组成:其中第0位到第5位是识别符位,第6和第7位是奇偶校验位。识别符共6位,取值范围为0至63。识别符可分为4类:
0到59(0x3b)用于信号传输的报文帧;
60(0x3c)和61(0x3d)用于传送诊断数据;
62(0x3e)为留给用户的扩展帧;
63(0x3f)为保留用于以后协议增订使用。
·数据域:一个报文帧可以“携带”0到8字节的数据。
·校验和:校验和等于数据域所有字节的和的取反。对于只计算数据域所有字节的校验和,称为传统校验和。如果校验和要将保护识别符和数据域所有字节一起计算,则称为增强性校验和。
表1 LIN总线和CAN总线性能比较
由表1可见,LIN总线的整体性能要比CAN差很多,但LIN总线较CAN总线的最大优势在于实现成本比较低,由于LIN面向的是并不需要CAN的性能、带宽及复杂性的低端系统,因此在这些场合中LIN有较为广泛的应用。
图3 UJA1023配置流程图
LIN从节点应用设计
本文采用NXP推出的本地互联网络I/O附属扩展芯片UJA1023,可协助构建高性价比、高可靠度的车内LIN网络。虽然,该芯片起初的设计初衷是应用在高档轿车行业,但由于该芯片的高集成性和可靠性等特点,完全能够用于诸如电力工业领域等。UJA1023 是一个独立的可应用于本地互联网络(LIN)I/O的从节点,它可以代替传统的电子控制单元中所使用的基本部件,这些电子控制单元用于对I/O进行控制。
UJA1023 芯片内包含一个LIN 2.0 控制器,一个集成的LIN收发器,并同时兼容LIN1.3 规范。同时还包括8个可通过LIN总线进行配置的I/O端口。UJA1023 具有自动比特率同步电路,可以在1kbit/s 至20kbit/s 范围内与主节点保持同步,因此芯片内集成了一个晶振。
LIN协议由芯片自动进行处理,从节点的地址NAD和帧识别符(frame Identifier)的设置由主请求命令(master request)和从响应命令(slave response)以菊花链方式或即插方式完成。8 个双向I/O引脚可由LIN总线命令进行配置,并且可以具有以下的功能:
输入功能
·标准输入引脚;
·本地唤醒;
·边沿捕获;
·模拟信号输入引脚;
·开关矩阵(与输出引脚配合使用)。
输出功能
·标准输出引脚,可配置为高边驱动、低边驱动、推拉驱动模式;
·周期(循环)侦听模式用于本地唤醒;
·PWM模式,例如,驱动轿车后灯;
·开关矩阵(与输入引脚配合使用)。
配置流程
UJA1023可通过LIN命令帧,即主请求命令和从响应命令以报文链的形式完成配置。主请求命令发送配置数据,而主请求命令的目标从节点在收到命令后将发送相应的数据给主节点作为响应。图3所示为UJA1023的配置流程,其中主请求命令和从响应命令之间井然有序的配合就是一种“握手”的概念。
UJA1023应用实例

图4 通用I/O口应用
由图4所示。单片UJA1023具有8个I/O口可作为通用I/O口使用。在图4中,P0、P1用于读入开关量的值。P3用于驱动发光二极管。P5通过功率放大可驱动电机。P7则对模拟量进行采集,P2还可以驱动继电器,因而UJA1023在继电保护中也有“用武之地”。
多片UJA1023应用
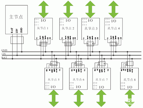
使用即插方式,通过“单主多从”的方式,将多片UJA1023连成网络形式的应用。由图5所示为由1个主节点和8个从节点组成的基于单主多从模式的LIN网络。由图可知,每个从节点有8路I/O,因此该网络总共有多达64路的控制口。可进行多种形式的多路控制。其特点就是应用灵活,配置方便,扩展性强,成本低廉,可靠性高。值得一提的是,图5只是一个子网络,如果需要更多的端口,完全可以按图5的形式进行多网络扩展,而网与网之间可以通过网关来连接。

图5 基于单主多从模式的LIN网络
该形式十分适合于如图6所示的电力系统继电保护应用中。下位低频低压减载装置的设计目的是完成35kV系统根据电力系统频率和电压变化,按预定的控制方案切除电力负荷。

图6 系统总体框图
图6中每台低频减载装置中的内部结构的设计思想,以图5为参考,一个装置中包含一个基于单主多从的子网络,即含有多片UJA1023,而每片芯片的I/O口驱动若干的继电器,以在必要时控制继电器以切除负载。
结语
由以上的分析不难得出结论,在工业自动化领域,对于数据的传输速率要求不高的传感器、数字量I/O、显示和执行部件的控制连接固然可以使用CAN,但是这样可以会造成浪费。在这种情况下,LIN的成本廉价,抗干扰性强,使用单线连接的优越性就体现出来了。此外,在家用电器中也可使用LIN总线,例如在洗衣机中,微处理器通过LIN总线的传感器进行水位、水流、水温的测量,通过连在总线上的电动阀进行给水和排水控制。因此 LIN总线技术的应用范围远不是局限于汽车工业,而在其他领域也同样有着不可忽视的广阔应用前景和现实意义。
责任编辑:gt
从profibusDP转ModbusTCP,一网打尽转换技巧!