时间:2019-10-16 16:21
人气:
作者:admin
记录仪上记录的数据是管理和事故分析的关键资料,如果数据采集方式不科学,传输不方便,那么对汽车行驶记录仪产品,甚至整个汽车行驶记录仪行业而言无疑是沉重的打击。
本文就是在对汽车行驶记录仪的多种数据传输方式进行深入了解、探讨和研究后,提出了行之有效的新思路,解决了上述问题。
数据传输方案设计
汽车行驶记录仪国家标准中对数据作如下描述:“记录仪应同时配置以下两种标准接口;1.USB(通用串行总线)标准接口,建议采用主结构式USB接口;2.标准RS232CD型9针接口。在具备上述通信接口的基础上,本标准不排除同时使用其他通信方式的可能性。”
针对以上要求,可以采用如下几种数据传输的方案。
采用串行口的数据传输方式,通过RS232串行口在记录仪和管理计算机之间建立通信链路,直接进行数据传输。这种传输方式容易实现,而且可靠性高,是汽车行驶记录仪国家标准要求的标准配置接口。但每次读取数据时都要建立这样的连接,比较麻烦,而且数据传输速度慢,数据读取不方便。
为提高数据传输速度,可以采用USB的传输方式,即在记录仪和管理计算机之间通过USB连接线建立数据通信链路。这与RS232串行口相比可以大大提高数据的传输速度,但也存在着连接麻烦、数据读取不方便等缺点。
还可以采用IC卡进行数据传输,将IC卡插入记录仪,记录仪自动将内部数据转存到IC卡,通过读卡器再将数据读入管理计算机内。这种方式简单、方便、速度快,但每辆车都要用不同的IC卡,这就需要很多IC卡,这种方式适合一般的单位使用。
随着移动存储技术的发展,移动存储(如闪存盘)的容量越来越大,一般都在128Mb、256Mb以上,采用闪存盘进行存储具有速度高、存储介质少等优点,非常方便管理,是一种很理想的数据传输方式。但主结构的USB控制器设计比较复杂,并且要对文件系统(FAT)非常熟悉。
IC卡读写器的设计
如何将AT45D041型IC卡快速读入计算机,是IC卡读写器设计的关键。在设计过程中共开发出两种读写器,串行接口读写器和并行接口读写器。
1 串行接口读写器的设计
如图1所示,IC卡经由单片机与计算机进行数据交换,计算机通过串行口,经电平变换后与单片机进行通信,单片机根据计算机发出的指令再对IC卡进行操作。这种思路设计出的电路相对比较复杂,单片机编程的工作量较大,最大的缺陷是IC卡的数据读写速度慢,无法在较短的时间里将大量的数据读入计算机中。

图1 串行接口读卡器原理图
串行接口读写器最高可以工作在115200b/s的传输速率下。串行接口读写器还可以通过COM-USB转换器,升级为USB型读写器,其读写速度与串行接口读写器相同。
2 并行接口读写器的设计
并行接口读写器的原理如图2所示。并行接口读写器与计算机的打印口连接。AT45D041型IC卡通过总线驱动器74LS245与计算机进行数据交换,计算机直接对IC卡进行操作。根据这一思路设计的读写器具有硬件结构简单、成本低、读写数据速度快等优良性能,适合大量数据的读入。

图2 并行接口读卡器原理图
打印口是计算机的标准配置接口,也称并行接口(LPT)。主机通过打印适配器往并行接口LPT可以发出5种命令,即数据写入命令、数据读出命令、控制字写入命令、控制字读出命令和状态字读出命令。一般数据口地址为378H(PRT1),状态口地址为379H(PRT2),控制口地址为37AH(PRT3)。打印口不仅用于和计算机相连,利用它还可以和主机进行多种并行通信。
USB数据传输的设计
USB接口有数据传输速度快、连接简单、兼容性好等特点。汽车行驶记录仪国家标准考虑到RS232接口使用的普及性和USB接口的先进性,规定了同时使用这两种接口实现数据通信。
在USB数据传输的设计方案中采用PDIUSBD12芯片作为USB控制器。PDIUSBD12完全符合USB1.1版规范;同时它还符合大多数器件的分类规格;还适用于许多外设,如打印机、扫描仪、外部的存储设备和数码相机等,它使得当前使用SCSI的系统可以立即降低成本。
单片机直接读写闪存盘,可以实现便携设备或者嵌入式系统的外挂式海量存储。这一技术的核心是USB-HOST技术,FAT文件系统规范的实现,海量存储协议的实现以及USB批量传输方式的实现,涉及到的协议众多,技术难度非常高。
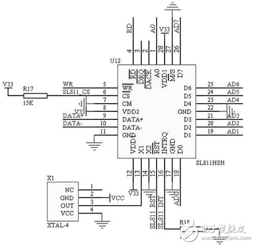
在如图3所示的设计方案中,USB接口芯片采用的是Cypress公司的USB-HOST接口芯片SL811,该芯片支持USB1.1协议、价格低、性能突出且可靠性高。文件系统采用FAT格式,可以兼容Windows 98和Windows 2000/XP。对于大多数厂家生产的闪存盘都可以成功存取。

图3 USB-HOST芯片SL811的接口电路
电路设计中的注意事项
为了提高电路的可靠性和EMI特性,在电路板设计和布线的过程中应注意以下一些规则:在电源、地线之间加上去耦电容;尽量加宽电源、地线宽度,最好是地线比电源线宽;信号线布在电(地)层上;在大面积的接地(电)中,常用元器件的引脚与其连接,对引脚的处理需要进行综合的考虑;布线设计完成后,需检查布线设计是否符合设计者所制定的规则,同时也需确认所制定的规则是否符合印制板生产工艺的需求。
方案验证
该设计方案已经在北京吉富通电子技术研究所生产的JJLY-03型汽车行驶记录仪、JJLY-05型智能汽车行驶记录仪(GPS记录仪)和JJLY-06型多功能汽车行驶记录仪(GPS-GPRS记录仪)等产品上得到应用。经验证,该方案可以满足汽车行驶记录仪对数据传输的要求,极大的提高了数据传输的速率和可靠性。
来源;电子工程网
从profibusDP转ModbusTCP,一网打尽转换技巧!