时间:2019-10-31 16:52
人气:
作者:admin
工业和医疗应用中机器和设备设计规定的愈加严格迫使我们必须要在几乎所有类型的电子系统或电路中实施电隔离。
尽管数字隔离器已经代替了模拟隔离器,从而简化了隔离接口的设计,但广大设计人员现在面临的挑战是日益增长的高系统性能需求。这里所说的高性能不仅仅指高数据速率和/或低功耗,而且还指高可靠性。一方面,在恶劣的工业环境中通过稳健的数据传输来满足这一需求。另一方面,特别是对隔离器而言,通过长使用寿命来解决这个问题。
最近在芯片设计和制造方面的技术进步已经成就了第二代数字电容隔离器,其高性能给低功耗和高可靠性定义了新的标准。本文将介绍其功能原理和内部结构,并讨论其电流消耗和预计寿命。
功能原理
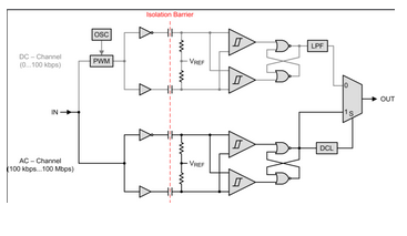
图 1 显示了一款数字电容隔离器 (DCI) 的内部结构图。该隔离器输入分为两个差分信号路径:一条为高数据速率通道(称作 AC-通道),另一条为低数据速率通道(称作 DC-通道)。AC-通道传输介于 100 kbps 和 100 Mbps 之间的信号,而DC-通道则涵盖了从 100 kbps 到 DC 的范围。

图 1 数字电容隔离器的内部结构图
高速信号由 AC 通道来处理,信号在通道中首先从单端模式转换为差分模式,然后被隔离层的电容-电阻网络差分为许多瞬态。后面的比较器再将这些瞬态转换为差分脉冲,从而设置和重置一个“或非”门触发器。相当于原始输入信号的触发器输出馈至判定逻辑 (DCL) 和输出多路复用器。DCL 包括一个看门狗定时器,该定时器用于测量信号转换之间的持续时间。如果两个连续转换之间的持续时间超出定时窗口(如低频信号的情况下),则 DCL 则指示输出多路复用器从 AC-通道切换到 DC-通道。
由于低频信号要求大容量电容器,而这种电容器使片上集成变得很困难,因此DC-通道的输入要有脉宽调制器 (PWM)。该调制器利用一个内部振荡器 (OSC) 的高频载波对低频输入信号进行调制。在 AC-通道中对调制后信号的处理过程与高频信号相同。然而,在向输出多路复用器提交该信号以前,需通过一个最终低通滤波器 (LPF) 滤除高频 PWM 载波,以恢复原始、低频输入信号。
相比其他隔离器技术,电容隔离器的一个主要优点是其 DC-通道在上电和信号丢失 (LOS) 事件期间隔离器输出端拥有正确的输入极性。缺少这些特性的其他隔离器技术通常会在上电期间出现输出突波,或者在信号丢失以前一直保持在最后一个输入极性。
内部结构
图 2 显示了一个单通道、电容隔离器的内部结构简化结构图。从内部来看,隔离器由两颗芯片组成:一个发送器和一个接收机芯片。实际隔离层由接收机芯片上的高压电容器来提供。
由于 AC-通道和 DC-通道均使用一种差分信号技术在数据传输期间提供高噪声抗扰度,因此必需要有 4 个隔离电容器来形成一条单隔离数据通道。

图 2 单通道电容隔离器的内部结构
图 2 的右侧显示了一个高压电容器的横截面。从发送器芯片出来的接合线连接到接收机端电容器铝顶板。底板(也为铝质)连接到接收机逻辑。板之间是夹层电介质,其为 16-μm 厚的二氧化硅 (SiO2) 层。
使用 SiO2 作为夹层电介质有两个好处:一、它是具有最小老化效应且最稳定的隔离材料之一,因此电容隔离器的预计寿命远远超过其他技术;二、使用标准半导体制造技术就可以处理 SiO2,从而大大降低了生产成本。
电容隔离的另外一个优点是每个电容 123 毫微微法拉 (123 x 10 -15 F) 的超低容量,从而允许极高的数据速率传输并实现多通道隔离器的微电容几何尺寸。
电流消耗
隔离器电流消耗高度依赖于内部结构。相比双通道隔离器,电感型隔离器似乎具有最低的 DC 电源电流(请参见图 3)。这是因为该器件只包含 2 条信号通道。但是,电容隔离器包含 4 条通道:2 条 AC 通道和 2 条 DC 通道。因此,其 DC 的电流消耗更高,而且其可靠性也更高,因为在输入信号丢失的情况下其可确保正确的输出极性。
系统空闲时就会出现 DC 电流。幸运的是,工业数据获取系统、PLC 和数字模拟 I/O 模块并非针对系统空闲而设计,其目的是将数据从传感器传输到控制单元,并从控制单元传输到传动器。这些工作的完成必须是快速、可靠和持续的。
一般而言,双通道隔离器用于隔离式 CAN 和 RS-485 总线节点,其中只有 2 条数据线路(发送和接收)要求隔离。例如,RS-485 收发器必须能够在一些极端共模状态下提供高达 ± 70mA 的驱动力才能达到标准。这样,即使在低数据速率条件下,DC 电流之间的差异也可以忽略不计。

图 3 电容和电感隔离器的电流消耗(左图为双通 道隔离器,右图为四通道隔离器)
相比四通道隔离器,图示结果有所改善。通道数为原来的两倍,因此电感隔离器的电流消耗也增加了一倍,然而相比双通道隔离器,四通道电容隔离器的通道数仅增加了一条。出现这种结果的原因是,仅使用了一条 DC-通道,其在四条 AC-通道之间得到多路传输(请参见图 4)。DC 通道仍然拥有高可靠性的同时,总电流消耗维持在最低水平,从而比双通道版本仅有最低限度的增加。

图 4 双通道及四通道电容隔离器的通道结构
四通道隔离器用于隔离包括数据和控制线路的接口(例如:SPI),其数据速率一般可达 20 到 80 Mbps。电感和电容隔离器之间的电流消耗在 30 Mbps 下时已经有 10mA 以上的差别,在如 100 Mbps 等更高数据速率下时这一差别可高达 40mA。
因此,它其实并非重要的 DC 电流,而是数据速率的电流增加,即斜率 Δi/Δf。
预计使用寿命
隔离器的预计使用寿命由经时击穿 (TDDB) 决定,其为一种二氧化硅等电介质材料的重要故障模式。由于制造带来的杂质和不完整性缺陷,电介质会随时间而退化。这种退化会由于电介质上施加的电场及其温度的上升而加快。
预计使用寿命的确定是基于 TDDB E 模型,其为一种广受认可的电介质击穿模型。
实际上,周围温度维持在 150oC 时,TDDB 由隔离器的施加应力电压决定(请参见图 5)。测试之初便激活一个计时器,其在隔离器电流超出 1 mA 时停止,表明电介质击穿。记录每个测试电压的故障时间,并根据理论 E 模型曲线进行绘图。

图 5 TDDB 测试方法
图 6 所示的 TDDB 曲线表明,电容隔离器的测试数据(时间为 5 年)完全匹配 E模型预测,从而得出在 400 Vrms (560 Vpk) 工作电压下 28 年的预计使用寿命,而相同电压下电感隔离器的预计使用寿命则小于 10 年。TDDB 曲线还表明,在 700 V 和 2.5 kV 之间电容隔离器的寿命比电感隔离器长约 10 倍。

图 6 电容和电感隔离器的预计使用寿命
若要达到 10 到 30 年的工业预计使用寿命,使用 SiO2 电介质的电容隔离器是实现这个目标唯一可行的解决方案。
结论
因其高可靠性、低电流消耗、高带宽和长使用寿命,数字电容隔离器具有优异的性能。TI 提供各种各样的数字电容隔离器,包括隔离总线收发器和新一代 ISO74xx 电容隔离器。
责任编辑;zl
从profibusDP转ModbusTCP,一网打尽转换技巧!