时间:2019-11-13 16:45
人气:
作者:admin
为控制亮度,发光二极管(LED)需要恒定电流。把一只电阻器与一组LED串联即可实现此点。由于一组LED的电压和供电电压都可能发生改变,因而必须使用专用的LED驱动保证电流的精准。以下两种方案使用广泛:线性恒流LED驱动器和步进降压开关式转换器,它们均有各自的优势和劣势。
线性驱动是简单的方案,所需元件极少且基本无噪音。但是,其耗散的热量和供电电压与LED正向电压之差成正比。为防止过热,其封装可能需要在PCB上额外划分一个散热区,这就增加了所需PCB的成本和数量,同时也增加了驱动IC因热关断,从而关闭LED的风险。

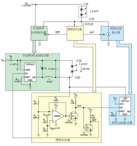
图1 LM393比较器监测LED串的低侧电压,并使能降压稳压器(CAT4201)或线性稳压器(CAT4101)。
如果此驱动被置于LED旁,额外的热量会使LED以更高的温度运行,从而减少其寿命。降压(或buck)转换器效率高,产生的热量很少,但是开关式方案需要一只电感和一个肖特基二极管。这个方案也会产生噪音,尤其是当供应电压快降至LED正向电压时。在汽车应用中,射频干扰(RFI)是一个重要的考虑因素。建议在开头式转换器前面置放EMI/RFI滤波器,以阻止高频转换产生的噪音返回电源,因为它有可能干扰到AM/FM波段收音机等设备。
在降压变换器性能不良,用尽余量时,线性驱动器的运行则是最佳的。为避免劣势,发挥两种方案的优势,可以采取将线性与降压相结合的方案,在保证效率的同时将转换噪音降至最低。
理想情况下,电池电压的波动幅度很大。如汽车应用场景下(8v至17v),线性/降压驱动器能提供所需的较低噪音运行环境和较高的效率。当应用电压升至限值以上时,LED驱动器则转换为降压模式,从而避免线性驱动器过热。
本文中的电路可单独选择每个LED驱动器在开关模式和线性模式之间切换时的可调电压阈值,并有额外迟滞以确保转换顺利进行。图1显示的原理图采用了安森美半导体公司的CAT4201 350-mA降压驱动器,以及CAT4101 1A恒流LED驱动器,图中也显示了逻辑比较器。较常见的降压结构有一个高侧开关和一个低侧二极管,CAT4201则不同,它互换了这些器件。
与典型的降压开关器相同,当开关接通时,流经感应器L和LED的电流会增加,直至达到峰值,即:LED平均电流的两倍。之后开关关闭。已充电的电感会迫使电流继续流经肖特基二极管D1及LED,直到其值变为零。而后该循环又开始重复。这一开关式运行被称为临界导通模式。
R1/R2电阻分压器产生出相当于负极电压几分之一的V+.如果比较器(LM393)的输入电压高于固定的基准电压值2.5V,则输出为高;OUT为低,禁用线性驱动器而使能降压转换器。如果V+低于基准电压,则比较器输出为低,使能线性驱动器而禁用降压转换器。反馈电阻器R5增加了0.6V的迟滞,即一旦负极电压超过3.6V,降压转换器就会起动;当负极电压降至3V以下时,线性驱动器则会接手。注意,如果LM393的另一半没有用于其它LED电源,更好的设计方法是将LM393上所有未用的输入和输出引线都接地。
图2显示了单用降压转换器,以及线性/降压驱动器合用时的LED电流调节情况。与单用降压转换器相比,线性/降压驱动器可将LED电流调节扩展至低于8V的电源电压,即使电池电压继续下降,它也能使LED保持点亮。电源电压低于11V时,仅用降压转换器会损失其精度,并产生回到电源的更多开关纹波电流。EMI滤波器更难以抑制较低频率下的纹波电流。另一方面,在相同的供电电压范围内,线性驱动器则提供了更高的调节和无噪音运行环境。
尽管增加了元件数,但对于要求低噪音性能与扩展电源区间的应用,线性/降压联合方案还是有价值的。可以设置线性到降压的过渡电压值,以获得最佳散热性能。
图2 与仅用降压转换器相比,线性/降压电流阱可将电流的调节范围扩展至更低的电源电压(8V以下),并降低低电量情况下的EMI.因此,LED在电池电压低的情况下也可保持点亮。
责任编辑;zl
上一篇:安森美半导体的LED驱动方案解析
从profibusDP转ModbusTCP,一网打尽转换技巧!