时间:2019-11-26 09:31
人气:
作者:admin
随着自动化设备机器人与工业驱动、工厂和自动化、高速3D打印机、办公自动化、安防监控等各个领域的广泛应用,产品更新迭代变得越来越快,市场对步进电机的要求也趋于苛刻,不仅要求低噪声、运行平稳、高能效、高速度高扭矩,还要求具备小尺寸、低成本等特性。
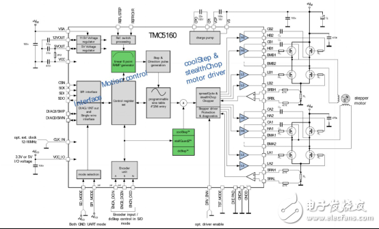
对此,专注运动控制和驱动领域的半导体公司Trinamic推出了一款带串行通信接口的高功率步进电机控制驱动芯片TMC5160, 将实现自动目标定位的灵活斜坡发生器和业界最先进的步进电机驱动器结合在一起。通过外置MOSFET,实现高动态、高扭矩电机驱动。Trinamic先进的spreadCycle和stealthChop斩波器、驱动器,可以绝对无噪音地运行,并实现最大效率和最佳电机扭矩控制。TMC5160的高集成度、高能效和小外形尺寸的特性,使系统小型化和性能可扩展变得可行,从而让经济、高效的解决方案得以实现。完整的解决方案在实现高性能基础上,能将学习时间尽可能缩短,加快产品上市时间。
图1:TMC5169有两种封装、高集成、高能效
Trinamic授权代理商——Excelpoint世健公司的高级产品经理叶虹介绍:“简单易用和成本效益原则是Trinamic设计师在设计步进电机驱控芯片时的指导方针。TMC5160将强大的步进电机驱动器和运动控制器集成在一块芯片上,将数字信息直接转换为平滑、精确、可靠的物理运动,被广泛地用于机器人、工业驱动、纺织、缝纫机、包装、工厂和实验室自动化、高速 3D 打印机、液体处理、医疗、办公自动化、视频监控、自动取款机和现金回收机等应用中。”
应用:高压-多用途
TMC5160具有完整的运动控制功能、强大的外部MOSFET驱动和高质量的电流调节。它提供了多种用途,涵盖了从电池供电的高效系统到20安培电机线圈电流的嵌入式应用。TMC5160包含驱动电机所需的全部功能,可配置为位置模式或速度模式,支持TRINAMICs独有的stallGuard2, coolStep, dcStep, spreadCycle和stealthChop功能,优化了驱动器性能,平衡了速度和电机扭矩,优化能源效率、驱动平稳且无噪音。TMC 5160的集成度高、尺寸小、成本降低,可满足小型化布板需求。芯片、控制板和软件级别的广泛支持,使竞争产品能够缩短设计周期、快速上市。高能效和可靠性可简化相关系统(如电源和冷却系统)设计,并节约成本。TMC5130提供1.4A的电机电流,适合功率较小的应用,软件与TMC5160兼容。
1. TMC5160针对单个步进电机的小型化设计

图2:TMC5160针对单个步进电机的小型化设计
TMC5160 ABN编码器接口和两个参考开关输入用于确保电机正确运动,编码器有位置偏差时,可自动发出中断。
2. TMC5160驱动多个步进电机的紧凑型设计

图3:TMC5160驱动多个步进电机的紧凑型设计
上图是驱动两个步进电机的应用。每个电机带一个ABN编码器接口和两个参考开关。如果运动电机不需要实时任务,可用一个CPU控制整个系统。CPU板和控制器/驱动器板之间的连接经济且节省空间。
TMC5160运动控制和驱动芯片是CPU和大功率步进电机之间的智能功率接口器件。所有步进电机逻辑完全在TMC5160内,不需要软件来控制电机——只需提供目标位置。TMC5160提供了许多独特的增强功能,这些功能通过集成的控制驱动器得以实现。TMC5160的六点斜坡发生器自动使用stealthChop、dcStep、coolStep和stallGuard2,来优化每个电机的运动。TMC5160将TMC2100、TMC2130 和 TMC5130 系列扩展 到更高的电压和更高的电机电流。
TMC5160提供三种基本操作模式:
模式1: 全功能运动控制和驱动器
所有步进电机逻辑完全在TMC5160内,不需要软件来控制电机——只需提供目标位置。SD_ MODE接地使能此模式。

图4:TMC5160基本应用框图(运动控制器)
模式2: 脉冲和方向驱动器
像TMC 4361这样的外部高性能S-ramp运动控制器或CPU产生与系统内其他部件(如电机)同步的脉冲和方向信号。TMC5160控制电流和运动模式,并反馈电机状态。microPlyer自动平滑运动。SD _ MODE接高电平使能此模式。

图5:TMC5160步进/方向模式应用框图
模式3: 简单的步进和方向驱动器
TMC5160根据步进和方向信号控制电机。microPlyer自动平滑运动。不需要CPU;配置由硬件引脚完成。静止保持电流控制由TMC5160完成。可选的反馈信号作为错误检测和同步标志的输出。SPI_MODE 接地,SD_MOD接高电平使能此模式。

图6:TMC5160独立模式驱动器应用框图
TMC 5160实现了Trinamic产品独有的高级功能,有效提高了步进电机运行过程中的精度、能效、可靠性、平滑性和能耗。
从profibusDP转ModbusTCP,一网打尽转换技巧!