时间:2019-07-18 08:43
人气:
作者:admin
一、浪涌对电路的影响
浪涌包括浪涌电流、浪涌电压,它是指电路中瞬间出现超过正常工作电压、电流的现象。在工业通讯现场,雷电过电压、落雷引发出的诱导雷浪涌,还有电源系统(特别是带很重的感性负载)开关切换引起的浪涌,这些浪涌产生的瞬态过压和过流,会导致数据总线通讯网络瘫痪甚至使元器件发出错误的信号,会给用户带来很大的损失。
表1 几种瞬态骚扰的比较

先了解几种典型的瞬态骚扰:从表中可知,浪涌的能量最高,过电流最大,因此危害性也是最大。
浪涌的形成有两个类型:一个是共模,一个差模。雷电或大电流切换时产生的浪涌一般是共模的;差模形式的浪涌往往是由于数据电缆附近有高压线经过,数据线缆和高压线之间因绝缘不良而产生的,会在数据通信网络中较长时间内稳定存在。光耦或磁耦器件标称的耐压是共模,也就是前端到后端之间的耐压。如果超过这个耐压,前端后端都一起烧坏;元器件不会标称差模的耐压,差模耐压能力由电路的设计决定,差模电压超过电路承受范围,前端烧坏,后端不会烧坏。
目前总线浪涌防护方案有两种:采用分立元器件搭建或采用集成模块。
二、常规浪涌防护方案-分立方案
许多应用要求满足IEC61000-4-2静电放电4级,IEC61000-4-5浪涌抗扰4级要求。一般的收发器ESD、浪涌的防护等级均比较低,如CTM1051M隔离CAN收么器的隔离耐压为2500VDC,裸机情况下,ESD、浪涌等级均较低,所以有必要增加外围电路。
防浪涌电路通常分为:隔离法和规避法
l 隔离法:采用光耦合器或磁耦合器,将输入和输出信号隔离分开,这类隔离法只能抑制共模形式的浪涌,不能抑制差模形式的浪涌。
l 规避法:主设备的地连在一起形成单点接地,一旦有浪涌出现就可安全转移浪涌能量,此外有必要增加一些抑制浪涌的器件,主要有Tvs管、压敏电阻、气体放电管。
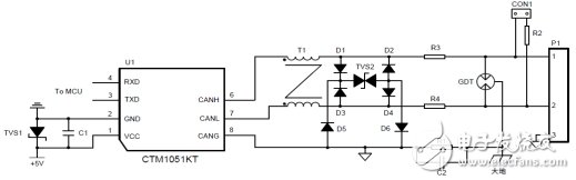
如果将隔离法和规避法相结合,就可以更好地保护系统。规避器件一方面可抑制浪涌保护隔离器件,也可以抑制总线上产生的差模形式浪涌。隔离器件抑制共模形式浪涌,保护主设备。两者相辅相成,能够更好地保护总线设备。以CAN总线为例,下图是分立元器件形成的外围保护电路。

图1 CAN总线推荐保护电路
其中GDT置于最前端,提供一级防护,当雷击、浪涌产生时,GDT瞬间达到低阻状态,为瞬时大电流提供泄放通道,将CAN_H、CAN_L间电压钳制在二十几伏范围内。实际取值可根据防护等级及器件成本综合考虑进行调整,R3 与 R4 建议选用 PTC,D1~D6 建议选用快恢复二极管。参数表如下。
表2 参数推荐表

三、高效浪涌防护方案-模块方案
分立元器件方案虽然能够提供有效的防护,但是需要引入较多的电子器件,这也就意味着接口电路将占用更多的PCB空间,若器件参数选择不合适易造成EMC问题。有没有更简洁的防护设计呢?答案是肯定的。可选择引入专业的信号浪涌抑制器SP00S12,可用于各种信号传输系统,抑制雷击、浪涌、过压等有害信号,对设备信号端口进行保护。搭配ZLG的全隔离CTM或SC系列的隔离CAN收发器,如下图。可极大程度的提升产品的集成度,于此同时极大程度的缩小开发周期。

图2 模块方案
四、方案对比和浪涌抗扰度测试
前面讲到总线浪涌防护方案有两种,接下来总结一下:
l 分立元器件方案:电子器件多、搭建麻烦、复杂、占用PCB空间、易造成EMC问题;
l 模块方案:使用方便、节省PCB空间、简化电路;
接下来做一下浪涌抗扰度测试,检验一下浪涌抑制器是否满足 IEC61000-4-5±4KV 防护要求,以共模浪涌测试为例,在SP00S12输入端加载4KV、1.2/50μs 浪涌电压,在输出端测试压降已被降低至17.1V,波形图如下。

图3 输入端电压波形4KV

图4 输出端波形电压17.1V
由此可见,在收发器与CAN总线间添加 SP00S12,可使 CAN 信号端口轻松满足 IEC61000-4-5 ±4KV 的浪涌等级要求。
采用一体化的高浪涌防护隔离CAN收发器可以完全代替隔离CAN收发器与浪涌抑制器的组合,如下图。此方案将最大限度简化电路设计、节省PCB空间、降低产品成本。它能够防护4KV浪涌、15KV静电的同时还具备极佳的EMC特性。
图5 一体化隔离方案
下一篇:水晶头5类和6类区别
从profibusDP转ModbusTCP,一网打尽转换技巧!