时间:2019-07-05 14:14
人气:
作者:admin
在CAN节点的设计中,我们通常为了总线的通讯更为可靠,为CAN接口增加各种器件,但实际并非所有应用都需要,过多防护不仅增加成本,而且器件的寄生参数必然影响信号质量。本文将简单介绍共模电感用于总线的作用。
我们在实际应用中看到许多CAN产品会使用共模电感,但在常规测试中却看不到它对哪一项指标有明显改善,反而影响波形质量。许多工程师为了以防万一,确保可靠,会对CAN增加全面外围电路。CAN芯片已经有很好的抗静电,瞬态电压能力,有些收发器本身也有很好的EMC性能,我们在应用中可根据设计要求逐个增加防护、滤波等外围。对于CAN总线要不要加共模电感,我们主要从电磁兼容方面考虑。
1、共模电感
先介绍共模干扰,图 1、图 2分别给出了差模和共模干扰及其传输路径。图中的驱动器及接收器为差分信号传输,类似CAN总线。差模干扰产生于两条传输线之间,共模干扰则在两条线中同时产生,其电势是以地为参考。

图 1 差模干扰及传输路径

图 2 共模干扰及传输路径
共模电感是在一个磁环的上下两个半环上,分别绕制相同匝数但绕向相反的线圈。共模干扰是相同的,所以在磁环中形成的磁力线相互叠加,电感阻抗大从而起到衰减干扰的作用。对于差模信号在磁环中形成的磁力线是相互抵消的,并没有抑制作用,仅有线圈电阻及很小的漏感对差模信号有略微影响。共模电感本质上是一个双向滤波器,一方面滤除信号线上的共模信号干扰,另一方面抑制信号线本身不向外发出电磁干扰。图 2中的干扰信号则能很好地被共模电感抑制,而差分信号则几乎无影响。
2、CAN总线特性
CAN收发器内部CANH、CANL分别为开源,开漏输出形式,驱动电路如图 3所示。这种方式可以使总线轻松实现显性电平的驱动,而隐性电平则通过终端电阻放电来实现。

图 3 CAN收发器驱动电路
总线固有的差分传输形式使得CAN对于共模干扰有很好的抑制能力,如图 4所示,通过CANH、CANL相减可很好地消除来自外部的共模干扰,但CANH、CANL并非理想对称,快速上升的跳变沿,这些均会带来EMC问题。我们通过示波器看总线波形很完美,测试静电,EFT,浪涌,传导骚扰抗扰均无异常。但测试传导发射,则不能满足限值要求,看起来很正常的总线实际却向外在发送传导干扰。

图 4 CAN传输波形
3、为什么要加共模电感?
对于CAN接口的EMC问题,除了选用更好性能,符号要求的CAN收发芯片,另一种简单的方法就是对CAN接口增加外围,共模电感是一种很好的选择。在现有汽车电子CISPR 25标准中,对传导骚扰限值有很严格要求。许多CAN收发器均会超过限值。如图 5分别为按照车规限制测试增加和不加共模电感的CAN接口传导骚扰,共模电感值为51μH,可以看到在各个频段下对噪声改善较为明显,测试结果仍有很大裕量。

图 5 传导骚扰测试
共模电感对降低传导骚扰有明显作用,可帮助我们快速通过测试要求,满足现有汽车用要求,但总线增加共模电感也会带来两个问题:谐振和瞬态电压。共模电感不可避免地会有寄生电感,直流电阻,考虑总线节点数,通信距离等因素,会引起谐振,影响总线信号质量,如图 6,绿色波形为增加共模电感的总线波形,信号下降沿已有明显的谐振。另外,共模电感感量较大,且直接节在收发器接口,实际应用中出现短路,热插拔等状态会使共模电感两端产生瞬态高压,严重时会直接损坏收发器。

图 6 增加共模电感的CAN波形
4、总结
共模电感用于总线的优缺点较为明显,它可以滤除信号线的共模电磁干扰,衰减差分信号高频部分,抑制CAN接口自身向外发出的电磁干扰,在传导骚扰方面有很好地改善作用,但应用仍要考虑其带来的谐振与瞬态电压,这些在长距离,多节点通讯中对总线信号质量是不利的,对于一般工业应用对传导发射并无严格要求,因此可不增加共模电感。
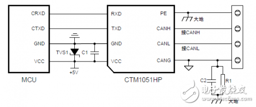
ZLG致远电子基于多年的总线防护设计积累推出了高防护等级隔离模块——CTM1051(A)HP系列。该系列符合国际ISO11898-2标准,静电防护等级可达接触±8kV,空气放电±15kV,浪涌防护可达±4kV隔离CAN解决方案,具体如下图7所示,能够适用于各种恶劣的工业现场环境。应用简便,即插即用,应用原理图如下图8所示。
图7 CTM1051(A)HP的EMC性能

图8 应用原理图
下一篇:硬件接口和常用接口简介
从profibusDP转ModbusTCP,一网打尽转换技巧!