时间:2017-11-01 11:42
人气:
作者:admin
USB作为一种新的PC机互连协议,使外设到计算机的连接更加高效、便利。这种接口适合于多种设备,不仅具有快速、即插即用、支持热插拔的特点,还能同时连接多达127个设备,解决了如资源冲突、中断请求(IRQs)和直接数据通道(DMAs)等问题。
因此,越来越多的开发者欲在自己的产品中使用这种标准接口。而RS-232是单个设备接入计算机时,常采用的一种接入方式,其硬件实现简单,因此在传统的设备中有很多采用了这种通信方式。
一般的IC卡门禁考勤系统也使用RS-232 接口与PC机通信。如果将USB技术应用于IC卡门禁考勤系统与PC机之间的数据通信,这样,不仅能使IC卡门禁考勤设备具备USB通信的诸多优点,而且对PC机而言还可以节余1个RS-232串口为其它通信所用。
USB规范描述了总线特性、协议定义、编程接口以及其它设计和构建系统时所要求的特性。USB是一种主从总线,工作时USB主机处于主模式,设备处于从模式。USB系统所需要的唯一的系统资源是,USB系统软件所使用的内存空间、USB主控制器所使用的内存地址空间(I/O地址空间)和中断请求(IRQ)线。
USB设备可以是功能性的如显示器、鼠标或者集线器之类。它们可以作低速或者高速设备实现。低速设备最大速率限制在1.5 Mb/s,每一个设备有一些专有寄存器,也就是端点(endpoint) 在进行数据交换时,可以通过设备驱动间接访问它。每一个端点支持几种特殊的传输类型,并且有一个唯一的地址和传输方向。
不同的是端点0 仅用作控制传输,并且其传输可以是双向的。系统上电后,USB主机负责检测设备的连接与拆除、初始化设备的列举过程,并根据设备描述表安装设备驱动后自动重新配置系统,收集每个设备的状态信息。设备描述表标识了设备的属性、特征并描述了设备的通信要求.USB主机根据这些信息配置设备、查找驱动,并且与设备通信。
典型的USB数据传输是由设备驱动开始的,当它需要与设备通信时,设备驱动提供内存缓冲区,用来存放设备收到或者即将发送的数据。USB驱动提供USB设备驱动和USB主控制器之间的接口,并将传输请求转化为USB事务,转化时需要与带宽要求及协议结构保持一致。某些传输是由大块数据构成的,这时需要先将它划分为几个事物再进行传输。
具有相似功能的设备可以组成一类,这样便于分享共有的特性和使用共同的设备驱动程序。每个类可以定义其自己的描述符,如:HID类描述符和Report描述符.HID类是由人控制计算机系统的设备组成的,它定义了一个描述HID设备的结构,并且表明了设备的通信要求。HID设备描述符必须支持端
点输入中断,固件也必须包括一个报告描述符,表明接收和发送数据的格式。在IC卡门禁考勤系统引入RS-232到USB的接口转换模块后,从系统所具有的特性来看,应该属于HID设备。因此两种特殊的HID类请求必须被支持:SetReport和GetReport 。这些请求使设备能接收和发送一般的设备信息给主机。在没有中断输出终端时,SetReport是主机发送数据给HID设备的唯一方式。
个人计算机上的通讯接口之一,由电子工业协会(Electronic Industries Association,EIA)所制定的异步传输标准接口。通常RS-232 接口以9个引脚(DB-9)或是25个引脚(DB-25) 的型态出现,一般个人计算机上会有两组 RS-232 接口,分别称为 COM1 和 COM2。
在串行通讯时,要求通讯双方都采用一个标准接口,使不同的设备可以方便地连接起来进行通讯。RS-232-C接口(又称EIARS-232-C)是目前最常用的一种串行通讯接口。(“RS-232-C”中的“-C”只不过表示RS-232的版本,所以与“RS-232”简称是一样的)它是在1970年由美国电子工业协会(EIA)联合贝尔系统、调制解调器厂家及计算机终端生产厂家共同制定的用于串行通讯的标准。
它的全名是“数据终端设备(DTE)和数据通讯设备(DCE)之间串行二进制数据交换接口技术标准”该标准规定采用一个25个脚的DB-25连接器,对连接器的每个引脚的信号内容加以规定,还对各种信号的电平加以规定。后来IBM的PC机将RS232简化成了DB-9连接器,从而成为事实标准。而工业控制的RS-232口一般只使用RXD、TXD、GND三条线。

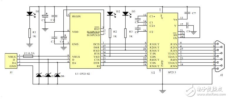
F1用0.5A自恢复保险;C1、C4为10μF,C2、C3为0.1μF ;D4~D6可以不用,打算从坏三菱PLC通讯口上拆3只来用。
从profibusDP转ModbusTCP,一网打尽转换技巧!