时间:2017-11-02 14:58
人气:
作者:admin
常见的RJ45接口有两类:用于以太网网卡、路由器以太网接口等的DTE类型,还有用于交换机等的DCE类型。
DTE我们可以称做“数据终端设备”,DCE我们可以称做“数据通信设备”。从某种意义来说,DTE设备称为“主动通信设备”,DCE设备称为“被动通信设备”。当两个类型一样的设备使用RJ45接口连接通信时,必须使用交叉线连接。这个可以从如下的RJ45 DTE类型引脚定义和RJ45 DCE类型引脚定义来说明:

从上图中我们可以看出,如果DTE类型接口和DTE类型接口相连不交叉相连引脚的话,对触的引脚都是数据接收(发送)引脚,势必通信将不能进行。另外需要说明:一些DCE类型设备会和对端自动协商,此时连接用交叉线或平行线均可。
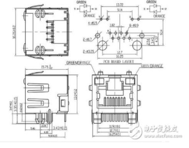
RJ45由插头和插座组成,这两种元器件组成的连接器连接于导线之间,以实现导线的电气连续性。
RJ45模块的核心是模块化插孔。镀金的导线或插座孔可维持与模块化的插座弹片间稳定而可靠的电器连接。由于弹片与插孔间的摩擦作用,电接触随着插头的插入而得到进一步加强。插孔主体设计采用整体锁定机制,这样当模块化插头插入时,插头和插孔的界面外可产生最大的拉拔强度。
RJ45模块上的接线模块通过“U”形接线槽来连接双绞线,锁定弹片可以在面板等信息出口装置上固定RJ45模块。
RJ45 型网线插头又称水晶头,共有八芯做成,广泛应用于局域网和 ADSL 宽带上网用户的网络设备间网线(称作五类线或双绞线)的连接。在具体应用时,RJ45 型插头和网线有两种连接方法(线序),分别称作 T568A 线序和 T568B 线序。
RJ45 型网线插头引脚号的识别方法是:手拿插头,有 8 个小镀金片的一端向上,有网线装入的矩形大口的一端向下,同时将没有细长塑料卡销的那个面对着你的眼睛,从左边第一个小镀金片开始依次是第1 脚、第2 脚、…、第8 脚。
这种接法用于网络设备需要交叉互连的场合,所谓交叉是指网线的一端和另一端与 RJ45 网线插头的接法不同,一端按 T568A 线序接,另一端按 T568B 线序接,即有几根网线在另一端是先做了交叉才接到 RJ45 插头上去的,适用的连接场合有:
1. 电脑←—→电脑,称对等网连接,即两台电脑之间只通过一条网线连接就可以互相传递数据;
2. 集线器←—→集线器;
3. 交换机←—→交换机。
RJ45 型网线插头各脚与网线颜色标志的对应关系是:
插头脚号网线颜色
1————绿白
2————绿
3————橙白
4————蓝
5————蓝白
6————橙
7————棕白
8————棕

一、直连线互连
网线的两端均按 T568B 接
1. 电脑←—→ADSL 猫
2. ADSL猫←—→ADSL 路由器的 WAN 口
3. 电脑←—→ADSL 路由器的 LAN 口
4. 电脑←—→集线器或交换机
二、交叉互连
网线的一端按 T568B 接,另一端按 T568A 接
1. 电脑←—→电脑,即对等网连接
2. 集线器←—→集线器
3. 交换机←—→交换机
RJ45 型网线插头各脚与网线颜色标志的对应关系是:
插头脚号网线颜色
1————橙白
2————橙
3————绿白
4————蓝
5————蓝白
6————绿
7————棕白
8————棕
上一篇:RJ45中文资料详解
下一篇:rj45和rj11有何区别
从profibusDP转ModbusTCP,一网打尽转换技巧!