时间:2015-01-29 15:18
人气:
作者:admin
恩智浦提供各种量身定做的HDMI产品组合,包括发射器、接口调节及保护装置,可简化HDMI接口设计过程。该方案经过优化可实现相当简单的布线,并且能提供最佳的ESD保护和HDMI信号调节机制,能轻松搭配C型和D型连接器。
方案概述
HDMI为“高清晰度多媒体接口”缩写,是一种数字化视频/音频接口技术,是适合影像传输的专用型数字化接口,其可同时传送音频和影音信号,最高数据传输速度为5Gbps,同时无需在信号传送前进行数/模或者模/数转换,现在在手机、平板电脑、DV摄像机、数码相机等领域中广泛采用了这种接口技术。
阻抗匹配(100欧姆差分)TMDS线路是HDMI接口设计的关键,具有最低的线路电容,允许差分信号和强大的系统级ESD保护的最大眼开度。恩智浦积极支持眼开模式测试,位于法国卡昂的授权测试中心提供HDMI符合性测量(包括TDR),同时提出多种高效便捷的HDMI接口方案,在信号调节和ESD保护方面表现出色。
功能框架

低功耗HDMI发射器连接至一个3 x 8 DVI,支持CED和HDCP。该发射器反向兼容DVI 1.0,可连接至任意DVI 1.0或HDMI接收器。HMDI ESD保护机制在用HDMI电缆将源设备和接收设备,例如电视,移动电话,多媒体盒和其他设备相连时,保护其不遭受ESD和瞬间放电。
该HDMI接口条件解决方案提供一个几乎不需要任何分立元件的简洁直接的路由选择。这些设备集成了多种功能,如:将电平转换至HDMI接口规格所需的电压水平,以及不再支持高电压的移动设备的sub-µ技术系统芯片。
方案特点及优势
高系统级ESD保护(IEC61000-4-2 4级)
——“零夹紧”概念可以防止ESD脉冲在系统芯片之间传递。
完全支持热插拔检测,DDC,CEC
——综合水平转移信号线路
——集成上拉电阻
——综合CEC吸动电流源
——当芯片禁用时,集成电源管理节省97%。
兼容HDMI Type-C型和d型连接器
——不需要再CEC引脚上接肖特基 二极管
——完全符合NXP参考版的规格
——紧凑SOT1156包(2.1 x 2.5 x 0.4毫米)。
优势:
1、减少时间和设计空间
2、直接路由(即使在两层板)
3、 延长电池寿命由于Auto-Eco选项
4 、更少的组件
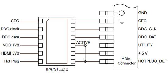
没有必要在系统微控制器GPIO上为IP4791芯片提供一个专用的电源管理引脚,并且该方案也不支持这个功能。将ACTIVE引脚接到连接器的HOTPLUG引脚即可自动实现芯片使能。

IP4791芯片连接图
资料详情:IP4791芯片介绍及接口原理图
从profibusDP转ModbusTCP,一网打尽转换技巧!