时间:2016-01-20 10:49
人气:
作者:admin
USB Type-C提供了很多特性,其中包括为终端用户提供高级灵活性和便利性。系统设计人员必须谨慎选择提供的选项,这样,可将总体系统成本控制在合理的范围内。有两个选择会对系统的成本和复杂程度产生最大的影响,一个是Type-C的固有功率15W,另一个是增强供电能力和视频支持。这篇文章讨论了如何实现一个USB Type-C端口,以及尽可能地减少它对于现有系统的影响。
简介
在电子行业中,USB Type-C存在于每一位系统设计人员的脑海中。这个接口将数据、电源和视频合并在单个连接器接口中。它使得设计人员真正有机会在全新的平台内不使用圆柱形电源插孔连接器。USB Type-C支持USB 2.0和USB 3.1,并且提供交替 (Alt) 模式选项,比如说用于视频的DisplayPort。USB Type-C引入了15W的固有供电能力,以及在增加USB电力传输 (USB PD) 时,高达100W的增强型供电能力。这个接口引入了更小、更薄、并且更加稳健耐用的插口,能够支持高达20Gbps的数据速率。这条电缆支持双向与两面翻转插拔,并且任何一个方向上均可连接一个主机或一个客户端设备。系统设计人员正在思考,如何将这些可取的特性和灵活性提供给用户。
我们先来设想一下,设计人员正在设计一个全新的笔记本平台。如果将USB Type-C端口包含在其中的话,会使总体成本增加多少?需要多少全新的Type-C插口?它们都是全功能插口吗?USB Type-C提供给最终用户的灵活性和简便易用性同时也增加了系统实现方式的复杂程度与成本。虽然全新的生态系统为实现方式提供了更多的选择,系统设计人员在尝试使用这项技术时必须谨慎,以使他们的总体成本保持在可以接受的范围内。
那么,全新的笔记本平台看起来是什么样的呢?某些系统设计人员将会有可能选择只包含一个全功能Type-C端口,用USB-PD提供增强型的供电能力。这个超级端口将支持Alt模式视频。为了节约成本,降低复杂度,一个设计人员也许想用其它端口来提供简化功能,比如说15W的固有Type-C供电功能,以及USB数据支持。
一个主要的考虑因素就是,在尽可能减少对现有平台产生影响的情况下,用USB Type-C替代以前的USB插口。这篇文章概述了如何用最小变化将一个USB 3.0老式端口转换为一个USB 3.1 Type-C端口。
Type-C USB 3.1实现方式
USB Type-C是两端同样的接头——主机和客户端设备上是一样的插座,电缆两端是同样的插头。图1显示的是一个USB Type-C插座引脚图。需要注意的是,24引脚接口采用对称的排列方式,这使得电缆的翻转更加方便。

图1:USB Type-C插座引脚图(正视图)源:Type-C技术规格
除了USB 3.1 TX,RX,和USB 2.0 D+,D-信号,2个CC引脚被用于通道配置 (CC) 和USB-PD通信。一个典型的系统实现方式是用残桩连接将2个D+信号和2个D-信号短接,这样就不再需要用USB 2.0复用器 (mux) 来适应插头翻转了。然而,出于对信号完整性的担心,Type-C接口的每一端上都需要2:1复用器,这样针对USB 3.1信号的残桩连接是不可行的。如果使用Alt模式的话,需要一个USB-PD功能,而复用配置会变得更加复杂。
一个典型的USB 3.1实现方式包括2个基本功能:一个管理链路的CC控制器;一个针对RX和TX信号的USB 3.1复用器,用于根据Type-C插头方向选择已连接端。CC控制器需要能够根据所需的系统运行方式,将自身配置为一个下行端口 (DFP),上行端口 (UFP) 或双用途端口 (DRP)。表1中总结了不同应用的数据/供电运行方式。

图1:针对USB Type-C应用的器件数据/供电类别
USB Type-C的主机-客户端实现方式
USB Type-C包含一个通道配置功能;这个功能能够在DFP与UFP之间建立一个USB链路。在传统USB端口定义中,一个DFP端口可被视为一个主机,而UFP可被认为是一个设备。CC功能用于确定以下内容:
DFP至UFP连接/断开检测和插头方向
DFP至UFP(主机到设备)和供电关系(供电方/耗电方)检测——在没有USB-PD的缺省情况下,DFP(源)供电,UFP(灌)耗电
供电方做出的USB Type-C VBUS电流通知,耗电方进行检测
一旦连接,供电和数据传输用途只能通过USB-PD进行更改
即使一个插座有2个CC引脚,CC1和CC2,一条电缆内也只连接了单条CC电线。对于每个CC引脚,DFP具有一个上拉电压,而UFP有一个下拉电压。监视CC引脚上的额定电压提供了方向和连接检测。

图2:通道配置上拉/下拉模型
一个DFP使用不同的电阻器上拉(或电流源)值来告知其电流提供方的供电能力。或者,一个UFP通过采用一个下拉电阻器,并执行一个电压比较,来检测它的耗电量。在没有USB-PD时,有3个电源设置是可行的——之前的缺省值(针对USB 3.1的900mA,针对USB 2.0的500mA),VBUS上的5V电压,1.5A和3A电流。
图3中显示的是USB Type-C的典型主机-客户端 (DFP/UFP) 实现方式。USB 3.1主机的一个示例就是台式机或笔记本电脑。PC中的Type-C端口与DFP类似,运行为一个USB主机,为客户端设备供电。另一方面,一个USB SuperSpeed客户端设备的典型示例就是便携式硬盘。这个硬盘运行为一个USB设备,并且由VBUS供电。

图3:USB Type-C的典型主机-客户端 (DFP-UFP) 实现方式
根据Type-C技术规格,客户端/用户负责管理功耗。因此,一个客户端设备需要根据主机的电流告知来动态地控制功耗。一个替代方法将流耗保持在缺省限值以内。DFP也有可能实现针对附件系统保护功能的电流限制。
如果一个DFP支持USB 3.1,它需要在USB Type-C电缆内,用VCONN 为有源电子设备提供5V电源。通过插座的CC引脚(CC1或CC2)来施加VCONN;插座不是通过电缆内的CC电线连接。相反的,它在插头近端为电路供电。需要注意的是,每条全功能Type-C电缆都需要具有一个电子标记。此外,较长的电缆也许需要有源信号调节器。
USB Type-C的双用途端口实现方式
USB Type-C还定义了一个DRP;在稳定的连接状态建立之前,它交替地将自己识别为DFP或UFP。如果一个DRP与DFP或UFP配对使用,它分别作为 DFP或UFP运行。如果将2个DRP配对使用,结果是随机的,但会受到2个可选功能的影响:Try.SRC和Try.SNK。如果另外一端没有偏好的话,具有Try.SRC的DRP更有可能变成一个DFP(源),而一个具有Try.SNK的DRP成为UFP(灌)的可能性更大。这些特性对于在生态系统中实现一个有序的供电方/耗电方关系很重要。例如,笔记本电脑应该为手机供电——即使它们二者都具有DRP功能。

图4:USB Type-C的典型DRP实现方式
Type-C USB 3.1解决方案
在不进行重大的系统重新设计的情况下,要将现有的USB平台(包含老式插口)轻松转换为USB Type-C,需要一个CC控制器器件。为了支持USB SuperSpeed,还需要一个具有USB SuperSpeed复用功能的额外器件。
TUSB321是一个单芯片USB Type-C端口CC控制器,它可被配置为一个DFP,UFP或DRP。它是一款自主器件。实际上,借助某些预先设定的配置,它的运行不需要任何的用户干预。不过,可选择进行软件干预,它能够提供某些对设计人员有用的其它功能。

图5:典型通道配置器件的功能方框图
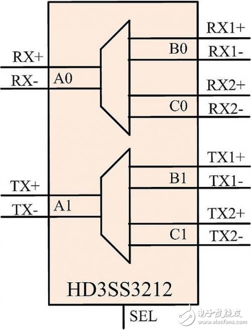
HD3SS3212是一款USB SuperSpeed无源复用器;它使用CC控制器提供的信号工程实验室 (SEL) 信号来选择有源USB 3.1信号,以适应Type-C翻转插头;针对高达10Gbps的数据速率,这个插头支持USB 3.1 Gen 1和Gen 2。

图6:针对SS RX/TX对选择的复用器操作示例
某些系统也许需要针对USB SuperSpeed的增强信号,以符合插口的要求。一个转接驱动复用器能够提供信号调节与USB SuperSpeed开关的双重功能。USB Type-C提供音频附件特性;这一特性能够通过Type-C插口提供头戴式耳机和麦克风功能,从而在某些系统中,免除了对于3.5mm音频端口的需要。音频信号使用D+,D-和USB信号。要提供音频功能,将会需要一个额外的复用器,而这不是本文的讨论范围。
总结
由于其功能性和灵活性,USB Type-C将会受到电子设备爱好者的广泛欢迎。系统的开发和组件成本不会因这一巨大优势的存在而显著增加。对于大多数基本实现方式,比如说USB和 15W电压,这个转换是很容易的——你只需要升级插口,添加一个CC控制器,以及一个可选的USB 3.1 SS复用器。
下一篇:总线技术逐渐涉足多领域
从profibusDP转ModbusTCP,一网打尽转换技巧!