时间:2011-10-11 18:35
人气:
作者:admin
引言
在自动控制的很多应用场合, 都需要实时对信号进行采样分析, 然后由DSP来进行运算控制。AD芯片是采样中最常用的芯片, 本文主要对ADI 公司的AD7862芯片进行介绍, 同时为它设计了驱动接口电路。由于AD7862不能自动工作, 需要给它提供相关的驱动信号才能触发它进行转换,本文用FPGA 芯片给它做一个接口驱动电路, 并详细的介绍了驱动电路程序的设计, 设计的电路为AD7862提供了非常好的驱动作用, 并在实际运用中能使其稳定的工作。
1、AD7862芯片简介
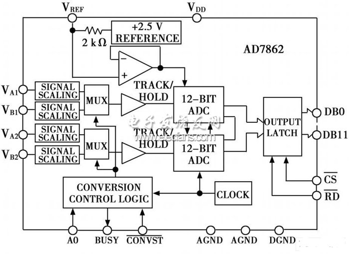
AD7862是美国AD I公司出品的12 bit高速, 低功耗转换器, 单电源5伏供电。共有4 个模拟输入端, 被分为两个通道( A& B), 通过输入端A0来进行选择。每一个通道有两个输入端( VA1& VA2或者VB1&VB2) 。能够接受的模拟信号的输入范围为正负10伏。不过模拟信号的输入端的过压保护允许输入电压达到正负17 伏。原理框图如图1所示。

图1 AD7862原理框图。
AD7862芯片具有以下特点:
( 1) 对每一个通道而言, 从启动转换到转换完成需要3. 6 s的时间。
( 2) 芯片由5 V 单电源供电, 功耗低, 工作时典型值为60 mW。具有自动休眠模式, 当一次转换完成后自动进入休眠模式, 节省电能。当下一个转换周期来临时在自动苏醒。
( 3) 提供一个高速并行接口, 和微处理器、微控制器以及数字信号处理器的连接变得容易。
( 4) AD7862系列共有三个版本分别针对三种不同的输入范围。其中AD7862—10针对标准工业级输入范围正负10伏; AD7862—3 主要针对普通信号输入范围正负2. 5 V。
AD7862—2被用于单极0 到2. 5 V 的输入范围。对AD7862—10和AD7862-3来说, 转换输出的12位为二进制补码, 对于AD7862-2来说, 输出的为12位的原码。
2、接口电路程序设计
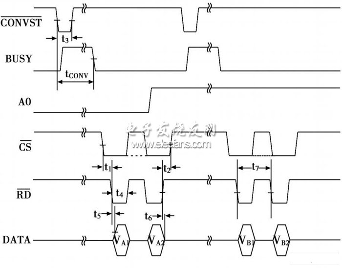
在本设计中用的是AD7862??10, 采用高速转换模式, 典型转换时序如图2所示。

图2高速转换模式时序图。
图2中对应的时间参数的要求如下表1所示。
表1高速采样模式时序参数表。

从图2的时序图可以看出AD7862 通过输入脉冲信号CONVST启动转换。在CONVST 信号的下降沿, 片上的两个track /ho ld都同时的被设置为ho ld状态, 两个通道开始进行转换。转换时钟由内置的晶振提供。BUSY 信号指示转换结束, 同时两个通道的转换结果可以被读出。由A0 的值来决定第一次读取的值是VA1 或者VB1, 第二次读取的是VA2或者VB2。当CS信号和RD信号为低时, 数据被从12位的并行数据线上读取。在高速转换模式下, AD7862 的转换时间为3. 6 us, track /ho ld收集时间为0. 3 us。为了保证最佳转换效果, 在转换期间和下一次转换开始前300 ns不能进行读取操作。
上述的时序图对应为先读取VA1和VA2, 然后在读取VB1和VB2, 对应的信号A0首先被设为低电平, 然后被拉为高电平。在设计驱动电路的过程中, 一定要保证设计的时序满足上述时序参数的要求 , 不然就有可能发生采样不准, 出错。
从profibusDP转ModbusTCP,一网打尽转换技巧!