时间:2010-05-17 11:53
人气:
作者:admin
基于LPC2930设计的高速USB-OTG接口方案
NXP公司的LPC2930是集成了ARM968E-S CPU核和两个TCM区块的MCU,工作频率高达125MHz,并具有全速USB 2.0 Host/OTG/Device控制器,CAN和LIN,56 kB SRAM,外接存储器接口,三个10位ADC和多种串行接口,可广泛应用在消费电子,工业和通信市场。本文介绍了LPC2930主要特性和优势,整体方框图和各种功能的方框图,包括时钟区框图,调制和取样控制子系统(MSCSS)方框图,ADC方框图,PWM方框图,PCRSS方框图,CGU0和CGU1方框图,时钟发生架构图和PLL方框图以及自供电USB接口框图与USB OTG端口配置图。
The LPC2930 combine an ARM968E-S CPU core with two integrated TCM blocks operating at frequencies of up to 125 MHz, Full-speed USB 2.0 Host/OTG/Device controller, CAN and LIN, 56 kB SRAM, external memory interface, three 10-bit ADCs, and multiple serial and parallel interfaces in a single chip targeted at consumer, industrial, and communication markets. To optimize system power consumption, the LPC2930 has a very flexible Clock Generation Unit (CGU) that provides dynamic clock gating and scaling.
LPC2930主要特性和优势:
ARM968E-S processor running at frequencies of up to 125 MHz maximum.
Multilayer AHB system bus at 125 MHz with four separate layers.
On-chip memory:
Two Tightly Coupled Memories (TCM), 32 kB Instruction TCM (ITCM), 32 kB Data TCM (DTCM).
Two separate internal Static RAM (SRAM) instances; 32 kB SRAM and 16 kB SRAM.
8 kB ETB SRAM, also usable for code execution and data.
Dual-master, eight-channel GPDMA controller on the AHB multilayer matrix which can be used with the SPI interfaces and the UARTs, as well as for memory-to-memory transfers including the TCM memories.
External Static Memory Controller (SMC) with eight memory banks; up to 32-bit data bus; up to 24-bit address bus.
Serial interfaces:
USB 2.0 full-speed Host/OTG/Device controller with dedicated DMA controller and on-chip device PHY.
Two-channel CAN controller supporting FullCAN and extensive message filtering
Two LIN master controllers with full hardware support for LIN communication. The LIN interface can be configured as UART to provide two additional UART interfaces.
Two 550 UARTs with 16-byte Tx and Rx FIFO depths, DMA support, modem control, and RS-485/EIA-485 (9-bit) support.
Three full-duplex Q-SPIs with four slave-select lines; 16 bits wide; 8 locations deep;Tx FIFO and Rx FIFO.
Two I2C-bus interfaces.
Other peripherals:
One 10-bit ADC with 5.0 V measurement range and eight input channels with conversion times as low as 2.44 μs per channel.
Two 10-bit ADCs, 8-channels each, with 3.3 V measurement range provide an additional 16 analog inputs with conversion times as low as 2.44 μs per channel.Each channel provides a compare function to minimize interrupts.
Multiple trigger-start option for all ADCs: timer, PWM, other ADC, and external signal input.
Four 32-bit timers each containing four capture-and-compare registers linked to I/Os.
Four six-channel PWMs (Pulse-Width Modulators) with capture and trap functionality.
Two dedicated 32-bit timers to schedule and synchronize PWM and ADC.
Quadrature encoder interface that can monitor one external quadrature encoder.
32-bit watchdog with timer change protection, running on safe clock.
Up to 152 general-purpose I/O pins with programmable pull-up, pull-down, or bus keeper.
Vectored Interrupt Controller (VIC) with 16 priority levels.
Up to 22 level-sensitive external interrupt pins, including USB, CAN and LIN wake-up features.
Processor wake-up from power-down via external interrupt pins, CAN, or LIN activity.
Configurable clock-out pin for driving external system clocks.
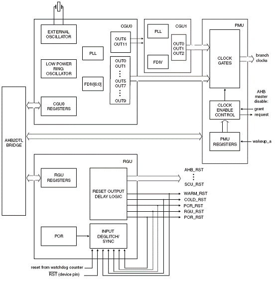
Flexible Reset Generator Unit (RGU) able to control resets of individual modules.
Flexible Clock-Generation Unit (CGU) able to control clock frequency of individual modules:
On-chip very low-power ring oscillator; fixed frequency of 0.4 MHz; always on to provide a Safe_Clock source for system monitoring.
On-chip crystal oscillator with a recommended operating range from 10 MHz to 25 MHz. PLL input range 10 MHz to 25 MHz.
On-chip PLL allows CPU operation up to a maximum CPU rate of 125 MHz.
Generation of up to 11 base clocks.
Seven fractional dividers.
Second, dedicated CGU with its own PLL generates USB clocks and a configurable clock output.
Highly configurable system Power Management Unit (PMU):
clock control of individual modules.
allows minimization of system operating power consumption in any configuration.
Standard ARM test and debug interface with real-time in-circuit emulator.
Boundary-scan test supported.
ETM/ETB debug functions with 8 kB of dedicated SRAM also accessible for application code and data storage.
Dual power supply:
CPU operating voltage: 1.8 V ± 5 %.
I/O operating voltage: 2.7 V to 3.6 V; inputs tolerant up to 5.5 V.
208-pin LQFP package.
−40℃pplication to +85℃ ambient operating temperature range.
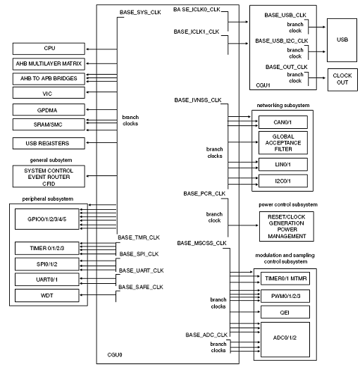
图1。LPC2930方框图
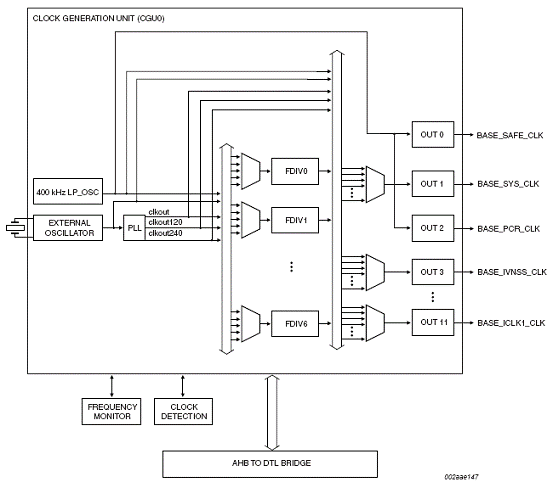
图2。LPC2930时钟区框图
图3。LPC2930调制和取样控制子系统(MSCSS)方框图
图4。LPC2930 ADC方框图
图5。LPC2930 PWM方框图
图6。LPC2930 PCRSS方框图
图7。LPC2930 CGU0方框图
图8。LPC2930时钟发生架构图
图9。LPC2930 PLL方框图
图10。LPC2930 CGU1方框图
图11。LPC2930 自供电USB接口框图
图12。LPC2930 总线供电USB接口框图
图13。LPC2930 USB端口配置图:USB端口1 OTG双规设备,USB端口2主机
图13。LPC2930 USB OTG端口配置图:USB端口1 主机,USB端口2主机
图14。LPC2930 USB OTG端口配置图:USB端口2 设备,USB端口1主机
从profibusDP转ModbusTCP,一网打尽转换技巧!