时间:2010-10-21 16:28
人气:
作者:admin
本文介绍了IP4776CZ38主要特性和优势, 功能方框图, HDMI发送器和接收器应用框图以及PCB布局方案框图.
NXP公司的IP4776CZ38是全集成的HDMI接口器件,集成了电平转移,ESD和背驱保护等功能. IP4776CZ38和HDMI 1.3兼容,每路的线电容仅为0.7pF,线间隔和0.5mm匹配,提供可用于DDC时钟和数据通路的双向电平转移N沟FET, ESD保护±8 kV,主要用在TV,图像卡,STB,DVD,数字媒体适配器和游戏控制台.
IP4776CZ38主要特性和优势:
Pb-free and RoHS compliant, Dark Green
Integrated high-level ESD protection, level shifting and backdrive protection
All TMDS lines with integrated rail-to-rail clamping diodes with downstream ESD protection of ±8 kV according to IEC 61000-4-2, level 4 standard
Matched 0.5 mm trace spacing
Bidirectional level shifting N-channel FETs provided for DDC clock and data channels
TMDS lines with ≤ 0.05 pF matching of capacitance between the TMDS pairs
Ultra low line capacitance of 0.7 pF per channel
HDMI 1.3 compliant
Backdrive protection
38-pin TSSOP lead-free package
IP4776CZ38应用:
The IP4776CZ38 is designed for HDMI receiver and transmitter port protection, level
shifting and backdrive protection e.g.:
TV
Graphics card
Set-top box
DVD
Digital media adapter
Game console
图1.IP4776CZ38功能方框图
图2.IP4776CZ38的热插拔,电平转移和背驱保护框图
图3.IP4776CZ38 HDMI发送器应用框图
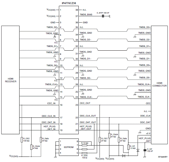
图4.IP4776CZ38 HDMI接收器应用框图
图5.IP4776CZ38 PCB布局方案框图
从profibusDP转ModbusTCP,一网打尽转换技巧!