时间:2010-03-01 08:37
人气:
作者:admin
基于UCC27321高速MOSFET驱动芯片的功能与应用
1 引言
随着电力电子技术的发展,各种新型的驱动芯片层出不穷,为驱动电路的设计提供了更多的选择和设计思路,外围电路大大减少,使得MOSFET的驱动电路愈来愈简洁,.性能也获得到了很大地提高。其中UCC27321就是一种外围电路简单,高效,快速的驱动芯片。
2 UCC27321的功能和特点
TI公司推出的新的MOSFET驱动芯片能输出9A的峰值电流,能够快速地驱动MOSFET开关管,在10nF的负载下,其上升时间和下降时间的典型值仅为20ns。工作电源为4—15V。工作温度范围为-40℃—105℃。图1给出了芯片的内部原理图,表1为输入、输出逻辑表。表2为各个引脚的功能介绍。
UCC27321的ENBL是给设计者预留的引脚端,为高电平有效(见表1)。在标准工业应用中,ENBL端经100K的上拉电阻接至高电平。一般正常工作时可以悬空。为求可靠,也可将其接至输入电源高电平,低电平时芯片不工作。通过对ENBL的精心设置可以设计出可靠的保护电路。
UCC27321的输出端采用了独特的双极性晶体管图腾柱和双MOSFET图腾柱的并联结构,能在几百纳秒的时间内提供高达9A的峰值电流并使得有效电流源能在低电压下正常工作。
当输出电压小于双极性晶体管的饱和压降时,其输出阻抗为MOSFET的Ron。当驱动电压过低或过冲时,输出级MOSFET的体二极管提供了一个小的阻抗。这就使得在绝大多数情况下,无须在输出脚6、7与地之间额外地增加一个肖特基二极管。
UCC27321在MOSFET的弥勒高原效应转换期间能获得9A的峰值电流。UCC27321内部独特的输出结构使得放电能力比充电能力要强的多。充电时电流流经P沟道MOS,放电时电流流经N沟道MOS,这就使得这种芯片的驱动关断能力要比其导通能力强,对防止MOSFET的误导通是很有利的。

3 功率MOSFET驱动电路的一般要求和最佳驱动特性:
A、MOSFET管工作在高频时,必须注意以下两点[1]:
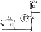
①尽可能减少MOSFET各端点的连接线长度,特别是栅极引线。若不行,可在靠近栅极处串联一小电阻以便抑制寄生振荡。(如图2)
②由于MOSFET的输入阻抗高,驱动电源的输出阻抗必须比较低,以避免正反馈引起的振荡。特别是MOSFET的直流输入阻抗非常高,而它的交流输入阻抗是随频率而改变的,因此MOSFET的驱动波形的上升和下降时间与驱动脉冲发生器的阻抗有关。
图2工作在共源极的电路图
B、MOSFET的最佳驱动特性应具有:
①功率管开通时,驱动电路提供的栅极电压应有快速的上升沿,并一开始有一定的过冲,以加速开通过程。
②功率管导通期间,应能在任何负载情况下都能保证功率管处于导通状态,且使功率管Vds在管子导通的前提下压降较低,以保证低的导通损耗。
③关断瞬时,驱动电路应提供足够的反压,使漏极电流迅速下降,加速关断过程。(图3为最佳栅极驱动电压波形) 
图3 最佳栅极驱动电压波形
4 UCC27321使用注意事项
⑴电路布局上的考虑[2,3]:
UCC27321的最大输入电流为500mA,输入信号可以由PWM控制芯片或逻辑门产生。我们不需要对输入信号进行整形而刻意减小驱动速度。若想限制其驱动速度,可在其输出端与负载间串一个电阻,有助于吸收驱动芯片的损耗。
驱动芯品的低阻抗和高di/dt,都会带来寄生电感和寄生电容产生的振铃。为尽可能消除这些不良影响,我们在电路布局上应加以注意:
总的来说,驱动电路应尽可能的靠近负载。在UCC27321的输出侧VDD和地之间跨接一个1uF的低ESR电容以滤除电源高频分量。将PIN1和PIN8、PIN4和PIN5相连;输出端PIN6和PIN7相连后接至负载。
PGND、AGND之间,两个VDD引脚之间都存在一个较小的阻抗。为了使输入、输出电源和地之间进行解耦,同时利用上述特征,可在5脚和8脚之间跨接一个1uF的低ESR电容(有助于获得大的驱动电流),在1脚和4脚之间跨接一个0.1uF的陶瓷电容以降低输出阻抗。若想获得进一步的解耦,可在PIN1和PIN8之间串一小磁环以消除电流振荡;在PIN4和PIN5之间加一对反并联二极管,实现PGND和AGND之间的解耦。
由于在MOSFET开通时UCC27321能提供很大的充电电流,根据公式
,可知驱动电压在开通时有很高的电压尖峰。为防止栅源电压过高,MOSFET被击穿,可在输出端与地之间并一个18V的稳压管。
⑵驱动电流和功率要求[4,5]
在MOSFET开通时UCC27321能提供几百纳秒的9A峰值电流,使其迅速开通;为求迅速关断,驱动芯片应能对地提供同样高的放电电流。由于功率MOSFET为容性负载,开通时MOSFET栅极电压偏置为Vg,则给电容的充电能量可简单地看作为:
Ciss为MOSFET输入电容,Vg为栅极偏置电压。
当电容放电时,对地传输的能量也为E。这样芯片提供的功率损耗为:
其中: 为开关管的工作频率
如果驱动芯片与栅极之间没有串接额外的电阻,则电路回路的阻抗会消耗这一部分能量即所有的能量会损耗在驱动芯片内部:电容充电和放电时各消耗一半能量。以下举例说明这一情况:
根据以上方程式可以确定功率MOSFET的所需栅极电压。
5 应用实例
图4给出了应用于推挽正激的驱动电路:
(a)为运用UCC27321的光耦隔离驱动。由于上管和下管不共地,为了实现电气上的隔离,在UC3525的输出与UCC27321的输入之间增加了快速光耦隔离芯片HCPL4504。采用光耦隔离,使得外围电路简单,设计较容易,但需两路激励电源。
(b)为传统推挽变压器隔离驱动,由于采用变压器实现电气隔离,进行电流、电压变换,应用范围较广。但缺点是体积重量较大,驱动变压器容易激磁饱和,设计相对困难。
实验中所采用的MOSFET为IRFP460,其典型参数为:Ciss=4.1nF;Qg=120nC;VDS=500V;ID=20A;VGS=±20V。 测试电路为图4所示电路,开关频率为50kHz。从导通和关断时间来看:采用推挽式驱动电路时,开关管的导通时间和关断时间将近为180ns;而采用UCC27321驱动芯片后,导通时间仅为80ns,关断时间则为70ns。从波形(见图5)来看:采用UCC27321驱动芯片后,功率管开通时,驱动电路提供的栅极电压具有快速的上升沿,并一开始有一定的过冲;关断瞬时,提供了较大的反压,使管子可靠关断,开关管的导通特性和关断特性明显改善。所以采用UCC27321驱动芯片构成的驱动电路,开关管的开通和关断损耗都将会大大减小。 
6 结论
通过实验验证UCC27321驱动芯片具有良好的驱动特性,能快速驱动MOSFET,从而减小了开通和关断损耗。同时,通过设置使能端能设计出性能优异的保护电路,具有外围电路简洁,实现电源,输入、输出地之间的解耦,可靠性高等优点。能很好地应用于高速MOSFET的驱动电路设计。
参考文献:
[1]张占松,蔡宣三编著,《开关电源的原理与设计》,电子工业出版社,北京,1998。
[2]. SEM-1400, Topic 2, A Design and Application Guide for High Speed Power MOSFET Gate Drive Circuits,TI Literature No. SLUP133
[3]. U?C137, Practical Considerations in High Performance MOSFET, IGBT and MCT Gate Drive Circuits, by Bill Andreycak, TI Literature No. SLUA105
[4]. Technical Brief, PowerPad Thermally Enhanced Package, TI Literature No. SLMA002
[5]. Application Brief, PowerPAD Made Easy, TI Literature No. SLMA004
上一篇:下载|驱动
下一篇:USB3.0的静噪对策
从profibusDP转ModbusTCP,一网打尽转换技巧!