全球最实用的IT互联网信息网站!

AI人工智能P2P分享&下载搜索网页发布信息网站地图

当前位置:诺佳网 > 电子/半导体 > 接口/总线/驱动 >

USB Carries 16-Bit Voltage Mea

时间:2009-06-27 23:19

人气:

作者:admin

标签: USB 

导读:USB Carries 16-Bit Voltage Mea-USB Carries 16-Bit Voltage MeasurementsAbstract:This application note presents a simple circuit that combines an ADC with a small USB module to make an 8-channel, 16-bit measuring system....

USB Carries 16-Bit Voltage Measurements

Abstract: This application note presents a simple circuit that combines an ADC with a small USB module to make an 8-channel, 16-bit measuring system. The MAX1168 ADC is featured.

USB is now the interface of choice for connecting to personal computers. Available on all modern PCs, USB has a standard connector and provides +5V at up to 100mA for peripheral devices.

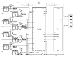
The Figure 1 circuit combines the MAX1168 16-bit ADC with a small USB module (the USBMicro U421) to make a simple 8-channel, 16-bit measurement system.

Based on a Cypress™ CY7C63743 controller, the U421 provides up to 16 I/O lines with an option to use some of those lines as an SPI™ port. As a human interface device (HID), it transfers up to 800Bps. The SPI clock rate can be set at 62.5kHz, 500kHz, 1MHz, or 2MHz. Firmware on the U421 allows generic access to SPI read-and-write devices. Because the U421 includes additional pins as generic I/O, it can use them as slave-select lines for addressing multiple SPI devices. One such line controls the MAX1168 chip-select input.

The MAX1168 is a low-power, 16-bit ADC with eight input channels and an SPI interface. It operates from a single +5V supply and includes a 4.096V reference and clock oscillator. It can convert individual channels, execute multiple conversions on one channel, or scan the channels sequentially, storing the data on-chip.

The ADC's sample and hold must charge its 45pF hold capacitor and acquire the input voltage in 3µs; it must be driven by a fast amplifier. The MAX4230 amplifier was chosen for the design because it has a 10MHz bandwidth, 2V/µS slew rate, rail-to-rail inputs and outputs, and operates from a single +5V rail (down to 2.7V). It is available in dual and quad versions. Its bias current (50pA, typ) allows a significant input impedance without affecting accuracy. To provide scaling (1/11 for the 10:1 resistor-divider) and protection from input overvoltage, Figure 1 includes the MAX5490 100kΩ precision-matched resistor-divider at the input of each buffer amplifier. That configuration allows a maximum readable input of 45V, with resolution just under 1mV (687.5µV). In this design 5V power is taken from the USB port, with some additional filtering to reduce noise.

Figure 1. This simple data-acquisition system provides eight channels of 16-bit data over a USB interface.
More detailed image (PDF, 248kB)
Figure 1. This simple data-acquisition system provides eight channels of 16-bit data over a USB interface.

The evaluation software was written in Visual Basic.Net (Standard), and commands to the U421 are provided through a DLL file (USBm.dll). The demo program sets the MAX1168 to scan all eight channels and display the results. When you run the program a form appears (Figure 2) that lets you set the reference voltage (to allow for the input divider), set the scan time, and select any of the eight channels for plotting on the screen. Evaluation software is available for download at: www.maxim-ic.com/MAX1168DI.


Figure 2. Software for the Figure 1 system lets you set the operating parameters and observe selected channels.

Thanks to Robert Severson of USBmicro (usbmicro.com) for his help with the interface.


This design idea appeared in the May 25, 2006 issue of EDN magazine.

 MAX4230, MAX4231, MAX4232, MAX4233, MAX4234 pdf datasheet

温馨提示:以上内容整理于网络,仅供参考,如果对您有帮助,留下您的阅读感言吧!
相关阅读
本类排行
相关标签
本类推荐

CPU | 内存 | 硬盘 | 显卡 | 显示器 | 主板 | 电源 | 键鼠 | 网站地图

Copyright © 2025-2035 诺佳网 版权所有 备案号:赣ICP备2025066733号
本站资料均来源互联网收集整理,作品版权归作者所有,如果侵犯了您的版权,请跟我们联系。

关注微信