时间:2009-08-01 08:20
人气:
作者:admin
数字音频信号的传送接口电路
(1) 数字音频输入接口电路

AES/EBU解码器和解复用器
AES/EBU解码器将双相标志码串行AES/EBU数字音频信号转换为信号数据流,再将两声道的音频数据信号分开,产生两路并行比特音频数据流。从每个子帧中抽取出附加数据(V,U,C,P)用于处理控制和子帧及帧的同步、用于产生192bit用户块和通道状态。图:输入AES/EBU串行音频数据的主要解码和解复用处理
(2)数字音频信号传送接口电路
AES3-1992标准定义了在双绞线音频电缆上传输AES/EBU信号的规格。
AES3-3id-1996和ANSI/SMPTE 276M-1995标准定义和采纳了其他传送格式,都定义了在不平衡同轴电缆上传输AES3格式数据。
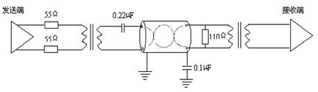
1) 110Ω双绞线电缆传输电路
AES3-1992传送连接
2) 75Ω同轴电缆传送电路
此标准是为了克服双绞线传送时的电缆长度、XLR接插件大小和费用带来的限制,更重要的是可以用不箝位的模拟视频分配放大器和路由器来传送数字音频信号。
绝大多数音频设备都使用卡侬接插件(XLR) ,因此必须考虑到需要与BNC端子的转接。
最少需要12MHz带宽来传输双相标志码编码的AES/EBU信号,有些模拟传送放大器的带宽可能不够。
75Ω同轴电缆传送接口的特性
见下表 75Ω同轴电缆传送接口的特性

AES-3id 传送连接接口电路
该建议包括传送线路、电缆性能和电缆均衡器特性的信息。
AES3id-1996传送连接

平衡--不平衡匹配网络 用于平衡110Ω和不平衡75Ω的系统之间转换-- 14dB衰减器

3) 实际的线路连接
在录音室中应使用平衡电缆馈送可避免接地环路问题。
在现有的录音室中已安装的模拟电缆可用于数字音频分配,但电缆长度一般限于100米,具体视电缆类型而定。
高质量的双绞线电缆可达到250米。一个数字音频设备输出只能连接一个接收端
(3) 其它接口协议
除AES/EBU协议,还有三种接口格式:MADI(多声道音频数字接口),SDIF-2(Sony数字接口互连)和SPDIF(Sony Philips数字接口)。
1) MADI 格式
MADI 格式在AES 10-1991标准文件和AES-10id-1995中定义,可容纳最多56路AES3-1992标准的32bit信号。MADI用于点到点的系统,如多轨录音机和数字音频组件以及处理器间的互连,数字路由系统和录音室到录音室的互连。
MADI信号容易转换成AES/EBU子帧,只最初4bit 与AES/EBU子帧不同。支持抽样频率32kHz到48kHz,可变化±12.5%,以支持录音机的变速操作。数据传输率固定为125Mbps,对编码数据流提供带宽(56路×40bits×48kHz×1.125=121Mbps)。
传输介质是宽带同轴电缆(最长50米)或光纤(超过50米)。AES-10id-1995文件给出了光纤接口的说明。
2) SDIF-2格式
Sony开发,用于专业级控制和记录、单声道44.1kHz和48kHz信号的互连
音频字节长32bit,前20比特为音频样值,接下来9比特创建控制字,3比特字节同步信息。
控制字中包括有关预加重、正常音频还是非音频数据、拷贝禁止、 SDIF音频块同步(每块256音频字节)信息以及用户数据等声道信息。
传输介质:TTL工作电平的75Ω同轴电缆。它是一个点对点的互连系统,需要三根同轴电缆来传输左、右声道数据和字节时钟信号
数据率:1.54Mbps。
3) SPDIF格式
AES/EBU(AES3-1992)格式协议的消费级版本。为在ES3专业设备和AES3家用设备间传输数字音频数据,进行格式转换(数据和电平转换)用。
上一篇:AES/EBU接口标准
下一篇:RS232通信接口
从profibusDP转ModbusTCP,一网打尽转换技巧!