时间:2008-10-21 09:33
人气:
作者:admin
IBGT驱动电路设计
我们设计了一种基于光耦HCPL-316J的IGBT驱动电路。实验证明该电路具有良好的驱动及保护能力。下面是此IBGT驱动电路的原理分析:
绝缘门极双极型晶体管(Isolated Gate Bipolar Transistor简称IGBT)是复合了功率场效应管和电力晶体管的优点而产生的一种新型复合器件,具有输入阻抗高、工作速度快、热稳定性好驱动电路简单、通态电压低、耐压高和承受电流大等优点,因此现今应用相当广泛。但是IGBT 良好特性的发挥往往因其栅极驱动电路设计上的不合理,制约着IGBT的推广及应用。因此本文分析了IGBT对其栅极驱动电路的要求,设计一种可靠,稳定的IGBT驱动电路。
IGBT驱动电路特性及可靠性分析
门极驱动条件
IGBT的门极驱动条件密切地关系到他的静态和动态特性。门极电路的正偏压uGS、负偏压-uGS和门极电阻RG的大小,对IGBT的通态电压、开关、开关损耗、承受短路能力及du/dt电流等参数有不同程度的影响。其中门极正电压uGS的变化对IGBT的开通特性,负载短路能力和duGS/dt电流有较大的影响,而门极负偏压对关断特性的影响较大。同时,门极电路设计中也必须注意开通特性,负载短路能力和由duGS/dt电流引起的误触发等问题。
根据上述分析,对IGBT驱动电路提出以下要求和条件:
(1)由于是容性输出输出阻抗;因此IBGT对门极电荷集聚很敏感,驱动电路必须可靠,要保证有一条低阻抗的放电回路。
(2)用低内阻的驱动源对门极电容充放电,以保证门及控制电压uGS有足够陡峭的前、后沿,使IGBT的开关损耗尽量小。另外,IGBT开通后,门极驱动源应提供足够的功率,使IGBT不至退出饱和而损坏。
(3)门极电路中的正偏压应为+12~+15V;负偏压应为-2V~-10V。
(4)IGBT 驱动电路中的电阻RG对工作性能有较大的影响,RG较大,有利于抑制IGBT 的电流上升率及电压上升率,但会增加IGBT 的开关时间和开关损耗;RG较小,会引起电流上升率增大,使IGBT 误导通或损坏。RG的具体数据与驱动电路的结构及IGBT 的容量有关,一般在几欧~几十欧,小容量的IGBT 其RG值较大。
(5)驱动电路应具有较强的抗干扰能力及对IGBT 的自保护功能。IGBT 的控制、驱动及保护电路等应与其高速开关特性相匹配,另外,在未采取适当的防静电措施情况下,IGBT的G~E极之间不能为开路。
驱动电路分类
驱动电路分为:分立插脚式元件的驱动电路;光耦驱动电路;厚膜驱动电路;专用集成块驱动电路。本文设计的电路采用的是光耦驱动电路。
IGBT驱动电路分析
随着微处理技术的发展(包括处理器、系统结构和存储器件),数字信号处理器以其优越的性能在交流调速、运动控制领域得到了广泛的应用。一般数字信号处理器构成的控制系统, IGBT驱动信号由处理器集成的PWM模块产生的。而PWM接口驱动能力及其与IGBT的接口电路的设计直接影响到系统工作的可靠性。因此本文采用Agilent公司的HCPL-316J门极驱动光耦合器结合DSP TMS320F2812设计出了一种可靠的IGBT驱动方案。
HCPL-316J特性
HCPL-316J是由Agilent公司生产的一种IGBT门极驱动光耦合器,其内部集成集电极发射极电压欠饱和检测电路及故障状态反馈电路,为驱动电路的可靠工作提供了保障。其特性为:兼容CMOS/TYL电平;光隔离,故障状态反馈;开关时间最大500ns;“软”IGBT关断;欠饱和检测及欠压锁定保护;过流保护功能;宽工作电压范围(15~30V);用户可配置自动复位、自动关闭。 DSP与该耦合器结合实现IGBT的驱动,使得IGBT VCE欠饱和检测结构紧凑,低成本且易于实现,同时满足了宽范围的安全与调节需要。
HCPL-316J保护功能的实现
HCPL-316J内置丰富的IGBT检测及保护功能,使驱动电路设计起来更加方便,安全可靠。其中下面详述欠压锁定保护(UVLO) 和过流保护两种保护功能的工作原理:
(1)IGBT欠压锁定保护(UVLO)功能
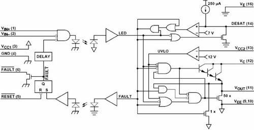
在刚刚上电的过程中,芯片供电电压由0V逐渐上升到最大值。如果此时芯片有输出会造成IGBT门极电压过低,那么它会工作在线性放大区。HCPL316J芯片的欠压锁定保护的功能(UVLO)可以解决此问题。当VCC与VE之间的电压值小于12V时,输出低电平,以防止IGBT工作在线性工作区造成发热过多进而烧毁。示意图详见图1中含UVLO部分。

图1 HCPL-316J内部原理图
(2)IGBT过流保护功能
HCPL-316J具有对IGBT的过流保护功能,它通过检测IGBT的导通压降来实施保护动作。同样从图上可以看出,在其内部有固定的7V电平,在检测电路工作时,它将检测到的IGBT C~E极两端的压降与内置的7V电平比较,当超过7V时,HCPL-316J芯片输出低电平关断IGBT,同时,一个错误检测信号通过片内光耦反馈给输入侧,以便于采取相应的解决措施。在IGBT关断时,其C~E极两端的电压必定是超过7V的,但此时,过流检测电路失效,HCPL-316J芯片不会报故障信号。实际上,由于二极管的管压降,在IGBT的C~E 极间电压不到7V时芯片就采取保护动作。
驱动电路方案设计
驱动电路的主要逻辑部件是芯片HCPL-316J。它控制IGBT管的导通、关断并且保护IGBT。它的输出功能可以简略的用下面的逻辑功能表来描述。(详见表1)
表1 HCPL-316J逻辑功能表

表格中最后一列为输出。当输出为High时IGBT导通,否则IGBT关断。IGBT导通需要同时具备最后一行的五个条件,缺一不可,即同相输入为高;反相输入为低;欠压保护功能无效;未检测到IGBT故障,无故障反馈信号或故障反馈信号已被清除。
根据上述输出控制功能,设计电路如图2。

图2 IGBT驱动电路
整个电路板的作用相当于一个光耦隔离放大电路。它的核心部分是芯片HCPL-316J,其中由控制器(DSP-TMS320F2812)产生XPWM1及XCLEAR*信号输出给HCPL-316J,同时HCPL-316J产生的IGBT故障信号FAULT*给控制器。同时在芯片的输出端接了由NPN和PNP组成的推挽式输出电路,目的是为了提高输出电流能力,匹配IGBT驱动要求。
当HCPL-316J输出端VOUT输出为高电平时,推挽电路上管(T1)导通,下管(T2)截止, 三端稳压块LM7915输出端加在IGBT门极(VG1)上,IGBT VCE为15V,IGBT导通。当HCPL-316J输出端VOUT输出为低电平时,上管(T1)截止,下管(T1)导通,VCE为-9V,IGBT关断。以上就是IGBT的开通关断过程。
结语
IGBT对驱动电路有一些特殊要求,驱动电路性能的优劣是其可靠工作、正常运行的关键所在,高性能驱动电路的开发和设计是其应用的难点。本文详细分析了IGBT栅极驱动电路的特性,设计了一个采用HCPL-316J门极驱动光耦合器为核心的IBGT驱动电路。实际中应用于驱动Eupec公司200A/600V的低损耗IGBT模块,取得了很好的效果。
从profibusDP转ModbusTCP,一网打尽转换技巧!