全球最实用的IT互联网信息网站!
AI人工智能P2P分享&下载搜索网页发布信息网站地图
常用串行通信及UART(通用异步收发器)
阅读全文2024-03-04
什么是串口 串口无法传输数据的原因
阅读全文2024-03-01
探索立功科技全新汽车数字钥匙系统解决方案
阅读全文2024-02-28
上海雷卯推出一种USB4接口的静电浪涌保护方案
串口通讯RS485、SPI和I2C的比较优势
阅读全文2024-02-27
RS-485节点信号与电源隔离的详细解析
虹科提供了一种高效、可靠的汽车CAN/LIN总线数据
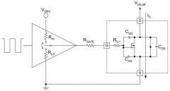
低侧栅极驱动器的应用设计指南
阅读全文2024-02-26
什么是M12接口?M12接口的应用
阅读全文2024-02-25
汽车tbox故障什么原因造成的
博世CAN SIC XL收发器ASIC NT156介绍
力特奥维斯Littelfuse解读设计高可靠性的汽
RS485接口电路设计全面指南:从基础到实
如何使用ZPS-CANFD进行CAN信号质量评估?
CPU | 内存 | 硬盘 | 显卡 | 显示器 | 主板 | 电源 | 键鼠 | 网站地图
Copyright © 2025-2035 诺佳网 版权所有 备案号:赣ICP备2025066733号 本站资料均来源互联网收集整理,作品版权归作者所有,如果侵犯了您的版权,请跟我们联系。