全球最实用的IT互联网站!
人工智能P2P分享搜索全网发布信息网站地图标签大全
51单片机模拟串口的三种方法解析
阅读全文2019-10-23
基于GPRS微控制器实现上网的解决方案
USB 3.0一致性测试的方法解析
阅读全文2019-10-22
多媒体数据传输终端的设计方案
基于MAX7219芯片的LED数码显示电路设计
阅读全文2019-10-21
贴片电容在LED驱动电路焊接中应该注意哪些问题
如何通过USB通信来升级传统设计
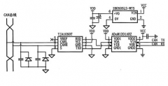
基于STM32F105微控制器的CAN接口电路设计
RS232串口调试要点
阅读全文2019-10-20
ADC芯片的串行外设接口配置
博世CAN SIC XL收发器ASIC NT156介绍
力特奥维斯Littelfuse解读设计高可靠性的汽
RS485接口电路设计全面指南:从基础到实
如何使用ZPS-CANFD进行CAN信号质量评估?
CPU | 内存 | 硬盘 | 显卡 | 显示器 | 主板 | 电源 | 键鼠 | 网站地图
Copyright © 2025-2035 诺佳网 版权所有 备案号:赣ICP备2025066733号 本站资料均来源互联网收集整理,作品版权归作者所有,如果侵犯了您的版权,请跟我们联系。