全球最实用的IT互联网站!
人工智能P2P分享搜索全网发布信息网站地图标签大全
数字LCD接口与模拟LCD接口的对比分析
阅读全文2019-09-12
基于USB接口数据撷取的解决方案
GDDR6存储器接口的设计方法介绍
UART通信的工作原理及优缺点分析
基于Linux系统和i.MX27芯片的电阻式触摸屏驱动系统
阅读全文2019-09-11
PIC单片机以及51单片机和AVR单片机的IO口操作方法
RS232通信接口与USB转串口通信的设计
阅读全文2019-09-10
RS232通信接口电路的具体结构以及工作原理解析
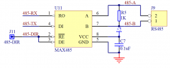
基于RS-485端口的防护设计方案
阅读全文2019-09-09
ubuntu不能安装usb驱动的解决方法
阅读全文2019-09-07
博世CAN SIC XL收发器ASIC NT156介绍
力特奥维斯Littelfuse解读设计高可靠性的汽
RS485接口电路设计全面指南:从基础到实
如何使用ZPS-CANFD进行CAN信号质量评估?
CPU | 内存 | 硬盘 | 显卡 | 显示器 | 主板 | 电源 | 键鼠 | 网站地图
Copyright © 2025-2035 诺佳网 版权所有 备案号:赣ICP备2025066733号 本站资料均来源互联网收集整理,作品版权归作者所有,如果侵犯了您的版权,请跟我们联系。