时间:2023-07-31 10:48
人气:
作者:admin
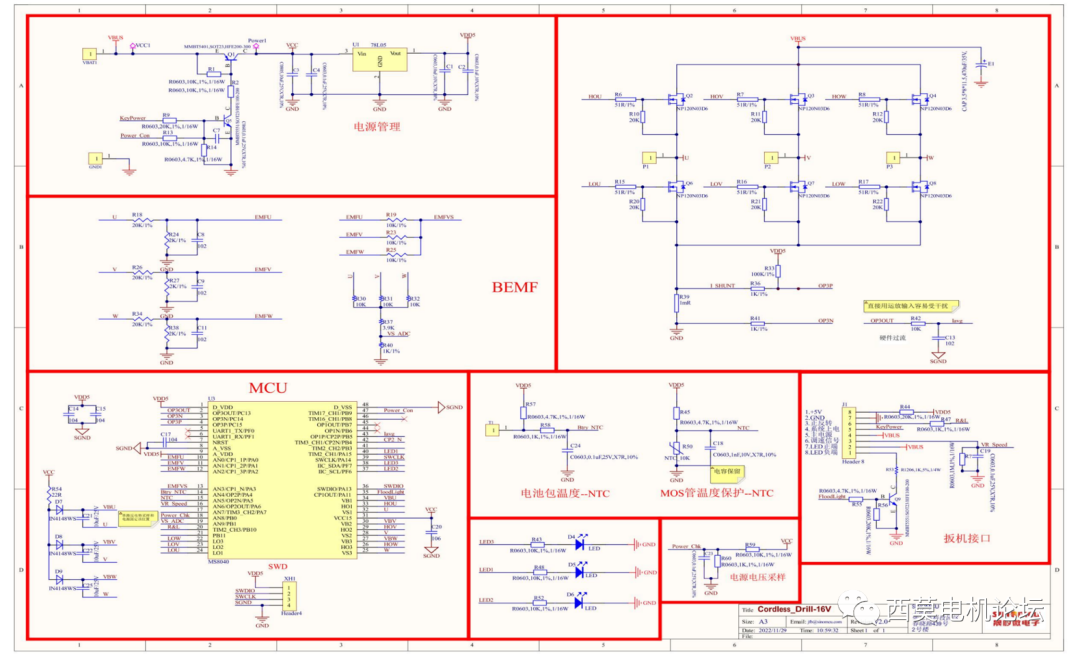
MS8040是上海晟矽微电子股份有限公司开发的一款高性价比芯片;该芯片集成250V耐压的高压三相栅极驱动器, MCU内核是32位的ARM Cortex-M0,芯片最高主频48MHz 支持,32KB FLASH ROM,4K SRAM,12位高速ADC,多达10个外部通道。同时芯片还集成了2 个高性能电压比较器和3个高增益运算放大器,能够满足绝大多数电机应用场合。本次培训将以该芯片为例,详细介绍永磁无刷直流电机控制的实现过程,从硬件设计及霍尔原件开始讲起,重点讲解如何实现有霍尔方波和无霍尔方波两种方案,从寄存器配置到算法的基于MS8040芯片的底层实现的过程:

电机控制器MS8040硬件方案原理图

电机控制器MS8040软件方案框架
培训还将深入介绍带霍尔FOC的永磁同步电机控制方案实现,从FOC到矢量控制原理讲起,一步一步教大家深入理解FOC和SVPWM,通过详细讲解电流采样和角度估算器等大家关心的内容,手把手教大家写一套可以控制电动自行车的有霍尔FOC控制方案,真正的一套从0开始到完整实现正弦波控制的FOC方案,具体也是从软硬件设计两方面展开:

FOC硬件电路的搭建

FOC软件框图及实现
本次培训对永磁电机控制器的开发讲解将采用晟矽通用低压电机开发套件MS32F031

MS32F031套件
主要有以下特点:
1.输入电压<15V~40V ,功率<400W
2.灵活搭配,根据自身需求,可选对应芯片上板进行开发、实验
3.有感、无感方案兼容,正弦、方波均支持,可适配电机范围广
4.有感无感方案均已成熟,初学即可使用
5.支持霍尔和编码器输入,支持模拟信号、PWM输入、串口调速,多个输出接口,串口也可通用
6.支持过压、欠压、过温、过流、堵转保护等各种保护功能
审核编辑:汤梓红