时间:2023-07-12 09:19
人气:
作者:admin
在本文中,我们将分析4个单相接触器接线图,单相接触器的优点是什么?它的用途是什么?
内容:
为什么使用2极接触器 4单相接触器接线图
1.使用开关的交流电机控制电路
2.使用智能开关的远程控制电路
3.使用按钮的控制电路
4.反转单相电机
为什么使用2极接触器
单相接触器(2极接触器)是单相电气设备控制应用中广泛使用的仪表。其优点是结构紧凑,接线方便,比同等容量的三相接触器便宜。
单相接触器也用于取代传统的开关和插座,以增加电流容量。由于接触器由电压控制,因此广泛用于开关电源电路的远程控制应用。
电路中单相接触器的符号如下所示。线圈起着电磁铁的作用,产生一个吸力来闭合触点。最常见的单相接触器线圈是220V交流电。触点是一种直接负载开关装置,能够允许大负载电流通过。

接触器符号
单相接触器符号
4单相接触器接线图
1.使用开关的交流电机控制电路
传统开关只能控制1相(L或N),容量较小。因此,它们通常用于控制电路。
使用单相接触器将断开L线和N线,因此对用户来说更安全。单相接触器的额定工作电流高达60A。因此,它足以驱动大功率单相负载。
–使用单相接触器的交流电机控制电路接线图,如下所示。左侧的电路是根据实际设备直观绘制的。右边的电路是电路的原理图。
+接触器线圈的一个端子连接到电源(N),另一个端子通过一个2位开关连接至电源(L)。
+主触点的顶部连接到220V电源,触点的底部连接到单相电机或2线单相电气设备。

使用2位置开关的电路图
工作原理:
+在正常状态下,开关断开,线圈K未通电。触点将处于断开状态,电机将不工作。
+当有一个作用力使2位开关闭合时,线圈K通电。产生电磁力来吸引触点,将触点状态从打开变为关闭。电流从电源通过触点流向电机。
+当开关断开时,线圈断开。由于弹簧的作用力,触点现在恢复到原来的位置。因此,触点将处于断开状态,电机将停止工作。
2.使用智能开关的远程控制电路
智能开关、遥控开关越来越受欢迎。因为它具有便宜、方便和多功能的优点。这些开关的输出为继电器输出,最大电流为10至15A。因此,它只适用于控制灯、风扇和小型泵。
智能交换机有多种类型,如射频波控制的交换机、蓝牙、SMS、wifi。当与单相接触器相结合时,将有可能控制大容量电器,如电磁炉、空调、冰箱和电机。
带智能开关的单相接触器接线图如下:
+智能开关的输入连接到220V AC,输出连接到接触器线圈的两个端子。当将输入连接到电源时,我们不需要将L线定义为使用智能开关直接控制负载的电路中的L线。
+触点的两个上端子连接到交流电源,两个下端子直接连接到负载。

带智能开关接触器接线图
工作原理:
查看此电路的示意图,我们发现电路原理与2位开关电路的工作原理类似。
+当智能开关未收到控制命令时,内部继电器触点断开。因此,接触器的主触点也断开,因此电机不旋转。
+当智能开关收到打开设备的命令时,开关中的继电器触点闭合。接触器线圈通电,因此其触点闭合。单相电机开始旋转。
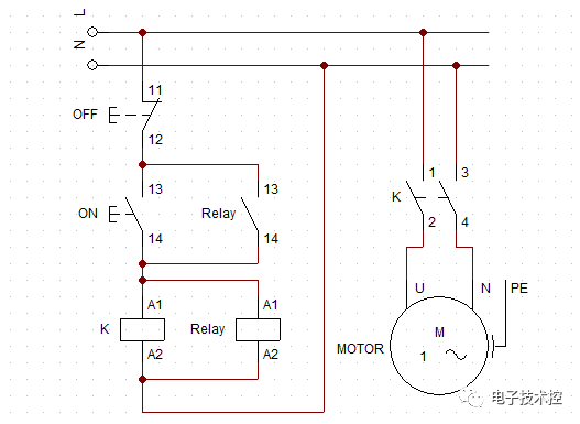
3.使用按钮的控制电路
使用2位开关的电路具有简单的优点,但缺点是当电源丢失时,电路将处于待机状态。当电源恢复时,设备将继续运行。如果用户忘记关闭设备,这将非常危险,可能导致火灾或触电。
因此,在工业电气柜中,人们会优先使用2个按钮,而不是2位开关。由于单相接触器没有辅助触点,我们将使用一个额外的220V继电器,在卸下按钮后保持电路闭合。
电路图设计如下所示。线圈接触器1相和继电器与两个按钮ON和OFF串联。继电器的常开触点将与ON按钮并联。接触器触点直接连接至负载。

带按钮的单相接触器接线图
电路工作原理:
+按下ON按钮时,控制电路闭合。接触器K和继电器的线圈都通电,因此它们的触点会改变状态。此时,电机开始工作,继电器触点闭合。因此,在ON按钮打开后,电流将通过继电器触点,电路仍处于闭合状态。
+按下OFF按钮时,控制电路开路。接触器K和继电器的线圈与电源断开,因此电机停止工作。同时,继电器触点断开,因此释放OFF按钮后,电机将不再运行。
类似于停电后的情况。用户必须按下ON按钮才能使电机再次运行。用户和电气设备的安全电路。
4.反转单相电机
单相电动机由两个绕组组成:运行线圈和起动线圈。将有2条电线连接在一起形成一个公共点,因此电机将有3条输出线。起动线圈和运行线圈的电阻值不同。具体来说,运行线圈电阻小于起动机线圈。我们可以使用VOM测量仪测量每个绕组的电阻来确定这两个线圈。
通常,人们会将运行线圈与电容器串联,并连接到220V电源。起动机线圈将直接连接到电源。
当反转电机时,我们将起动机线圈与电容器串联并连接到电源。运行线圈将连接到单相电源。
示意图如下所示。

3根输出线单相电动机的换向原理
以下接线图使用单相接触器反转单相电机的方向。

单相电机换向电路
反向电路的工作原理:
+当前进开关接通时,接触器K1通电。电容器与线圈2串联并连接到电源(N)。公共线连接到电源(L),线圈1并联到电源。交流电机将向前运行
+当反向开关接通时,接触器K2通电。电容器与线圈1串联并连接到电源(N)。线圈2与电源并联。电机将反向运行
审核编辑:汤梓红