时间:2023-07-04 15:59
人气:
作者:admin
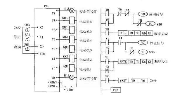
今天我们要学习的是顺序启动和逆时停止的一个案例程序。
用按钮控制6台电动机的启动停止。当按下启动按钮SB1时,启动信号灯( YO)亮,而后每隔5s顺序启动一台电动机,直到6台电动机全部启动,启动信号灯灭。
当按下停止信号SB2时,停止信号灯(Y7)亮之后,每隔 3s逆序停止一台电动机,直到6台电动机全部停止后,停止信号灯灭。如果在启动过程中按下停止按钮,则每隔3s逆序依次停止已经启动的电动机。按急停按钮SB3,则全部电动机立即停止。
现在我们学习SFTL和SFLT左移位和右移位指令,我们在程序中不难看出,Y0在程序的启动和停止起到关键的作用。
T0和T1控制启动和停止的时间,如果T0延时后通电,那么将会使电机顺序启动一台,这时候T0又会断开。T0和T1循环启动和停止。
一般程序都会设计急停按钮,在程序中可以用复位软元件来代替,这时候我们就会出现将所有电机停止。
利用启动按钮和停止按钮使程序实现互锁,利用电机Y1和Y6使信号灯点亮。
程序我们就介绍到这里了,现在我们来了解它的设计思路,程序的设计思路是利用移位指令将电机按照位逻辑来代替,输出”1“代表电机运行,输出”0“代表电机停止。

上一篇:计数器在程序中有什么作用
下一篇:PLC的结构及各部分的作用